GM Service Manual Online
For 1990-2009 cars only
Makes
🢒
Chevrolet
🢒
2000
🢒
Chevy C Silverado - 2WD
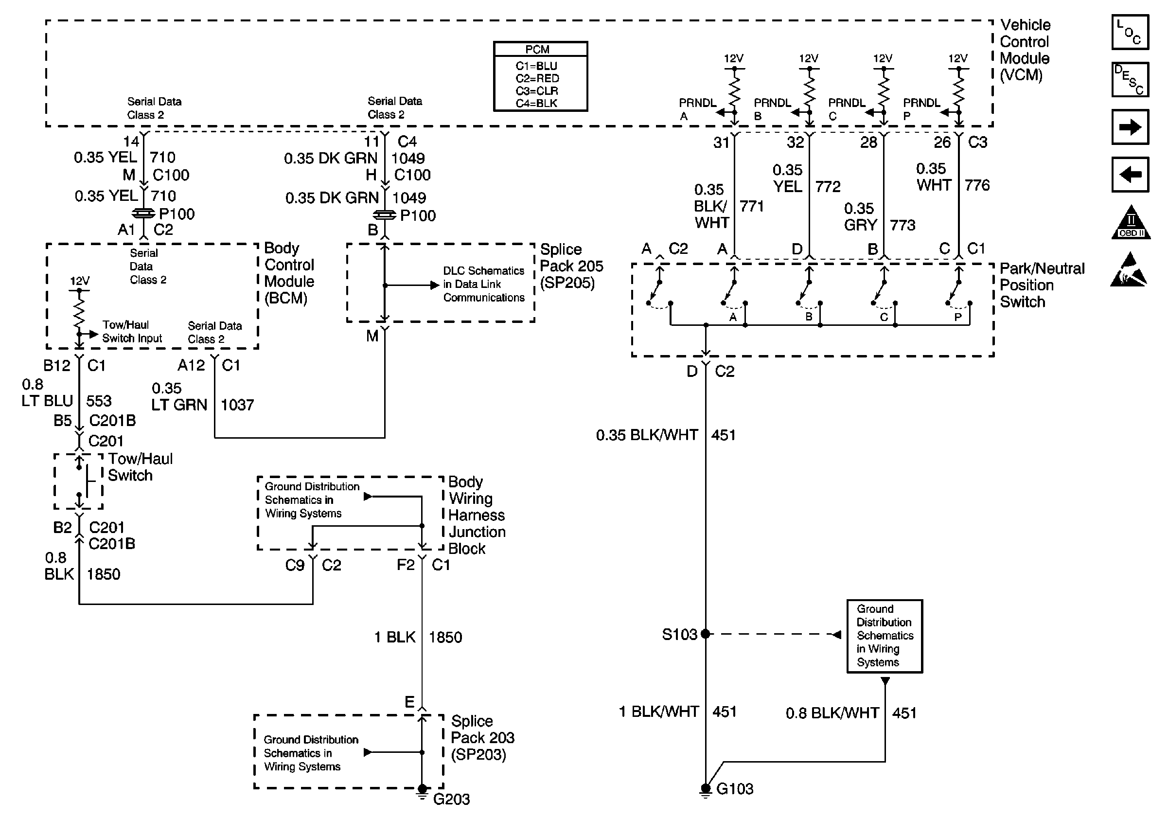
🢒 Tow/Haul Switch, BCM, Park/Neutral Switch
Tow/Haul Switch, BCM, Park/Neutral Switch
Tow/Haul Switch, BCM, Park/Neutral Switch
Ground Distribution Schematics
Ground Distribution Schematics
Ground Distribution Schematics
Data Link Connector Schematics
Engine Controls Components
Evaporative Emission Control System Operation Description Enhanced
HVAC Module, A/C Pressure Switches, G100, G102
Auto Trans Switches, TFT Sensor, PC SOL Valve
OBD II Symbol Description Notice
Handling ESD Sensitive Parts Notice