GM Service Manual Online
For 1990-2009 cars only
Makes
🢒
Chevrolet
🢒
2000
🢒
Chevy C Silverado - 2WD
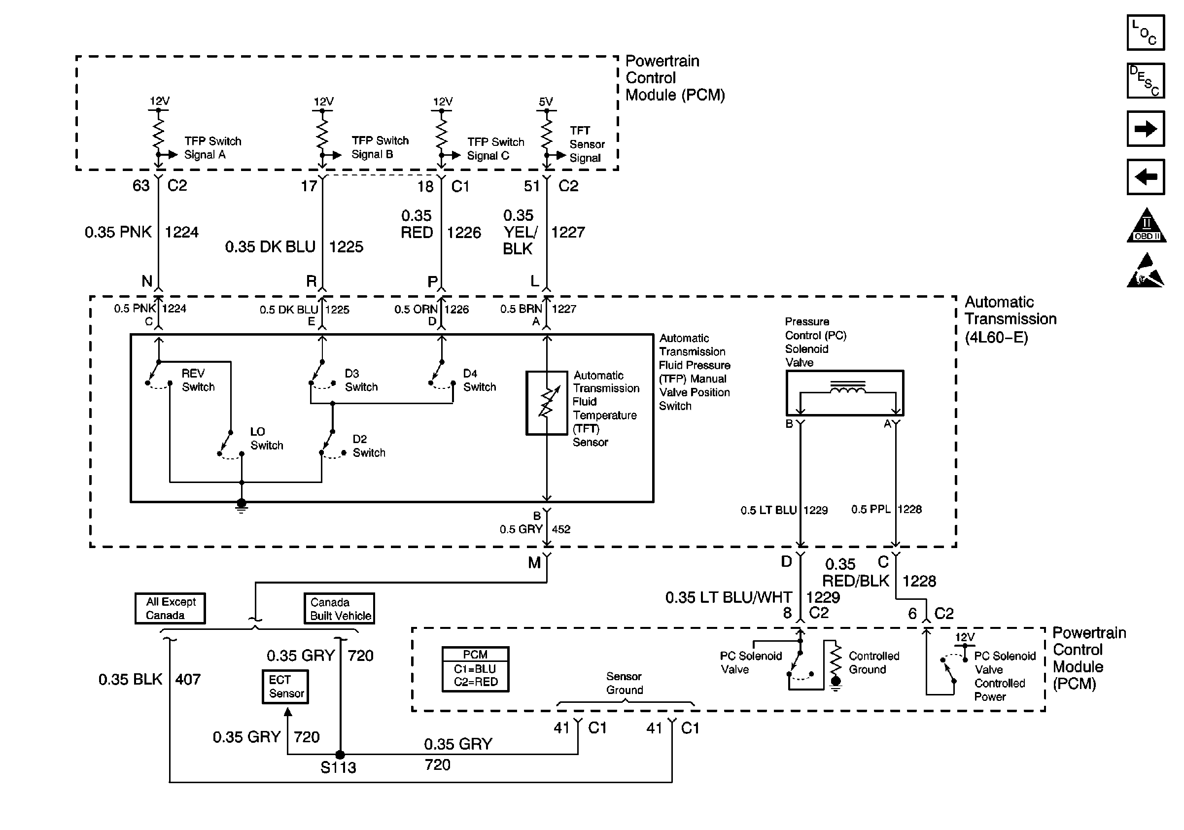
🢒 4L60-E Switches, PC SOL, TFT Sensor
4L60-E Switches, PC SOL, TFT Sensor
4L60-E Switches, PC SOL, TFT Sensor
Engine Controls Components
Evaporative Emission Control System Operation Description
4L80-E Solenoids, Stoplamp Switch, PCM
4L60-E Solenoid, Stoplamp Switch
OBD II Symbol Description Notice
Handling ESD Sensitive Parts Notice