GM Service Manual Online
For 1990-2009 cars only
Makes
🢒
Chevrolet
🢒
2000
🢒
Chevy C Silverado - 2WD
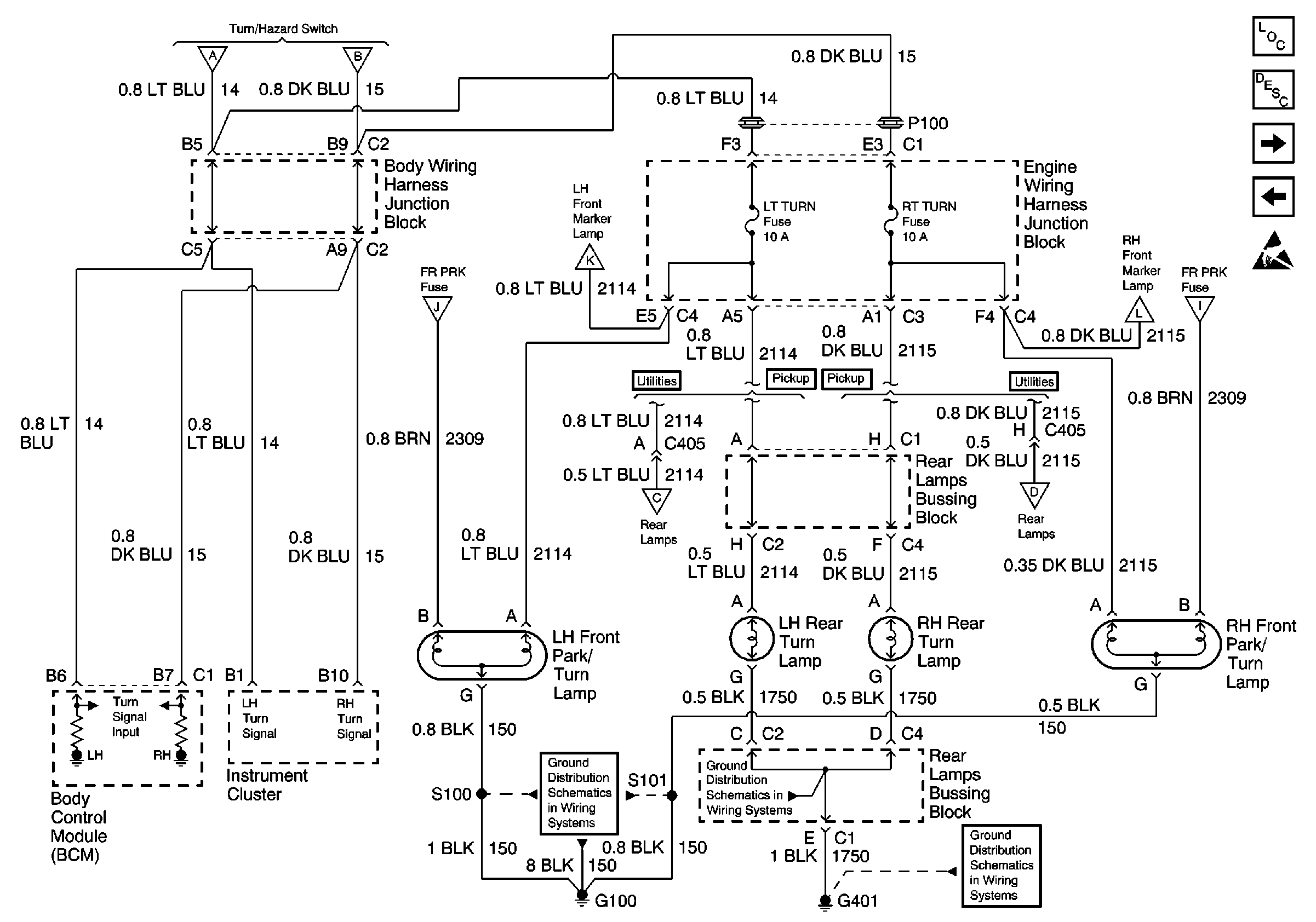
🢒 Front and Rear Turn and Park Lamps, BCM, IPC, LT Turn and RT Turn Fuse
Front and Rear Turn and Park Lamps, BCM, IPC, LT Turn and RT Turn Fuse
Front and Rear Turn and Park Lamps, BCM, IPC, LT Turn and RT Turn Fuse
Stop LPS and Turn Fuse, Turn/Hazard, Flasher, Stoplamp Switch
Stop LPS and Turn Fuse, Turn/Hazard, Flasher, Stoplamp Switch
Park Lamp Relay, Front Marker Lamps, BCM
Park Lamp Relay, Front Marker Lamps, BCM
Rear Stop, Tail, Turn and License Lamps, G401- Utilities
Rear Stop, Tail, Turn and License Lamps, G401- Utilities
Park Lamp Relay, Front Marker Lamps, BCM
Park Lamp Relay, Front Marker Lamps, BCM
Lighting Systems Components
Exterior Lights Circuit Description
Park Lamp Relay, Front Marker Lamps, BCM
Stop LPS and Turn Fuse, Turn/Hazard, Flasher, Stoplamp Switch
Handling ESD Sensitive Parts Notice
Ground Distribution Schematics
Ground Distribution Schematics
Ground Distribution Schematics