GM Service Manual Online
For 1990-2009 cars only
Makes
🢒
Chevrolet
🢒
2000
🢒
Chevy C Silverado - 2WD
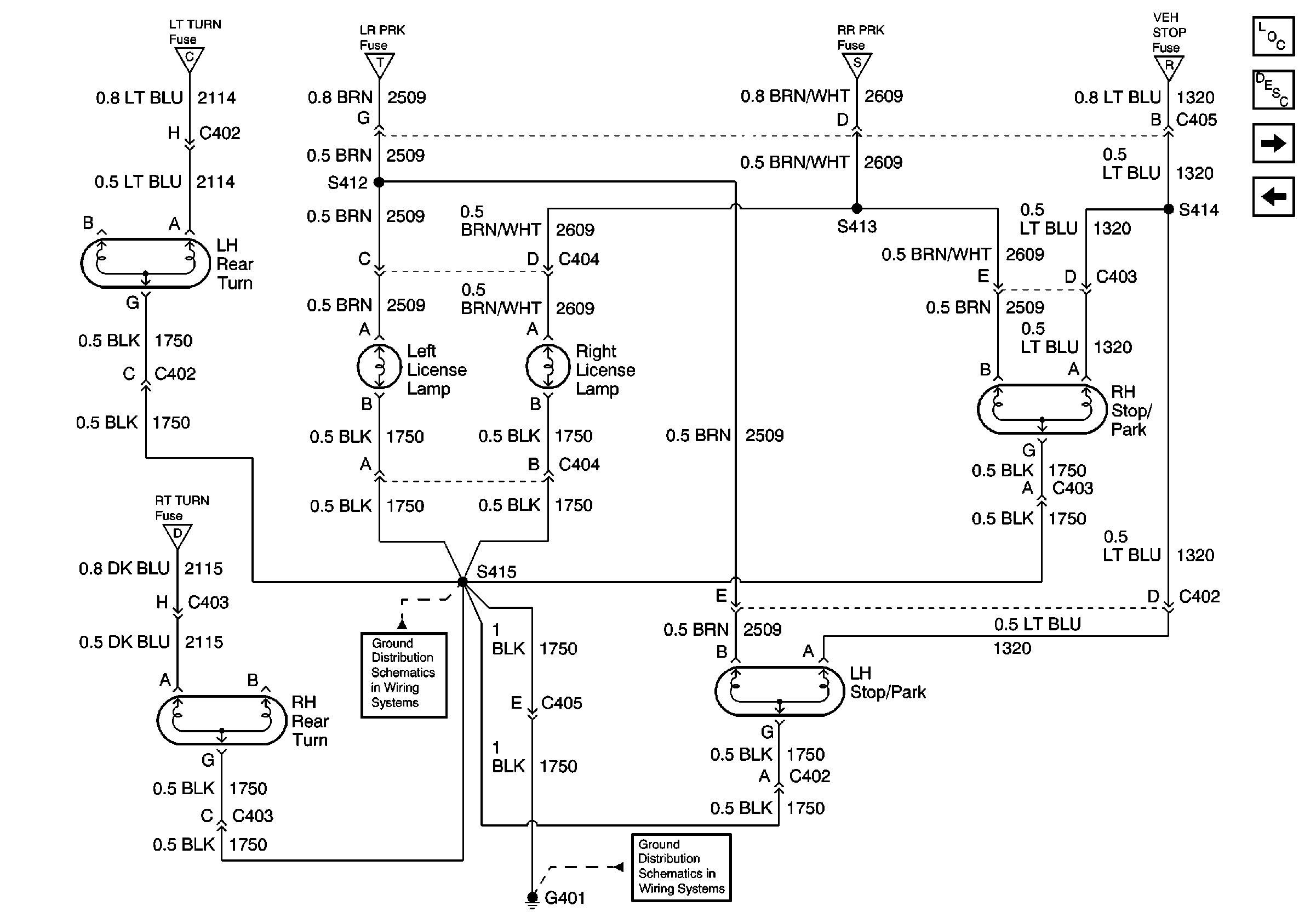
🢒 Rear Stop, Tail, Turn and License Lamps, G401- Utilities
Rear Stop, Tail, Turn and License Lamps, G401- Utilities
Rear Stop, Tail, Turn and License Lamps, G401- Utilities
Front and Rear Turn and Park Lamps, BCM, IPC, LT Turn and RT Turn Fuse
Park Lamp Relay, Front Marker Lamps, BCM
Park Lamp Relay, Front Marker Lamps, BCM
LH, RH, License Lamps, LH, RH Tail/Stop Lamps, CHMSL - Pickup
Ground Distribution Schematics
Ground Distribution Schematics
Lighting Systems Components
Exterior Lights Circuit Description
Puddle Lamp Relay, BCM, G200, LH and RH Puddle Lamps and G203
LH, RH, License Lamps, LH, RH Tail/Stop Lamps, CHMSL - Pickup
Front and Rear Turn and Park Lamps, BCM, IPC, LT Turn and RT Turn Fuse