GM Service Manual Online
For 1990-2009 cars only
Makes
🢒
Chevrolet
🢒
2000
🢒
Chevy C Silverado - 2WD
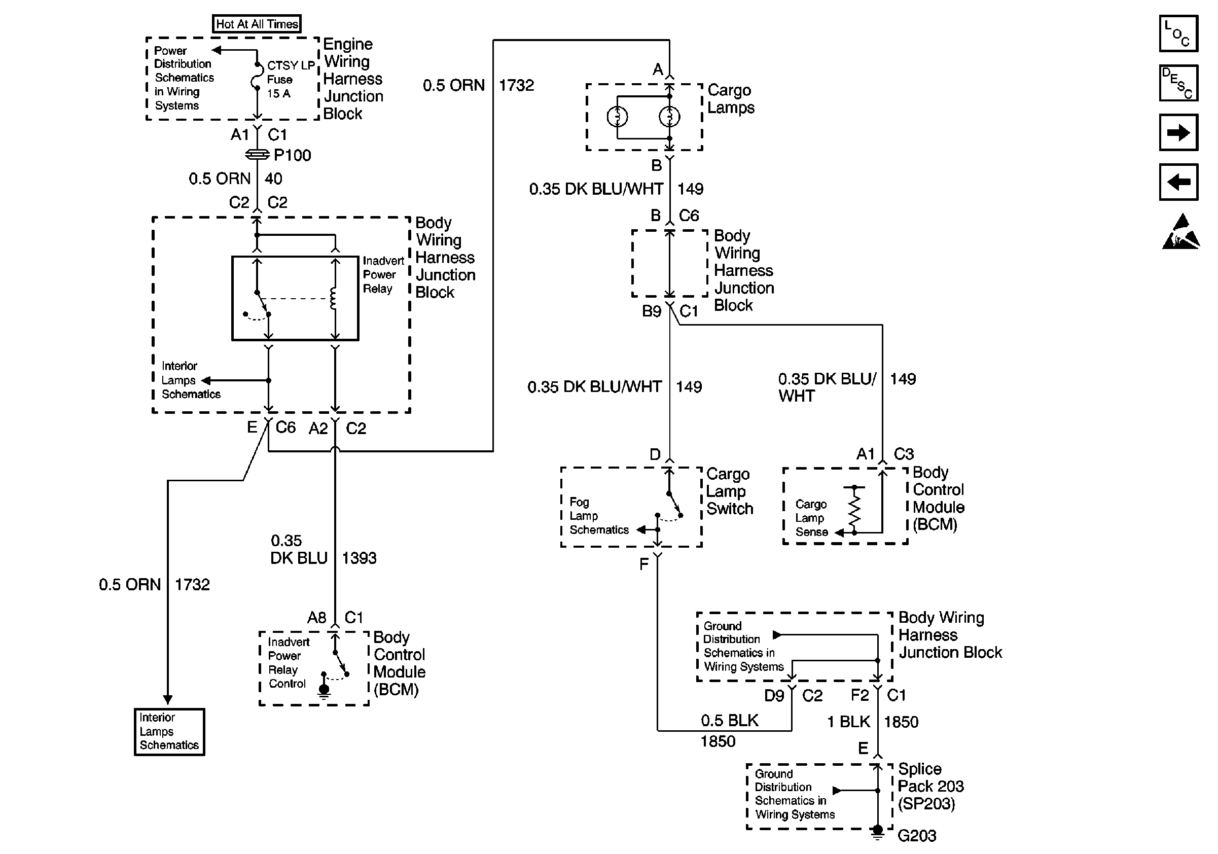
🢒 BCM, G203, Cargo Lamp, CTSY LP Fuse, Inadvertent Power Relay
BCM, G203, Cargo Lamp, CTSY LP Fuse, Inadvertent Power Relay
BCM, G203, Cargo Lamp, CTSY LP Fuse, Inadvertent Power Relay
Lighting Systems Components
Exterior Lights Circuit Description
Roof Beacon Switch and Relay, G203, G305
Puddle Lamp Relay, BCM, G200, LH and RH Puddle Lamps and G203
Handling ESD Sensitive Parts Notice
Power Distribution Schematics
Interior Lights Schematics Base Pickup
Interior Lights Schematics Base Pickup
Ground Distribution Schematics
Ground Distribution Schematics