GM Service Manual Online
For 1990-2009 cars only
Makes
🢒
Chevrolet
🢒
2000
🢒
Chevy C Silverado - 2WD
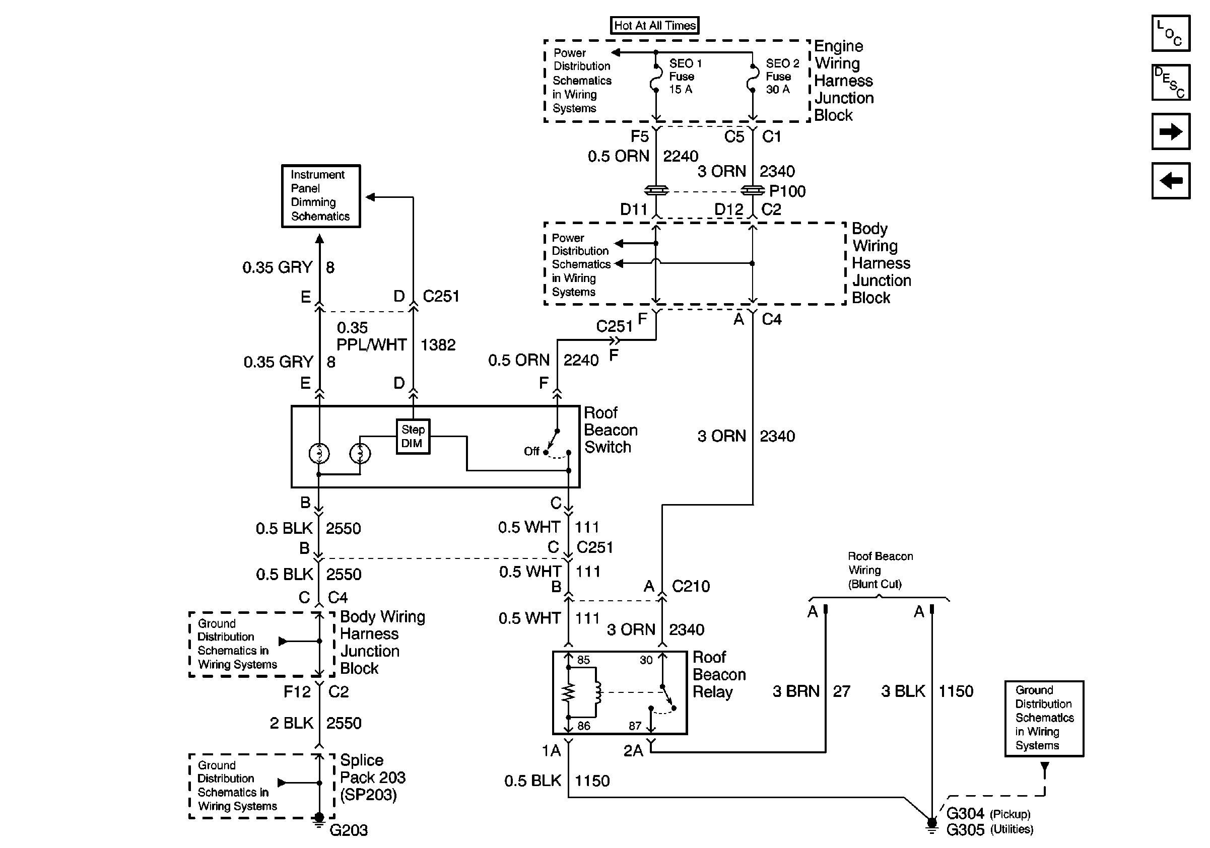
🢒 Roof Beacon Switch and Relay, G203, G305
Roof Beacon Switch and Relay, G203, G305
Roof Beacon Switch and Relay, G203, G305
Power Distribution Schematics
Power Distribution Schematics
Interior Lights Dimming Schematics Pickup
Ground Distribution Schematics
Ground Distribution Schematics
Ground Distribution Schematics
Lighting Systems Components
Exterior Lights Circuit Description
Light Duty Trailer Wiring, G401
BCM, G203, Cargo Lamp, CTSY LP Fuse, Inadvertent Power Relay