GM Service Manual Online
For 1990-2009 cars only

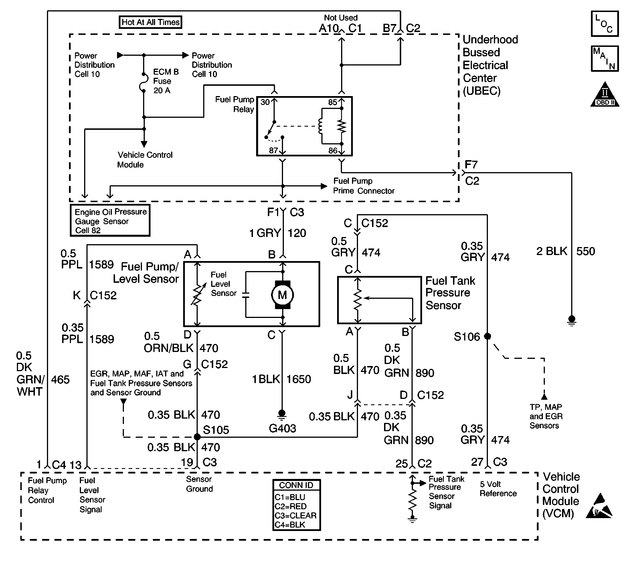
Object Number: 593511  Size: LF
Engine Controls Components
EGR Valve, EVAP Purge Valve, EVAP Vent Solenoid, VCM
OBD II Symbol Description Notice
Handling ESD Sensitive Parts Notice
VCM Connector End Views

Circuit Description

The vehicle control module (VCM) requires an accurate indication of fuel level for evaporative emission (EVAP) system diagnosis. The fuel level in the fuel tank changes the rate of vacuum decay for the EVAP system leak diagnostic trouble codes (DTCs).

The fuel level sensor changes resistance based on fuel level. The fuel level sensor has a signal circuit and a ground circuit. The VCM applies about 5 volts on the signal circuit to the sensor. The VCM monitors changes in this voltage caused by changes in the resistance of the sensor in order to determine fuel level.

When the fuel tank is full, the sensor resistance is high, and the VCM signal voltage is only pulled down a small amount through the sensor to ground. Therefore, the VCM will sense a high signal voltage, or a full fuel tank. When the fuel tank is empty, the sensor resistance is low, and the signal voltage is pulled down a greater amount. This causes the VCM to sense a low signal voltage, or an empty fuel tank.

The VCM uses the input from the fuel level sensor to calculate the fuel level in the fuel tank. This information is then sent to the instrument panel cluster (IPC) through serial data.

The diagnostic will not run when the tank is more than 85 percent or less than 15 percent full. This sensor signal disables the misfire when the fuel levels are less than 15 percent.

Conditions for Running the DTC

The VCM has confirmed that the fuel tank is between 15 percent and 85 percent full.

Conditions for Setting the DTC

The VCM does not detect a decrease in fuel level over a distance of 320 Km (200 miles).

Action Taken When the DTC Sets

    • The control module stores the DTC in history after the first failure but will not illuminate the malfunction indicator lamp (MIL).
    • The control module records the operating conditions at the time the diagnostic fails. The control module stores the failure information in the scan tools Freeze Frame/Failure Records.

Conditions for Clearing the MIL/DTC

    • A history DTC will clear if no fault conditions have been detected for 40 warm-up cycles.
    • A warm-up cycle occurs when the coolant temperature has risen 22°C (40°F) from the startup coolant temperature and the engine coolant temperature exceeds 70°C (160°F) during the same ignition cycle.
    • Use the scan tool Clear Information function.

Diagnostic Aids

Important: Fuel level is used in order to determine EVAP system diagnosis. Always diagnose the fuel level sensor before any other EVAP system components or DTCs.

Do not use the fuel gauge as an indication of a shorted or open circuit as the IPC may always default to EMPTY or FULL depending upon the vehicle model.

Check for the following conditions:

    • A poor connection or damaged harness -- Inspect VCM harness connectors for the following:
       - Backed out terminals
       - Improper mating
       - Broken locks
       - Poor wire to terminal connections
    • Intermittent test -- Monitor a scan tool or digital voltmeter connected between the related circuits while moving the connectors and harnesses. If the failure is induced, the voltage reading will change. This will help locate a circuit problem.

Test Description

The numbers below refer to the step numbers on the diagnostic table.

  1. This step determines if there is a wiring problem.

  2. This step determines if the fuel level sensor signal and ground circuits are OK.

Step

Action

Value(s)

Yes

No

1

Did you perform the Powertrain On-Board Diagnostic (OBD) System Check?

--

Go to Step 2

Go to Powertrain On Board Diagnostic (OBD) System Check

2

Important: : If DTCs P0462 and P0463 are also set, diagnose these codes first.

  1. Turn OFF the ignition.
  2. Disconnect the fuel level sensor electrical connector at the fuel tank.
  3. Turn ON the ignition, leaving the engine OFF.
  4. Monitor the fuel level sensor voltage using the scan tool.

Is the fuel level voltage near the specified value?

5.0 V

Go to Step 3

Go to Step 4

3

  1. Jumper the fuel level sensor signal and ground circuits together.
  2. Monitor the fuel level sensor voltage using the scan tool.

Is the fuel level sensor voltage near the specified value?

0.0 V

Go to Step 5

Go to Step 6

4

Repair the open or short to ground in the fuel level signal circuit.

Is the action complete?

--

Go to Step 11

Go to Step 9

5

Check the fuel level sender for the following:

    • Corrosion and proper mating at electrical connections
    • Proper alignment in the fuel tank
    • Restricted or binding fuel level float

Was a problem found?

--

Go to Step 7

Go to Step 8

6

Check the fuel level signal and ground circuits for an open.

Was a problem found?

--

Go to Step 7

Go to Step 9

7

Repair as necessary.

Is the action complete?

--

Go to Step 11

--

8

Replace the fuel level sensor. Refer to Fuel Sender Assembly Replacement .

Is the action complete?

--

Go to Step 11

--

9

  1. Check terminal contact at the VCM.
  2. Repair terminal contact if needed.

Was terminal contact repaired?

--

Go to Step 11

Go to Step 10

10

  1. Replace the VCM.
  2. Program the new VCM. Refer to VCM Replacement/Programming .
  3. Perform the VTD Password Learn Procedure. Refer to PASSLOCK Reprogramming Auto Learn in Theft Deterrent.
  4. Perform the CKP System Variation Learning Procedure. Refer to Crankshaft Position System Variation Learn .

Is the action complete?

--

Go to Step 11

--

11

  1. Using the scan tool, clear the DTCs.
  2. Start the engine.
  3. Select DTC and the Specific DTC function.
  4. Enter the DTC number which was set.
  5. Operate the vehicle, with the Conditions for Setting this DTC, until the scan tool indicates the diagnostic Ran.

Does the scan tool indicate the diagnostic Passed?

--

Go to Step 12

Go to Step 2

12

Does the scan tool display any additional undiagnosed DTCs?

--

Go to the applicable DTC table

System OK