GM Service Manual Online
For 1990-2009 cars only
Makes
🢒
Chevrolet
🢒
2000
🢒
Chevy C Silverado - 2WD
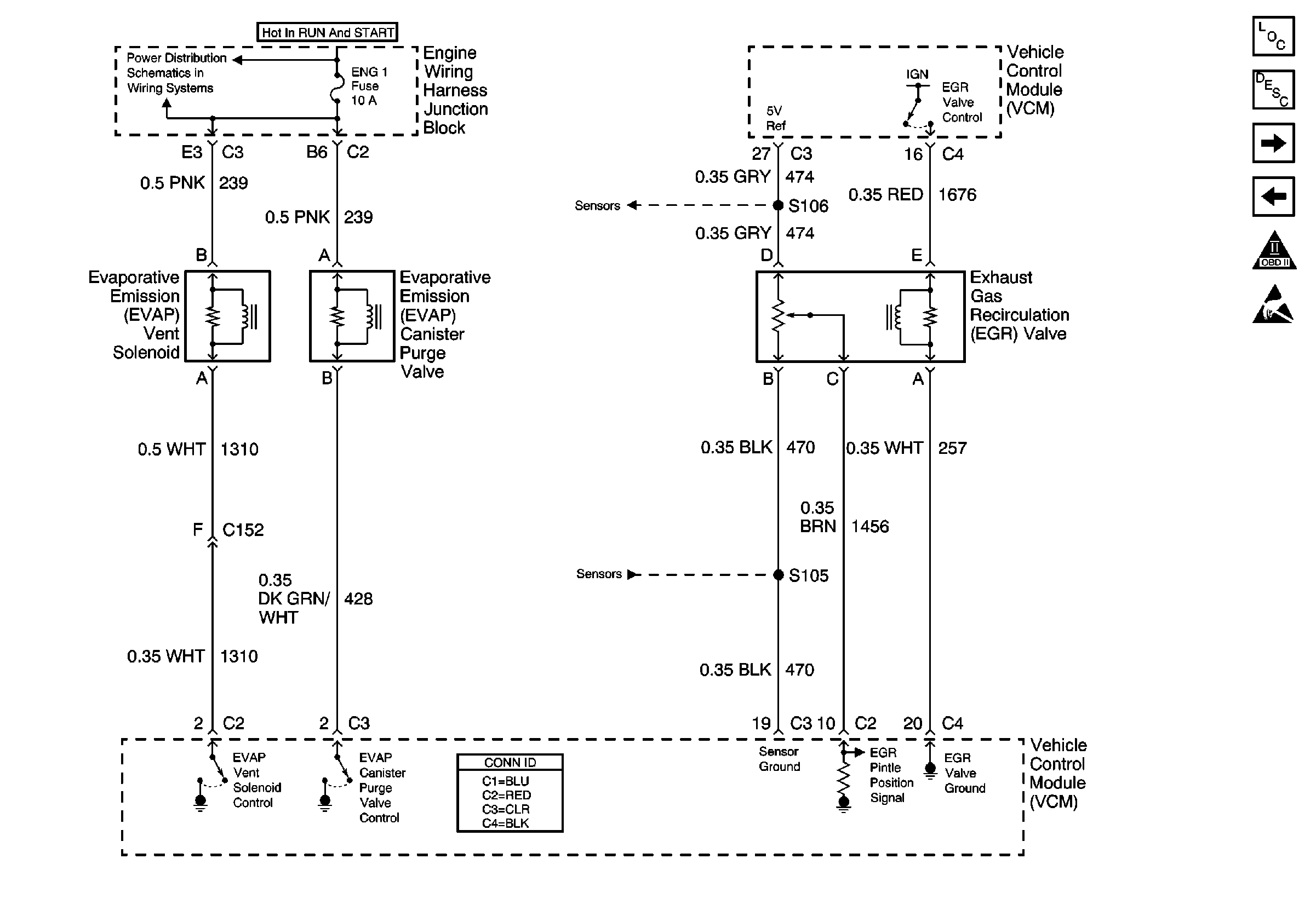
🢒 EGR Valve, EVAP Purge Valve, EVAP Vent Solenoid, VCM
EGR Valve, EVAP Purge Valve, EVAP Vent Solenoid, VCM
EGR Valve, EVAP Purge Valve, EVAP Vent Solenoid, VCM
Engine Controls Components
Evaporative Emission Control System Operation Description Enhanced
EBCM, Oil Level Switch, ATC Module, Coolant Level Switch, G102, G104
VCM, HO2 Sensors, G104
OBD II Symbol Description Notice
Handling ESD Sensitive Parts Notice
Power Distribution Schematics