GM Service Manual Online
For 1990-2009 cars only

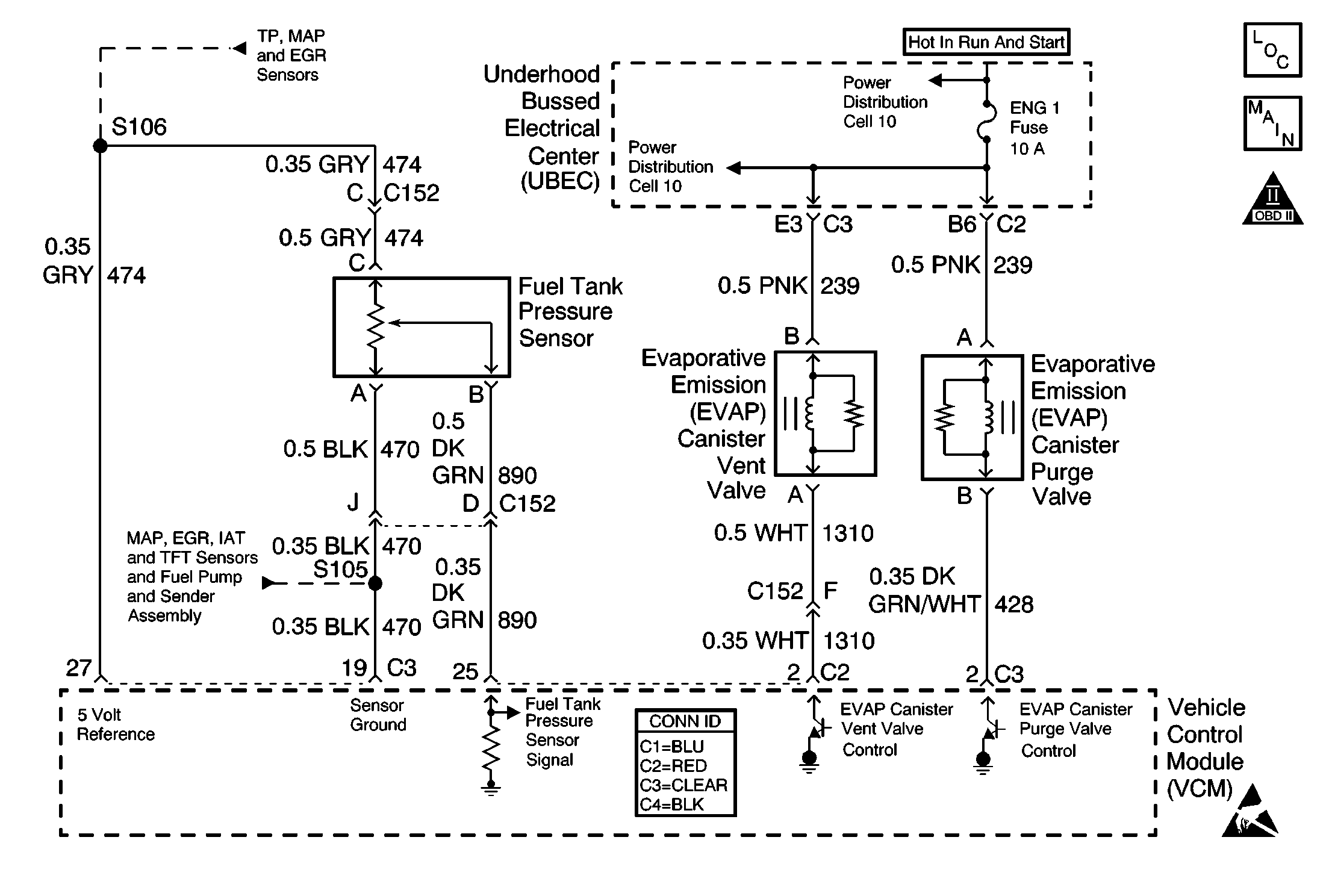
Object Number: 593504  Size: MF
Engine Controls Components
EGR Valve, EVAP Purge Valve, EVAP Vent Solenoid, VCM
OBD II Symbol Description Notice
Handling ESD Sensitive Parts Notice
VCM Connector End Views

Circuit Description

The fuel tank pressure sensor responds to changes in the fuel tank pressure or vacuum. This information is used in order to detect vacuum decay or an excessive vacuum during the evaporative emission (EVAP) diagnostic routing. The fuel tank pressure sensor signal voltage to the vehicle control module (VCM) varies from a minimum of approximately 0.1 volts with pressure in the fuel tank to more than 4.0 volts with a high vacuum in the fuel tank.

The fuel tank pressure sensor display on the scan tool has an auto zero feature which occurs at each ignition cycle and is corrected according to the barometric pressure. Because of this, the fuel tank pressure sensor display may not accurately reflect the actual output of the sensor or the conditions within the fuel tank.

The fuel tank pressure sensor diagnosis table is intended to isolate and diagnose the electrical problems with the sensor wiring or the sensor.

Conditions for Running the DTC

The ignition switch is in the RUN position.

Conditions for Setting the DTC

The fuel tank pressure sensor voltage is more than 4.98 volts for more than 5 seconds.

Action Taken When the DTC Sets

    • The control module illuminates the malfunction indicator lamp (MIL) if a failure is detected during 2 consecutive key cycles.
    • The control module sets the DTC and records the operating conditions at the time the diagnostic failed. The failure information is stored in the scan tool Freeze Frame/Failure Records.

Conditions for Clearing the MIL or DTC

    • The control module turns OFF the MIL after 3 consecutive drive trips when the test has run and passed.
    • A history DTC will clear if no fault conditions have been detected for 40 warm-up cycles. A warm-up cycle occurs when the coolant temperature has risen 22°C (40°F) from the startup coolant temperature and the engine coolant reaches a temperature that is more than 70°C (158°F) during the same ignition cycle.
    • Use a scan tool in order to clear the DTCs.

Diagnostic Aids

    • Inspect the control module harness connectors for:
       - Improper mating
       - Broken locks
       - Improperly formed
       - Damaged terminals
    • Inspect the wiring harness for damage. If the harness appears OK, observe the fuel tank pressure sensor display on the scan tool while you move he connectors and the wiring harnesses that are related to the sensor. A change in the display will indicate the location of the fault. Refer to Wiring Repairs in Wiring Systems if a fault in the wiring is found.

Test Description

The numbers below refer to the step numbers on the diagnostic table.

  1. If the evaporative emissions (EVAP) fuel tank pressure sensor value is less than -16.50 in. H2O, an EVAP fuel tank pressure sensor circuit problem may be present or a fuel tank pressure sensor may be internally shorted. Note that -17.32 in. H20 is less than -16.50 in. 20.

  2. If the EVAP fuel tank pressure sensor value is less than 7.4 in. H2O, the fault is the EVAP fuel tank pressure sensor or the reference voltage is higher than 5.00 volts. With good circuits, a disconnected fuel tank pressure sensor should indicate 7.4 in. H2O.

  3. A high voltage reading on the 5-volt reference circuit could be caused by a short to voltage on another 5-volt reference circuit. Some 5-volt reference circuits are shared inside and outside the VCM. A defective linear EGR valve may bleed battery voltage onto the 5-volt reference circuit.

Step

Action

Value(s)

Yes

No

1

Did you perform the Powertrain On-Board Diagnostic (OBD) System Check?

--

Go to Step 2

Go to Powertrain On Board Diagnostic (OBD) System Check

2

  1. Connect a scan tool.
  2. Turn the key ON.
  3. Monitor the EVAP fuel tank pressure sensor display.

Does the EVAP fuel tank pressure sensor display vacuum less than the specified value?

-16.50 in. H2O

Go to Step 3

Go to Diagnostic Aids

3

Disconnect the EVAP fuel tank pressure sensor connector.

Does the EVAP fuel tank pressure sensor display more pressure than the specified value?

7.0 in. H2O

Go to Step 4

Go to Step 5

4

Use the DMM in order to measure the voltage at the 5-volt reference circuit to ground at the EVAP fuel tank pressure sensor connector.

Is the voltage higher than the specified value?

5.20 V

Go to Step 7

Go to Step 8

5

Use the DMM in order to measure the voltage between the sensor signal circuit for the fuel tank pressure and a ground.

Is the voltage more than the specified value?

0.5 V

Go to Step 6

Go to Step 10

6

Repair the short to voltage on the EVAP fuel tank pressure sensor signal circuit.

Is the repair complete?

--

Go to Step 12

--

7

Repair the short to voltage on the 5-volt reference circuit.

Is the repair complete?

--

Go to Step 12

--

8

  1. Check terminal contact at the EVAP fuel tank pressure sensor.
  2. Repair the terminal contact if necessary.

Was terminal contact repaired?

--

Go to Step 12

Go to Step 9

9

Replace the EVAP fuel tank pressure sensor. Refer to Fuel Tank Pressure Sensor Replacement .

Is the replacement complete?

--

Go to Step 12

--

10

  1. Check terminal contact at the VCM.
  2. Repair terminal contact if necessary.

Was terminal contact repaired?

--

Go to Step 12

Go to Step 11

11

  1. Replace the VCM.
  2. Program the new VCM. Refer to VCM Replacement/Programming .
  3. Perform the VTD Password® Learn Procedure. Refer to PASSLOCK Reprogramming Auto Learn in Theft Deterrent.
  4. Perform the CKP System Variation Learning Procedure. Refer to Crankshaft Position System Variation Learn .

Is the action complete?

--

Go to Step 12

--

12

  1. Use the scan tool in order to clear the DTCs.
  2. Start the engine.
  3. Allow the engine to idle until the engine reaches the normal operating temperature.
  4. Select DTC, then select the Specific DTC function.
  5. Enter the DTC number which was set.
  6. Operate the vehicle with the conditions for Setting this DTC until the scan tool indicates the diagnostic Ran.

Does the scan tool indicate the diagnostic Passed?

--

Go to Step 13

Go to Step 2

13

Does the scan tool display any additional undiagnosed DTCs?

--

Go to the applicable DTC table

System OK