GM Service Manual Online
For 1990-2009 cars only

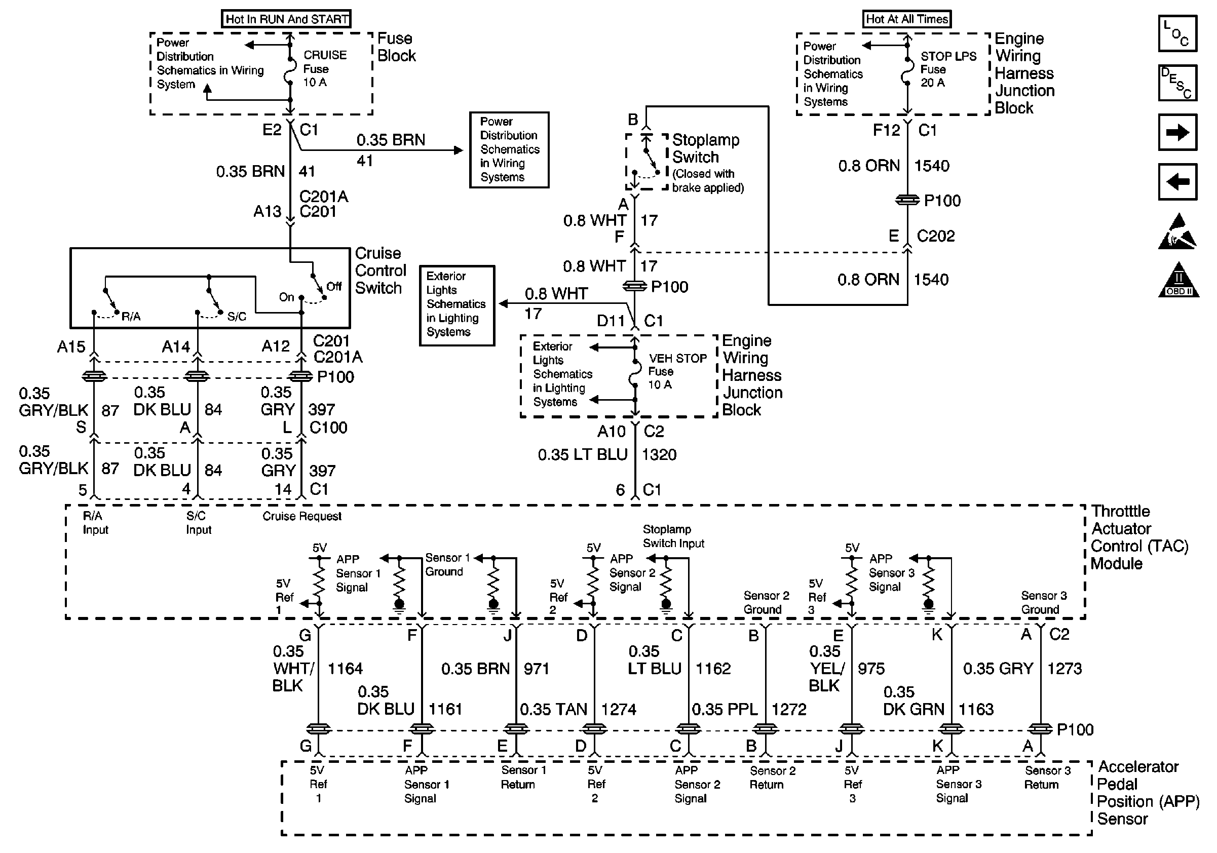
Refer to Engine Controls Schematics

Control Module, Cruise Control Switch, APP Sensor


Object Number: 449875  Size: FS
Engine Controls Components
Evaporative Emission Control System Operation Description
HVAC Module, A/C Pressure Switches, Mode Door Motors
PCM, TP Sensor, TAC Motor, TAC Module
Handling ESD Sensitive Parts Notice
OBD II Symbol Description Notice
Power Distribution Schematics
Power Distribution Schematics
Power Distribution Schematics
Exterior Lights Schematics
Exterior Lights Schematics
.

Circuit Description

The accelerator pedal position (APP) sensor is mounted on the accelerator pedal assembly. The sensor is actually 3 individual APP sensors within one housing. Three separate signals, grounds, and 5 volt reference circuits are used in order to connect the APP sensor assembly and the throttle actuator control (TAC) module. If only one APP sensor DTC is set, the redundant APP systems allow the TAC system to continue operating normally. This DTC sets if the powertrain control module (PCM) detects a condition with more than one APP sensor. One APP sensor DTC will not cause the REDUCED ENGINE POWER message to be displayed. Two APP sensor DTCs for the same sensor also will not cause the REDUCED ENGINE POWER message to be displayed. However, if 2 or more DTCs are set involving more than one APP sensor, this DTC will set and the REDUCED ENGINE POWER message is displayed.

Conditions for Running the DTC

    • No active TAC module DTCs.
    • The ignition switch is in the crank or run position.
    • The ignition voltage is more than 5.23 volts.

Conditions for Setting the DTC

    • Two or more APP sensors are out of range or all 3 APP sensors disagree, or one APP sensor is out of range and the other 2 APP sensors disagree.
    • All of the above conditions are met for less than 1 second.

Action Taken When the DTC Sets

    • The PCM stores the DTC information into memory when the diagnostic runs and fails.
    • The PCM illuminates the malfunction indicator lamp (MIL) when the diagnostic runs and fails.
    • The PCM records the operating conditions at the time the diagnostic fails. The PCM stores this information in the Freeze Frame and/or Failure Records.
    • The TAC system operates in reduced engine power mode. If certain TAC system DTCs are set at the same time, the TAC system may command the engine to shut down.

Conditions for Clearing the MIL/DTC

    • The PCM turns OFF the malfunction indicator lamp (MIL) after 3 consecutive ignition cycles that the diagnostic runs and does not fail.
    • A last test failed, or current DTC, clears when the diagnostic runs and does not fail.
    • A history DTC clears after 40 consecutive warm-up cycles, if no failures are reported by this or any other emission related diagnostic.
    • Use a scan tool in order to clear the MIL and the DTC.

Diagnostic Aids

Important: Remove any debris from the PCM or TAC module connector surfaces before servicing the PCM or TAC module. Inspect the PCM or TAC module connector gaskets when diagnosing or replacing the modules. Ensure that the gaskets are installed correctly. The gaskets prevent contaminate intrusion into the PCM or TAC modules.

    • For any test that requires probing the PCM or a component harness connector, use the J 35616 Connector Test Adapter Kit . Using this kit prevents damage to the harness or component terminals. Refer to Using Connector Test Adapters in Wiring Systems.
    • The following may cause an intermittent:
       - Poor connections--Refer to Testing for Intermittent Conditions and Poor Connections in Wiring Systems .
       - Corrosion
       - Misrouted harness
       - Rubbed through wire insulation
       - Broken wire inside the insulation
    • For an intermittent, refer to Symptoms .
    • Inspect the TAC module connectors for signs of water intrusion. When this occurs, multiple DTCs should be set and no circuit or component conditions can be located.
    • The APP sensor 1 and the TP sensor 1 5-volt reference circuits are internally connected within the TAC module.
    •  The APP sensor 2 and the TP sensor 2 5-volt reference circuits are internally connected within the TAC module.
    • When the TAC module detects a condition within the TAC System, more than one TAC System related DTC may set. This is due to the many redundant tests run continuously on this system. Locating and repairing one individual condition may correct more than one DTC. Keep this in mind when reviewing captured DTC info.

Test Description

The number below refers to the step number on the diagnostic table.

  1. When the problems are corrected which are causing the APP sensor DTCs to set, the status of this DTC will change to History.

    When the TAC module detects a problem within the TAC system, more than one TAC system related DTC may set. This is due to the many redundant tests run continuously on this system. Locating and repairing one individual problem may correct more than one DTC. Keep this in mind when reviewing captured DTC info.

DTC P1125 - Accelerator Pedal Position (APP) Sensor System

Step

Action

Value(s)

Yes

No

1

Did you perform the Powertrain On-Board Diagnostic (OBD) System Check?

--

Go to Step 2

Go to Powertrain On Board Diagnostic (OBD) System Check

2

This DTC indicates that 2 or more APP sensors disagree or are out of range. Review the DTCs. Refer to the APP sensor DTCs that are set and perform those diagnostic procedures.

Are there any other APP sensor DTCs?

--

Go to the applicable DTC table

--