GM Service Manual Online
For 1990-2009 cars only

Object Number: 581827  Size: LF
Lighting Systems Components
Exterior Lights Schematics
Handling ESD Sensitive Parts Notice
Exterior Lights Schematics
Ground Distribution Schematics
Power Distribution Schematics
Exterior Lights Schematics
Exterior Lights Schematics
Ground Distribution Schematics

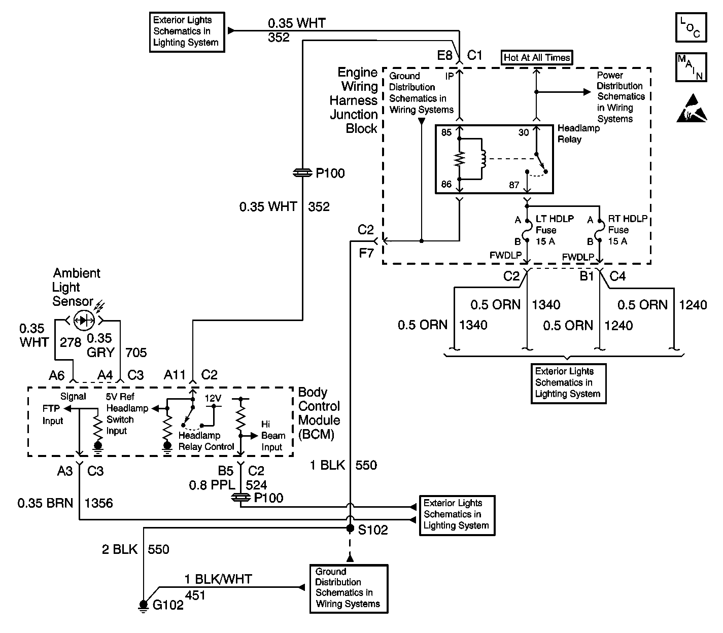
Headlight Circuit Description

The engine wiring harness junction block supplies battery positive voltage to the normally open headlamp relay switch circuit. The TBC 10 A fuse in the engine wiring harness junction block supplies battery positive voltage to the headlamp and dimmer switch assembly. The body control module (BCM) also supplies battery positive voltage to the headlamp relay coil circuit for automatic headlight control. The coil circuit of the headlamp relay is then grounded at G102. When the driver places the headlamp switch in the HEADLAMP position, the headlamp relay is energized. Depending on the position of the dimmer switch, the current flow is to both the left and right headlamp fuse, and to either the low or high beam headlamps. From the dimmer switch, the current flow is to ground at G203.

The TBC 10 A fuse in the engine wiring harness junction block supplies battery positive voltage to the headlight and dimmer switch assembly flash to pass switch. When the headlamp dimmer switch handle is pulled toward the driver, both flash-to-pass switches close, one grounding the high beam circuit at G203. A second flash to pass switch also closes providing battery positive voltage to the BCM flash-to-pass input.

The ambient light sensor is a light sensitive transistor that varies its voltage signal to the body control module (BCM) in response to changes to the outside (ambient) light level. When the BCM receives this signal, and the headlamp switch is in the AUTO position, the BCM will either turn on the daytime running lamps (DRL) or turns on the low beam headlamps.

Conditions for Running the DTC

    • The battery voltage must be between 9.0 and 16.0 volts.
    • Ignition switch in the RUN position.
    • The headlamp and panel dimmer switch must be turned to the ON position or the ambient light sensor must be in the DARK state with the headlamp and panel dimmer switch in the AUTO position.
    • The park brake must be released.

Conditions for Setting the DTC

    • The headlamps and panel dimmer switch in the AUTO mode.
    • The ambient light sensor state is in the DARK state.
    • The headlamp control circuit shorted to ground.
    • The above conditions must be met for 0.5 seconds.

Action Taken When the DTC Sets

The headlamps will not operate with the headlamp and panel dimmer switch in the AUTO position and the ambient light state is DARK.

Conditions for Clearing the DTC

    • This DTC will clear current status after the condition for setting the fault is corrected.
    • A history DTC will clear after 100 consecutive ignition cycles without a fault present.
    • A clear codes message is sent by the scan tool.

Diagnostic Aids

Important: If the headlamps are manually turned ON when the headlamp control circuit is shorted to ground the TBC fuse will blow and the headlamp and panel dimmer switch can be damaged. When the TBC fuse opens, the scan tool will lose communication with the BCM.

    • Perform a visual check for loose or poor connections at all related components.
    • Refer to Testing for Intermittent Conditions and Poor Connections in Wiring Systems.

Test Description

The number(s) below refer to the step number(s) on the diagnostic table.

  1. Listen for an audible click when the headlamp relay operates. Command both the ON and OFF states. Repeat the commands as necessary.

  2. Verifies that the body control module is providing voltage to the headlamp relay.

  3. Tests for an open in the ground circuit to the headlamp relay.

  4. Tests if voltage is constantly being applied to the headlamp relay.

  5. Tests for a short to ground on the control circuit of the headlamp relay.

  6. After replacement of the BCM you must calibrate the new module for proper operation.

Step

Action

Yes

No

1

Did you perform the Lighting System Diagnostic System Check?

Go to Step 2

Go to Diagnostic System Check - Lighting Systems

2

  1. Install a scan tool.
  2. Turn ON the ignition, with the engine OFF.
  3. With a scan tool, command the headlamp relay ON and OFF.

Does the headlamp relay turn ON and OFF with each command?

Go to Diagnostic Aids

Go to Step 3

3

  1. Turn OFF the ignition.
  2. Disconnect the headlamp relay.
  3. Turn ON the ignition, with the engine OFF.
  4. Probe the control circuit of the headlamp relay with a test lamp connected to a good ground.
  5. With a scan tool, command the headlamp relay ON and OFF.

Does the test lamp turn ON and OFF with each command?

Go to Step 4

Go to Step 5

4

  1. Connect a test lamp between the control circuit of the headlamp relay and the ground circuit of the headlamp relay.
  2. With a scan tool, command the headlamp relay ON and OFF.

Does the test lamp turn ON and OFF with each command?

Go to Step 8

Go to Step 10

5

Does the test lamp remain illuminated with each command?

Go to Step 7

Go to Step 6

6

Test the control circuit of the headlamp relay for a short to ground. Refer to Circuit Testing and Wiring Repairs in Wiring Systems.

Did you find and correct the condition?

Go to Step 13

Go to Step 9

7

Test the control circuit of the headlamp relay for a short to voltage. Refer to Circuit Testing and Wiring Repairs in Wiring Systems.

Did you find and correct the condition?

Go to Step 13

Go to Step 9

8

Inspect for poor connections at the headlamp relay. Refer to Testing for Intermittent Conditions and Poor Connections and Connector Repairs in Wiring Systems.

Did you find and correct the condition?

Go to Step 13

Go to Step 11

9

Inspect for poor connections at the harness connector of the body control module. Refer to Testing for Intermittent Conditions and Poor Connections and Connector Repairs in Wiring Systems.

Did you find and correct the condition?

Go to Step 13

Go to Step 12

10

Repair the ground circuit of the headlamp relay. Refer to Wiring Repairs in Wiring Systems.

Did you complete the repair?

Go to Step 13

--

11

Replace the headlamp relay.

Did you complete the replacement?

Go to Step 13

--

12

Important: Perform the setup procedure for the body control module.

Replace the body control module. Refer to Body Control Module Replacement in Body Control System.

Did you complete the replacement?

Go to Step 13

--

13

  1. Use the scan tool in order to clear the DTCs.
  2. Operate the vehicle within the Conditions for Running the DTC as specified in the supporting text.

Does the DTC reset?

Go to Step 2

System OK