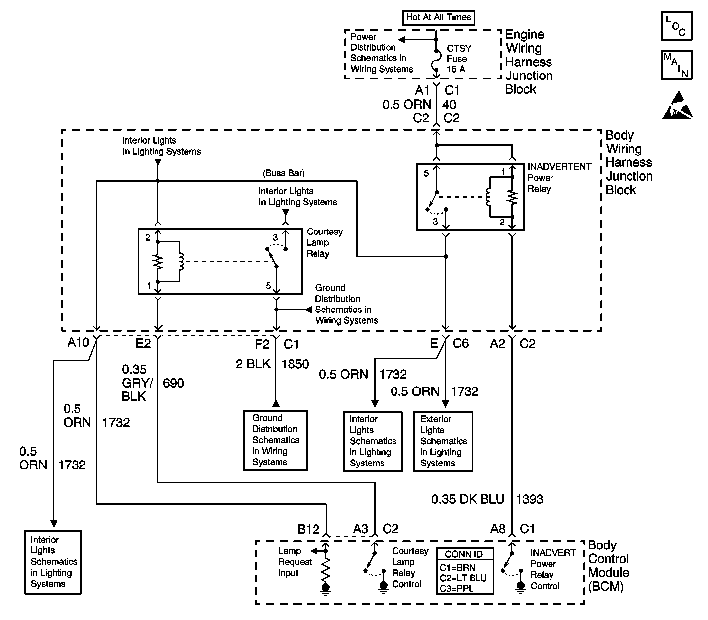
The battery rundown protection function allows the body control module (BCM) to disable the courtesy lamps, the cargo lamps and the underhood lamp 40 minutes after the ignition switch is turned OFF. The BCM monitors the output of the inadvertent power relay on CKT 1732.
The system voltage must be between 9.0 and 16.0 volts.
| • | When the BCM commands the inadvertent power relay ON via CKT 1393 and CKT 1732 has an absence of voltage at the BCM, DTC B1480 will set. |
| • | The above conditions must be met for 0.5 seconds. |
The following lamps will be disabled:
| • | The dome |
| • | The glove box |
| • | The reading |
| • | The underhood |
| • | The vanity |
| • | This DTC will clear on current status after the condition for setting the fault is corrected. |
| • | A history DTC will clear after 100 consecutive ignition cycles without a fault present. |
| • | A scan tool may be used to clear history and current DTC's. |
| • | Perform a visual inspection for loose or poor connections at all related components. |
| • | Check for an open in CKT 40 or an open CTSY LP fuse. |
| • | Refer to Testing for Intermittent Conditions and Poor Connections in Wiring Systems. |
The number(s) below refer to the step number(s) on the diagnostic table.
Listen for an audible click when the inadvertent power relay operates. Command both the ON and OFF states. Repeat the commands as necessary.
Tests for voltage at the coil side of the inadvertent power relay. The CTSY fuse supplies power to the coil side of the inadvertent power relay.
Verifies that the body control module is providing ground to the inadvertent power relay.
Tests if ground is constantly being applied to the inadvertent power relay.
Since this is a general circuit malfunction code, it is necessary to test for both a short to voltage as well as an open on this circuit.
Step | Action | Value(s) | Yes | No |
|---|---|---|---|---|
1 | Did you perform the Body Control Module Diagnostic System Check? | -- | Go to Step 2 | |
Does the inadvertent power relay turn ON and OFF with each command? | -- | Go to Diagnostic Aids | Go to Step 3 | |
Does the test lamp illuminate? | -- | Go to Step 4 | Go to Step 10 | |
Does the test lamp turn ON and OFF with each command? | -- | Go to Step 8 | Go to Step 5 | |
Does the test lamp remain illuminated with each command? | -- | Go to Step 7 | Go to Step 6 | |
Test the control circuit of the inadvertent power relay for a short to voltage or an open. Refer to Circuit Testing and Wiring Repairs in Wiring Systems. Did you find and correct the condition? | -- | Go to Step 13 | Go to Step 9 | |
7 | Test the control circuit of the inadvertent power relay for a short to ground. Refer to Circuit Testing and Wiring Repairs in Wiring Systems. Did you find and correct the condition? | -- | Go to Step 13 | Go to Step 9 |
8 | Inspect for poor connections at the inadvertent power relay. Refer to Testing for Intermittent Conditions and Poor Connections and Connector Repairs in Wiring Systems. Did you find and correct the condition? | -- | Go to Step 13 | Go to Step 11 |
9 | Inspect for poor connections at the harness connector of the body control module. Refer to Testing for Intermittent Conditions and Poor Connections and Connector Repairs in Wiring Systems. Did you find and correct the condition? | -- | Go to Step 13 | Go to Step 12 |
10 | Repair the coil side feed circuit of the inadvertent power relay. Refer to Wiring Repairs in Wiring Systems. Did you complete the repair? | -- | Go to Step 13 | -- |
11 | Replace the inadvertent power relay. Did you complete the replacement? | -- | Go to Step 13 | -- |
12 |
Did you complete the replacement? | -- | Go to Step 13 | -- |
13 |
Does the DTC reset? | -- | Go to Step 2 | System OK |