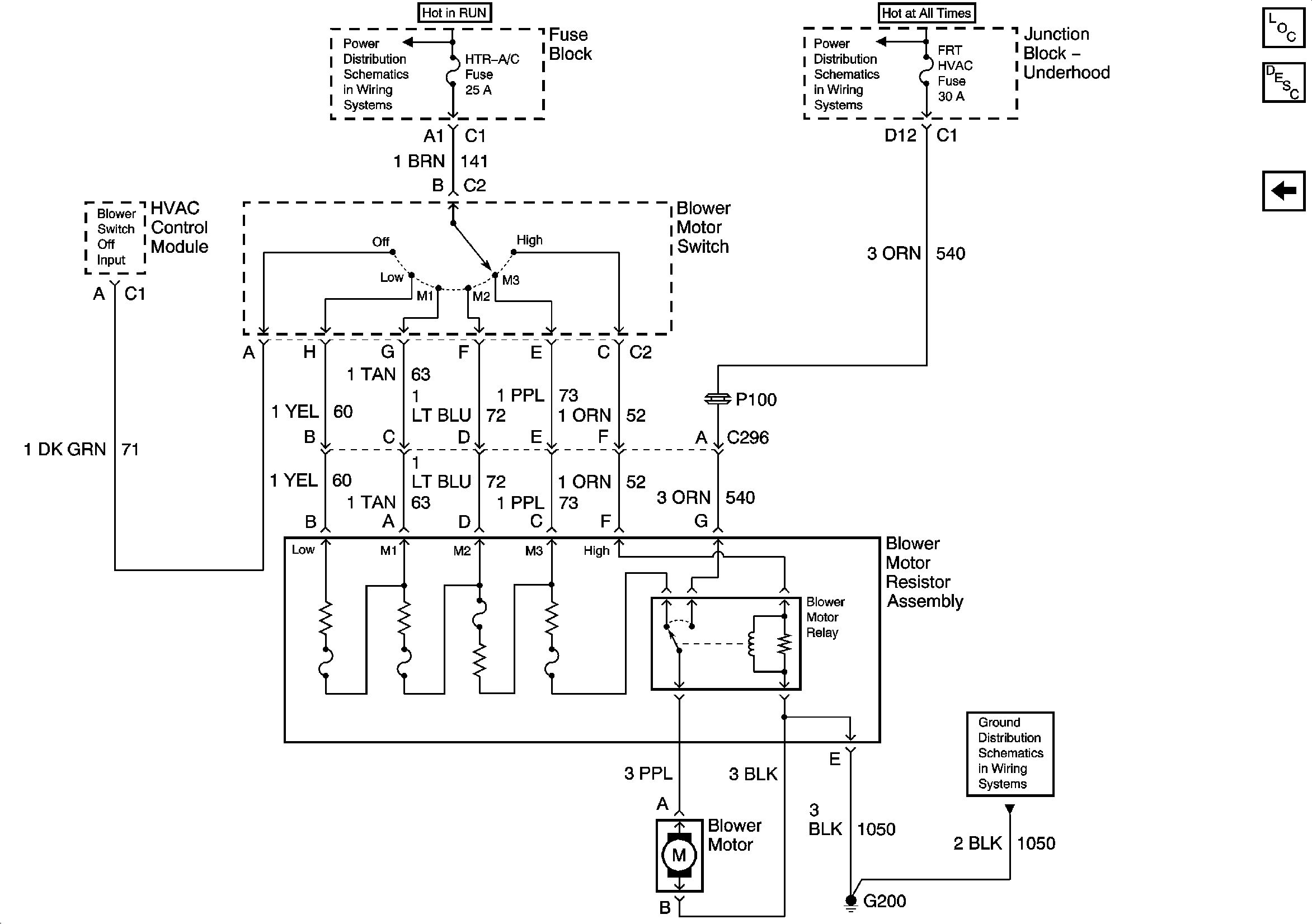
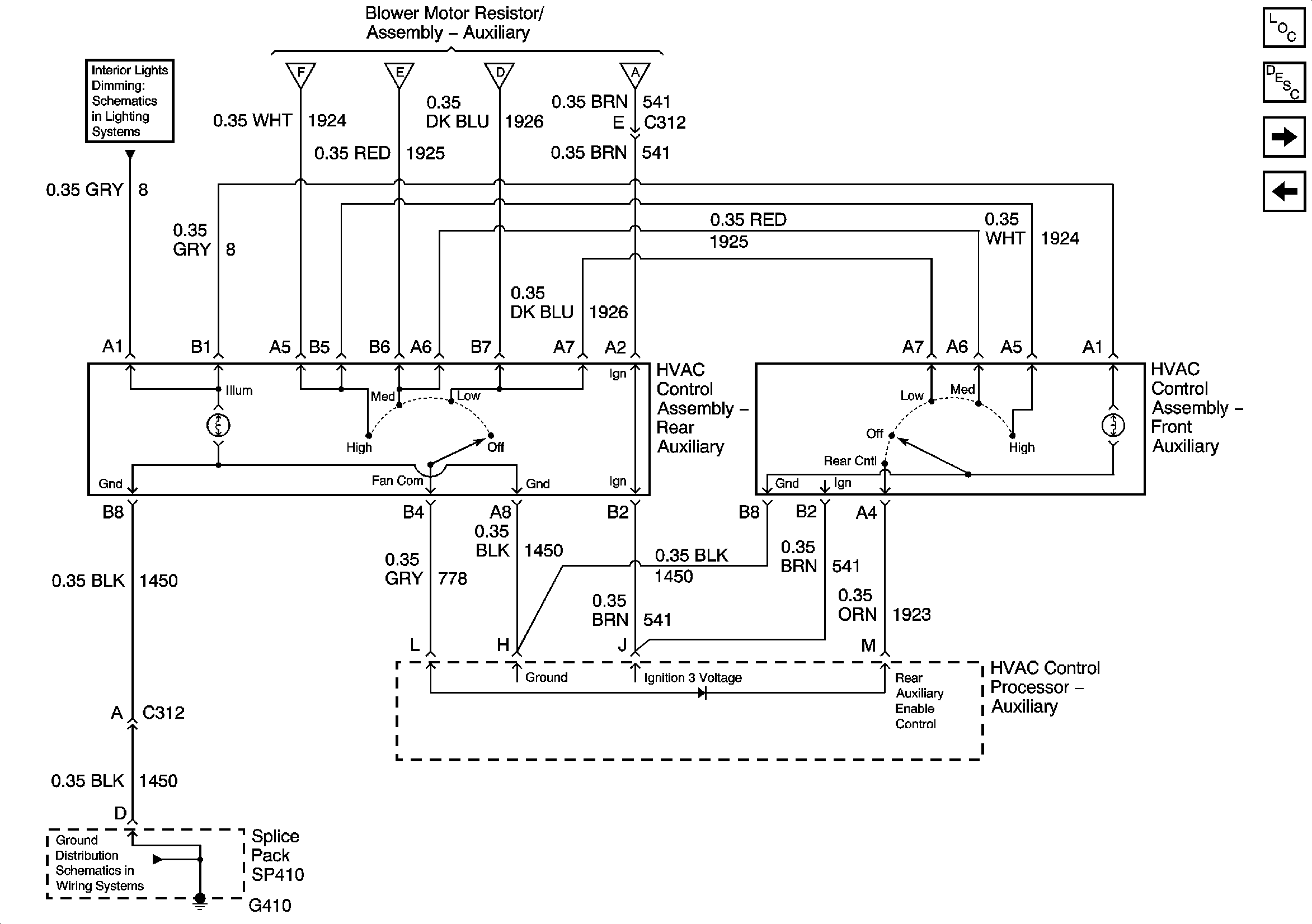
| Figure 1: |
(w/o A/C)
|
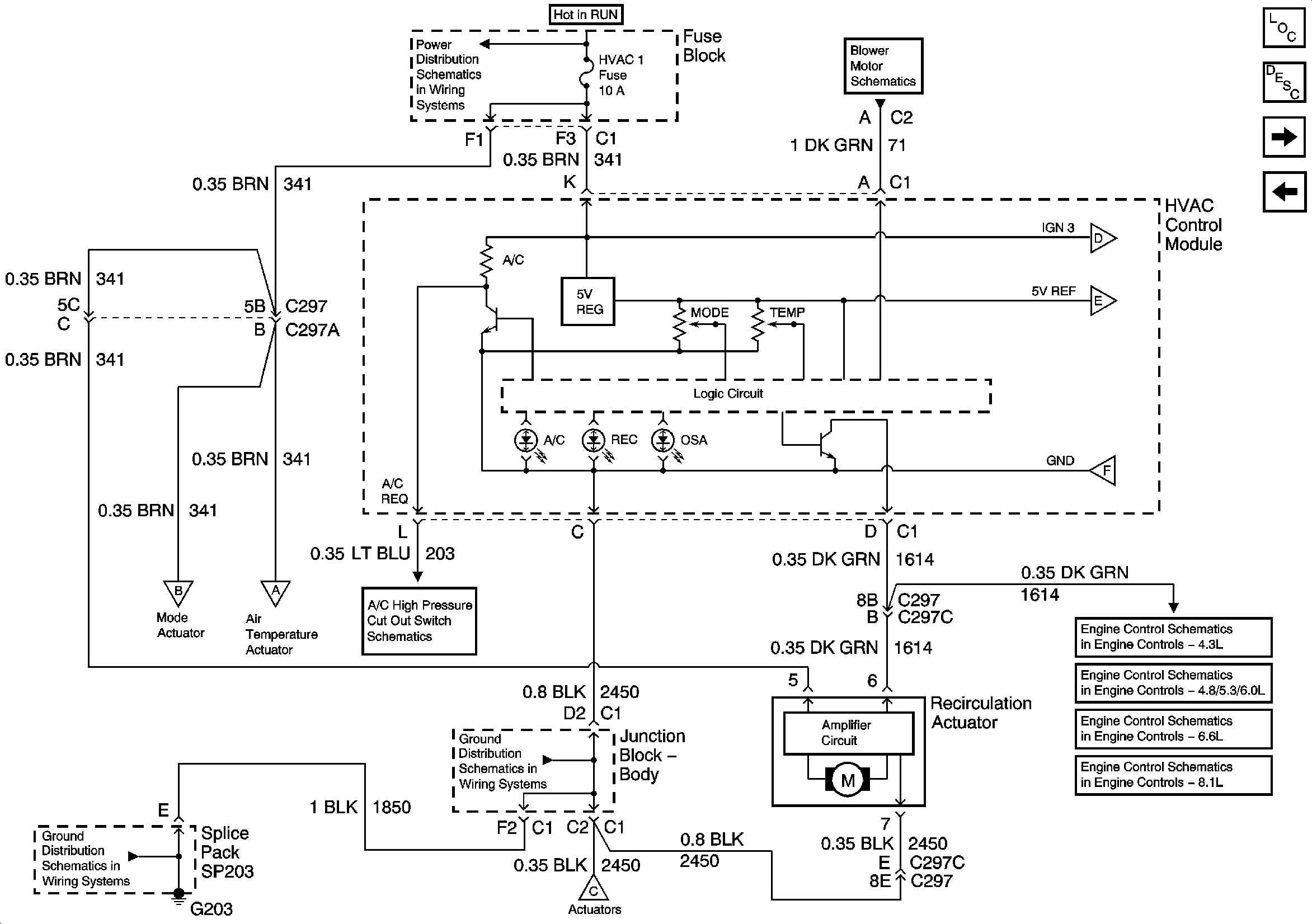
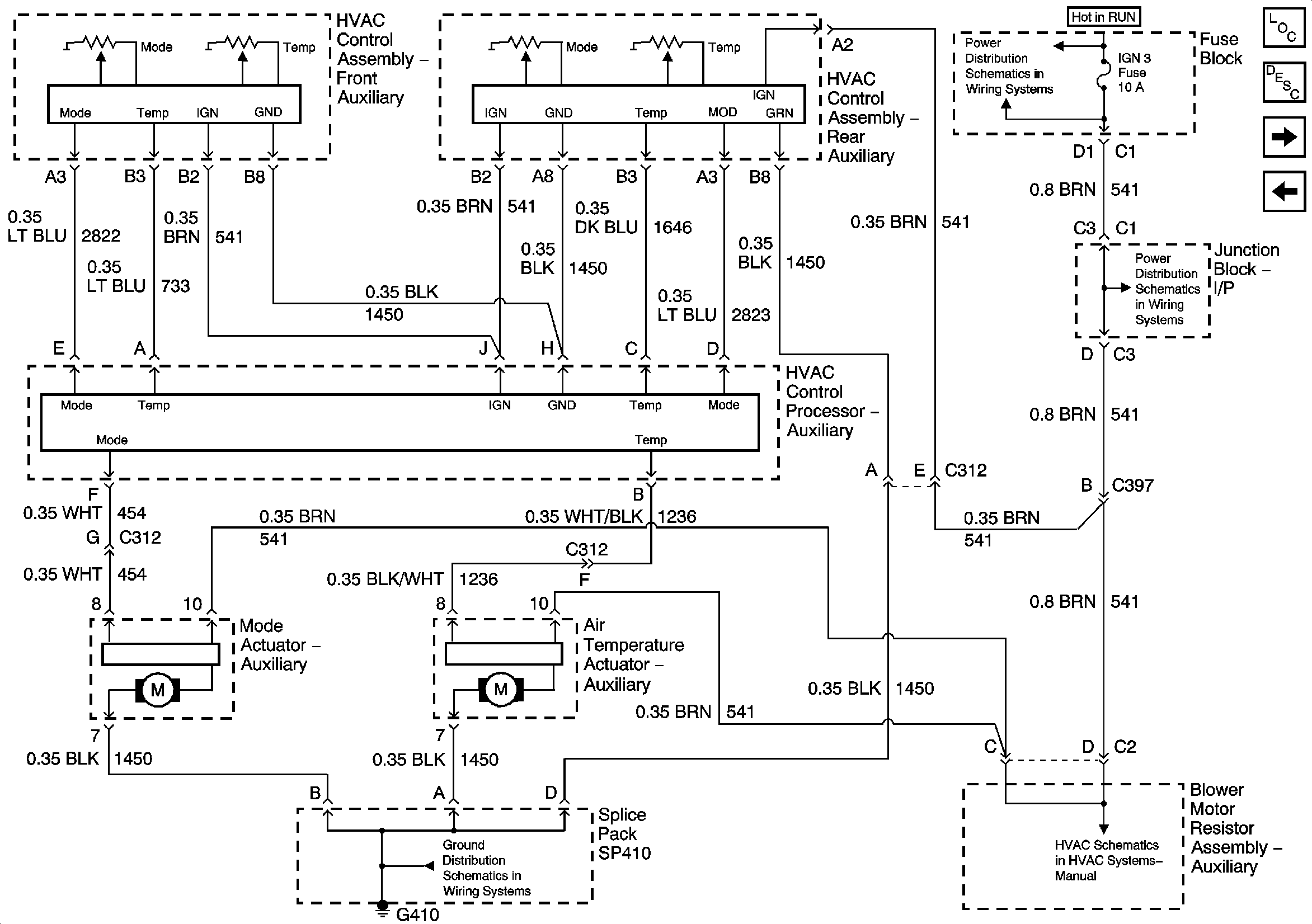
| Figure 2: |
w/Heat and A/C
|
| Figure 1: |
w/Sunroof (w/Heat or A/C only)
|
| Figure 2: |
w/o Sunroof -- Relays and Motor (A/C Only)
|
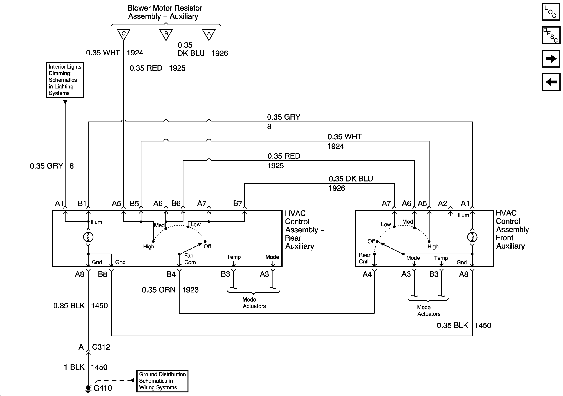
| Figure 3: |
w/o Sunroof -- Device Controls (A/C Only)
|
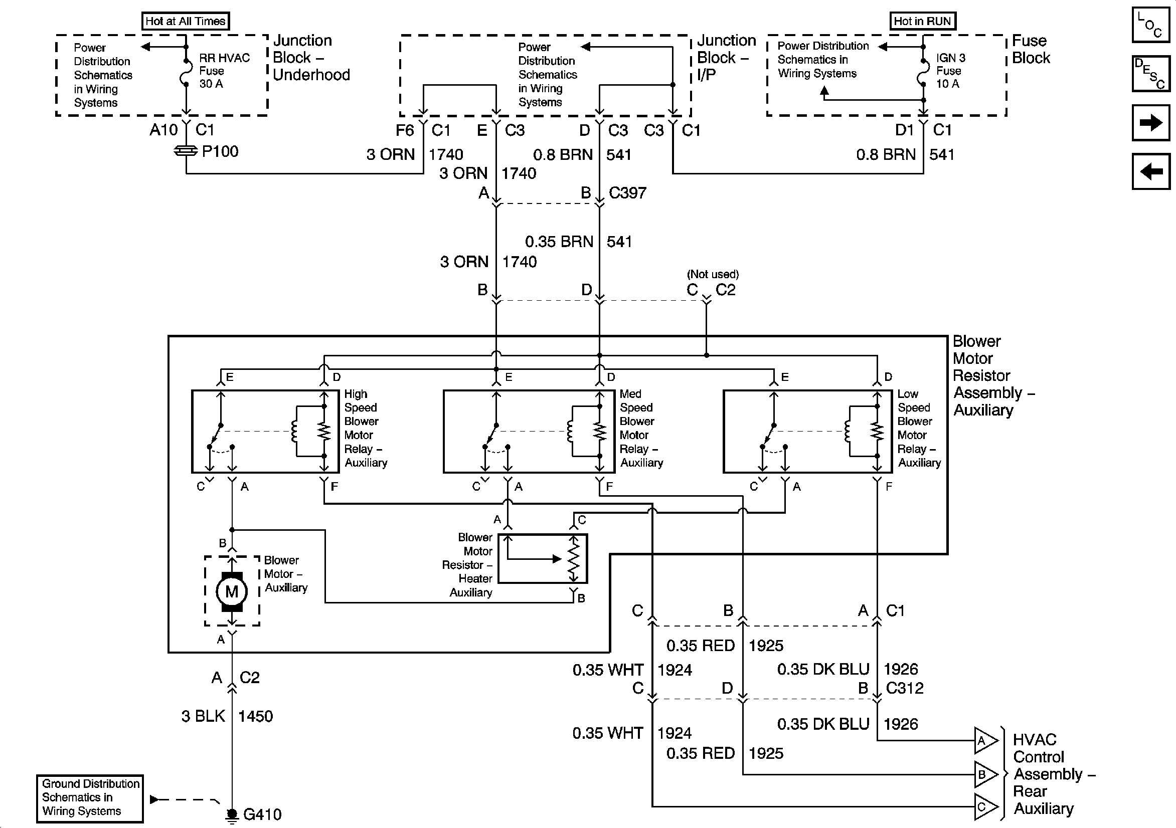
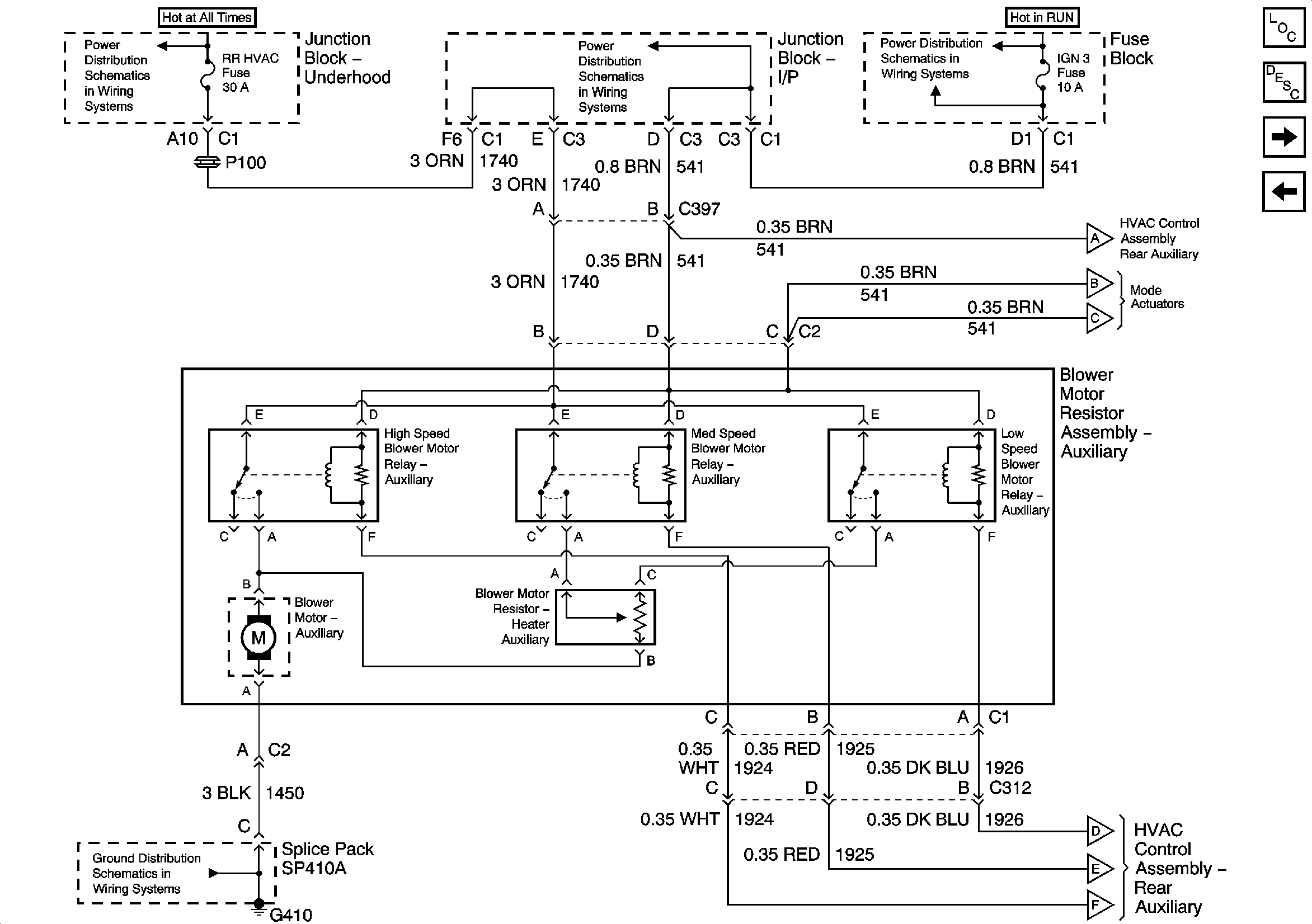
| Figure 4: |
w/o Sunroof -- Relays and Motor (w/Heat and A/C)
|
| Figure 5: |
w/o Sunroof -- Device Controls (w/Heat and A/C)
|
| Figure 6: |
w/Sunroof (Heat and A/C)
|
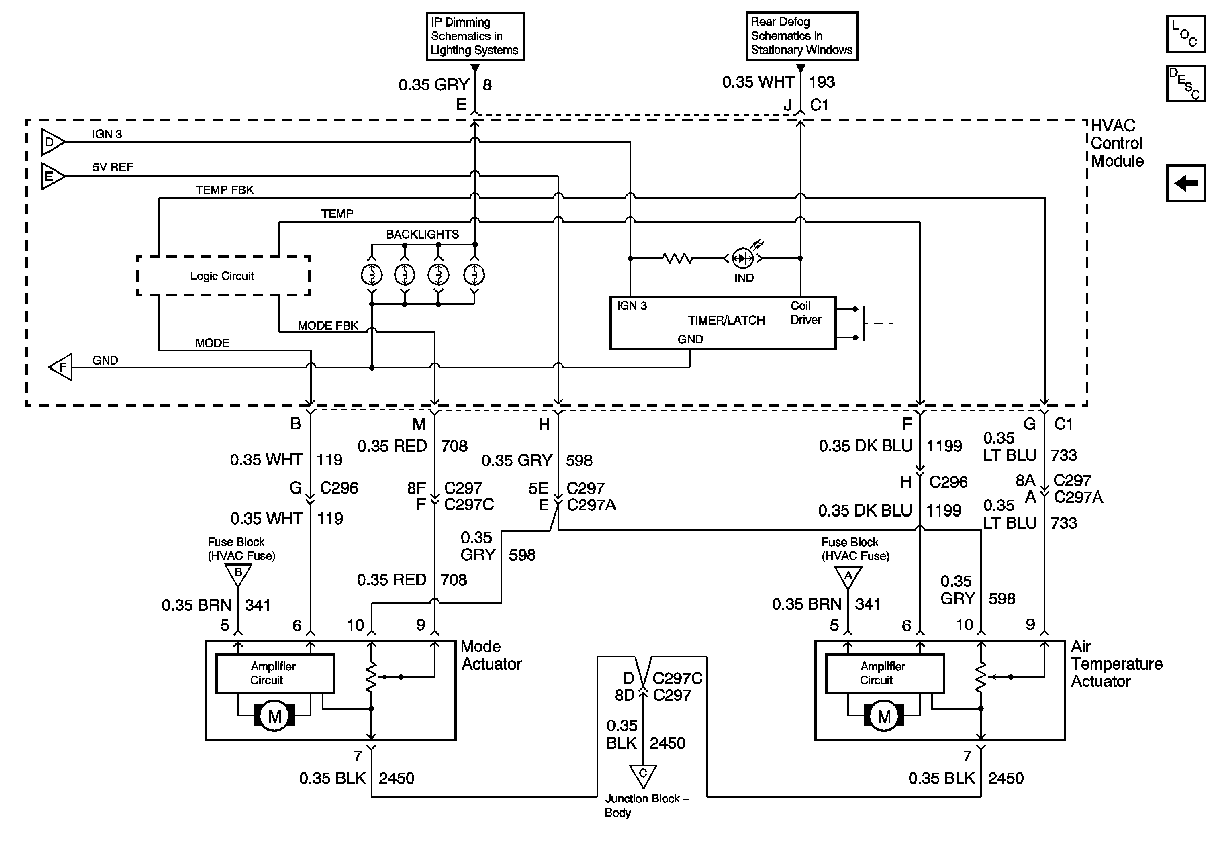
| Figure 1: |
w/o Sunroof
|
| Figure 2: |
w/Sunroof
|