GM Service Manual Online
For 1990-2009 cars only
Makes
🢒
Chevrolet
🢒
2001
🢒
Chevy C Silverado - 2WD
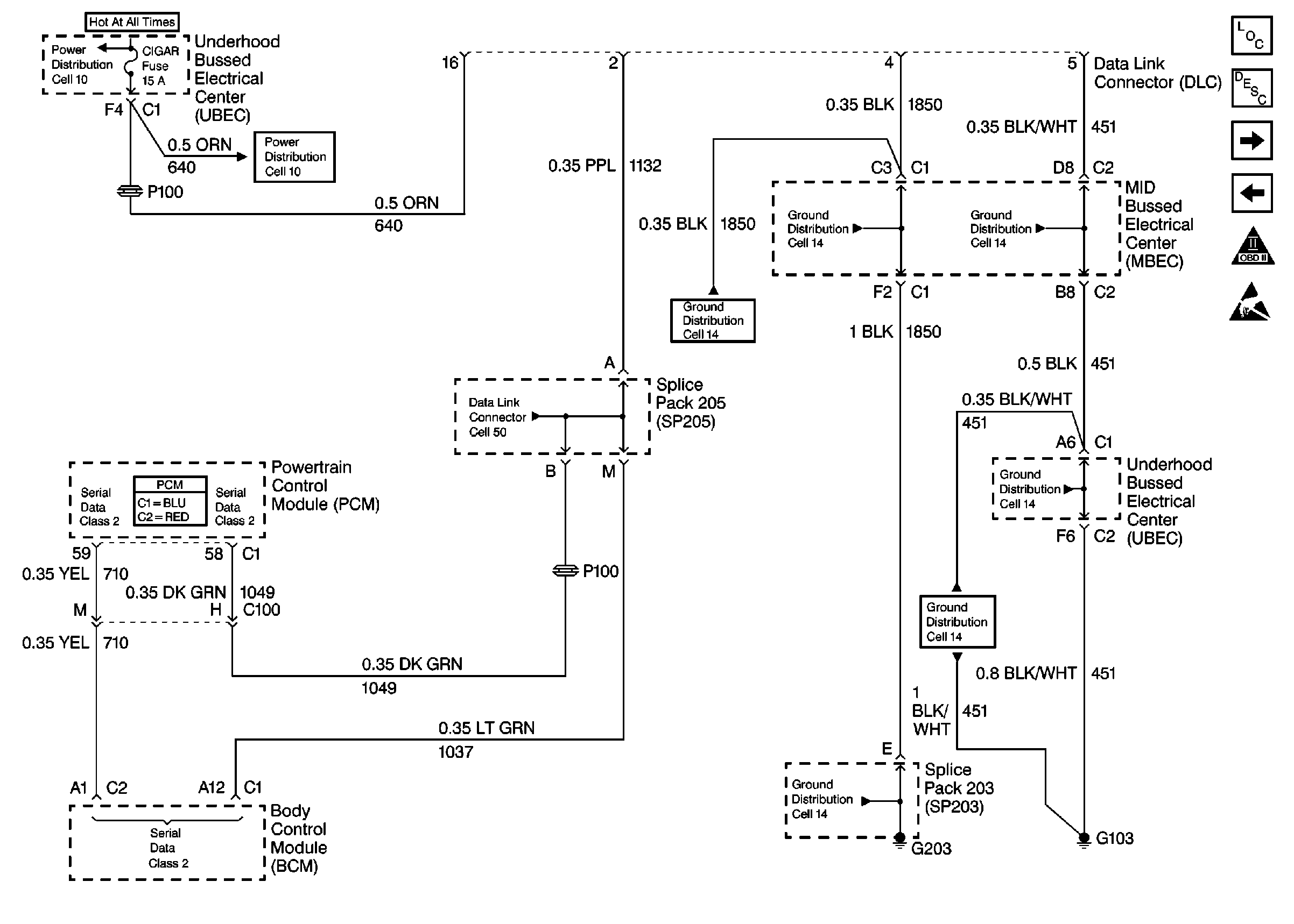
🢒 Cell 21: Serial Data
Cell 21: Serial Data
Cell 21: Serial Data
Engine Controls Components
Powertrain Control Module Description
Cell 21: Ignition Controls - Odd
Cell 21: MIL, PCM Power and Ground
OBD II Symbol Description Notice
Handling ESD Sensitive Parts Notice
Cell 10: Underhood Bussed Electrical Center, Data Link Connector
Cell 10: Underhood Bussed Electrical Center, Data Link Connector
Cell 50
Cell 14: Vehicle Control Module, S103, G102
Cell 14: Vehicle Control Module, S103, G102
Cell 14: Vehicle Control Module, S103, G102
Cell 14: Vehicle Control Module, S103, G102
Cell 14: Vehicle Control Module, S103, G102
Cell 14: Full Feature Seat Heated/Memory Seat Switch, Light Bar Switch