GM Service Manual Online
For 1990-2009 cars only
Makes
🢒
Chevrolet
🢒
2001
🢒
Chevy C Silverado - 2WD
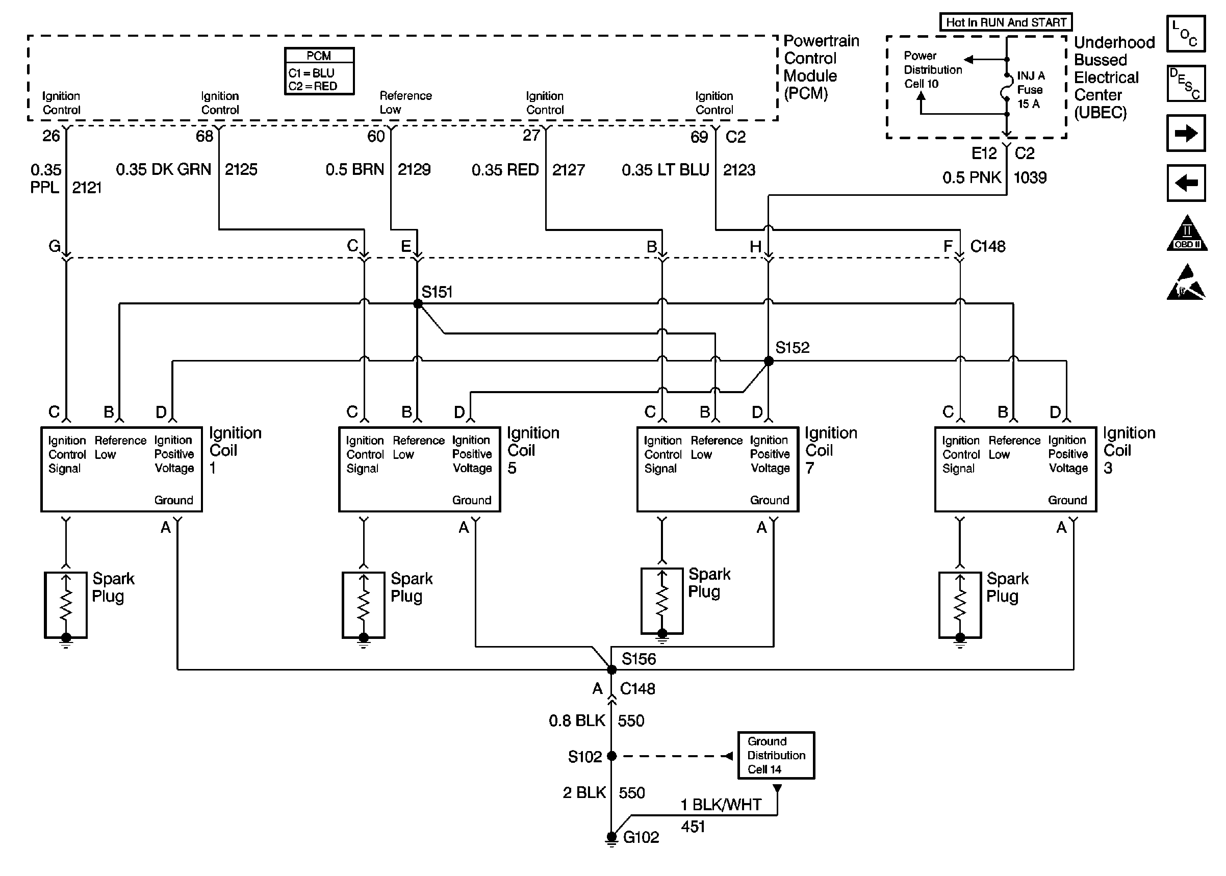
🢒 Cell 21: Ignition Controls - Odd
Cell 21: Ignition Controls - Odd
Cell 21: Ignition Controls - Odd
Engine Controls Components
Powertrain Control Module Description
Cell 21: Ignition Controls - Even
Cell 21: Serial Data
OBD II Symbol Description Notice
Handling ESD Sensitive Parts Notice
Cell 10: Crankshaft Position Sensor, Fuel Injector 8
Ground Distribution Schematics