GM Service Manual Online
For 1990-2009 cars only
Makes
🢒
Chevrolet
🢒
2002
🢒
Chevy C Silverado - 2WD
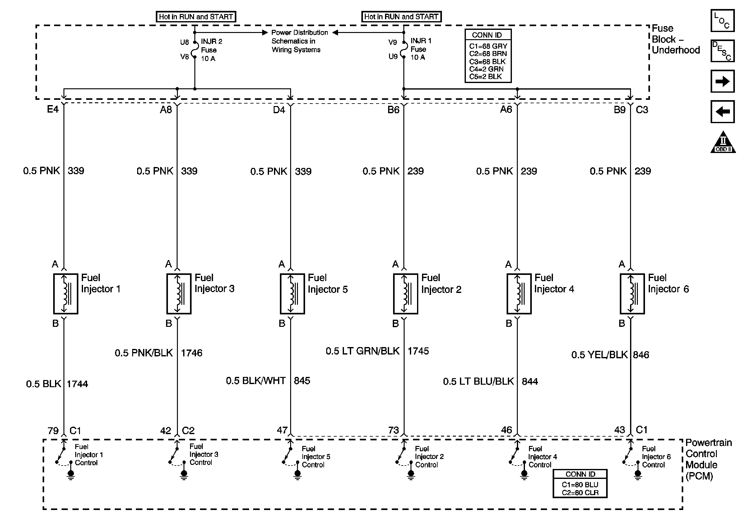
🢒 Fuel Injectors
Fuel Injectors
Fuel Injectors
Master Electrical Component List
Fuel System Description
Sensors
Fuel Pump and Relay
OBD II Symbol Description Notice
Start 1 Relay, INJR 2, PCM IGN, CR CONT and INJR 1 Fuses