GM Service Manual Online
For 1990-2009 cars only
Makes
🢒
Chevrolet
🢒
2002
🢒
Chevy C Silverado - 2WD
🢒 Sensors
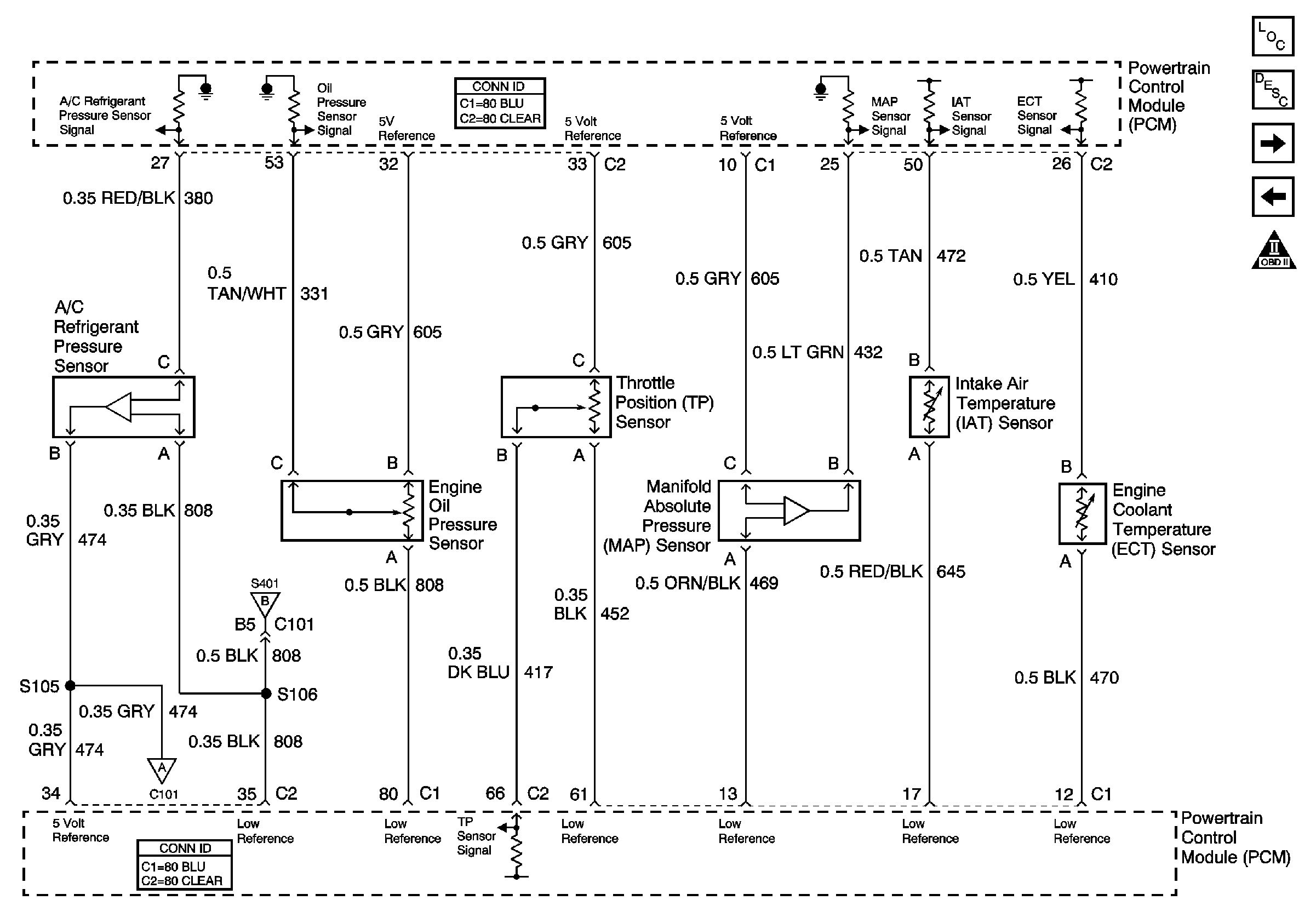
Sensors
Sensors
Master Electrical Component List
Electronic Ignition (EI) System Description
Fuel Tank Pressure Sensor, EVAP Canister Vent Solenoid
Fuel Injectors
OBD II Symbol Description Notice
Fuel Tank Pressure Sensor, EVAP Canister Vent Solenoid
Fuel Tank Pressure Sensor, EVAP Canister Vent Solenoid