GM Service Manual Online
For 1990-2009 cars only
Makes
🢒
Chevrolet
🢒
2002
🢒
Chevy C Silverado - 2WD
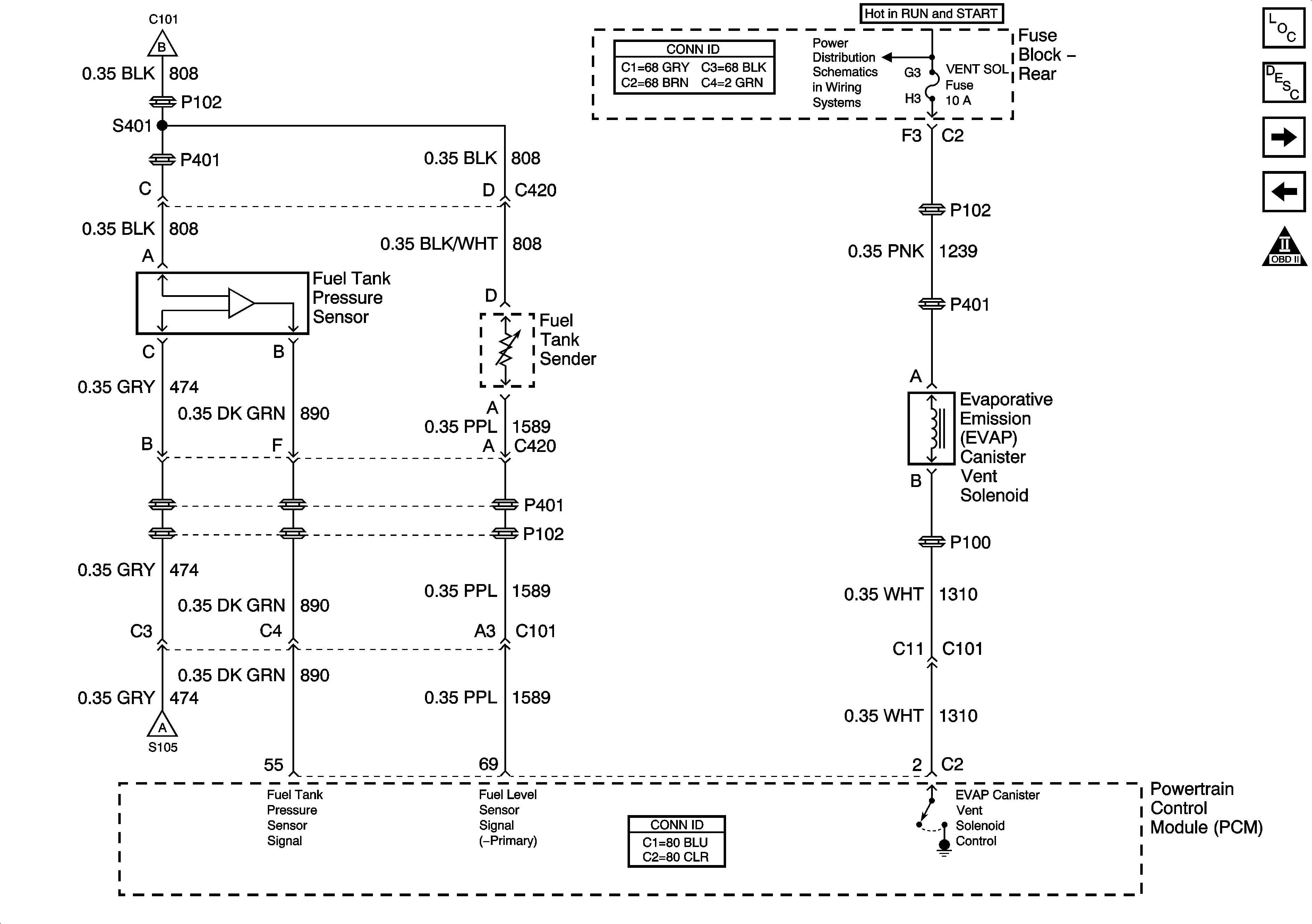
🢒 Fuel Tank Pressure Sensor, EVAP Canister Vent Solenoid
Fuel Tank Pressure Sensor, EVAP Canister Vent Solenoid
Fuel Tank Pressure Sensor, EVAP Canister Vent Solenoid
Master Electrical Component List
Fuel System Description
HO2S1, HO2S2
Sensors
OBD II Symbol Description Notice
Sensors
Sensors
IGN-1, VENT SOL and SIR Fuses (Rear Fuse Block)