GM Service Manual Online
For 1990-2009 cars only
Makes
🢒
Chevrolet
🢒
2002
🢒
Chevy C Silverado - 2WD
🢒 IAC Valve, MAF and Knock Sensors
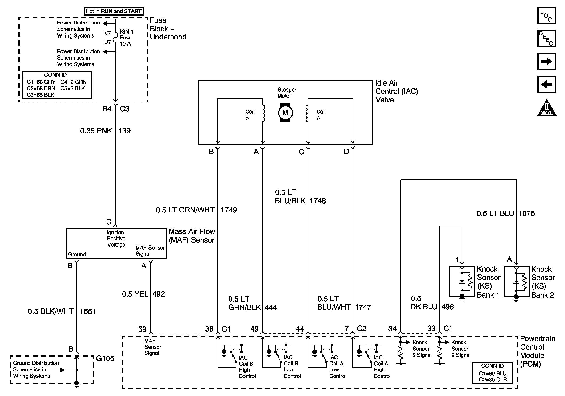
IAC Valve, MAF and Knock Sensors
IAC Valve, MAF and Knock Sensors
Master Electrical Component List
Knock Sensor (KS) System Description
Cruise Control Module and VSS
HO2S1, HO2S2
OBD II Symbol Description Notice
IGN-1 Relay, Transmission, DIS, OXY SEN, and IGN 1-Fuses
IGN-1 Relay, Transmission, DIS, OXY SEN, and IGN 1-Fuses