GM Service Manual Online
For 1990-2009 cars only
Makes
🢒
Chevrolet
🢒
2002
🢒
Chevy C Silverado - 2WD
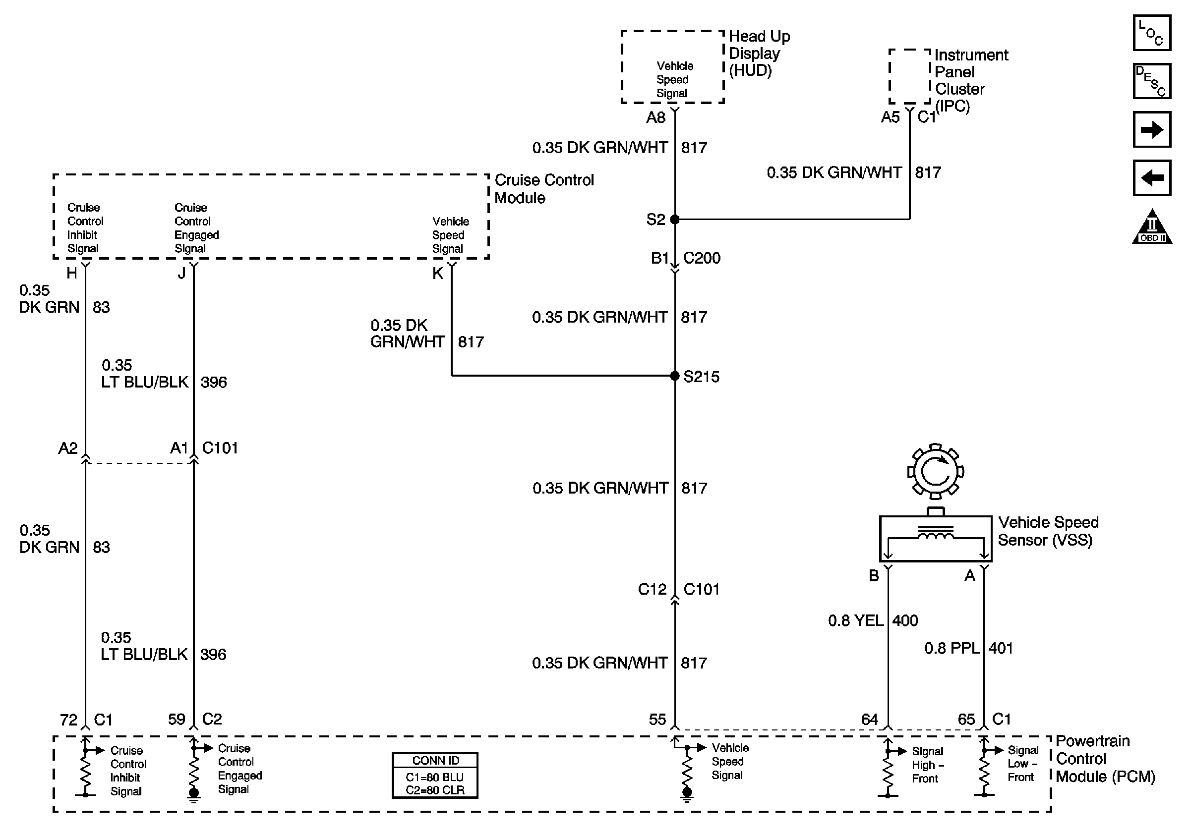
🢒 Cruise Control Module and VSS
Cruise Control Module and VSS
Cruise Control Module and VSS
Master Electrical Component List
Electronic Ignition (EI) System Description
Generator, EBCM, Oil Level and Automatic Transmission Shift Lock Control Switches
IAC Valve, MAF and Knock Sensors
OBD II Symbol Description Notice