GM Service Manual Online
For 1990-2009 cars only
Makes
🢒
Chevrolet
🢒
2002
🢒
Chevy C Silverado - 2WD
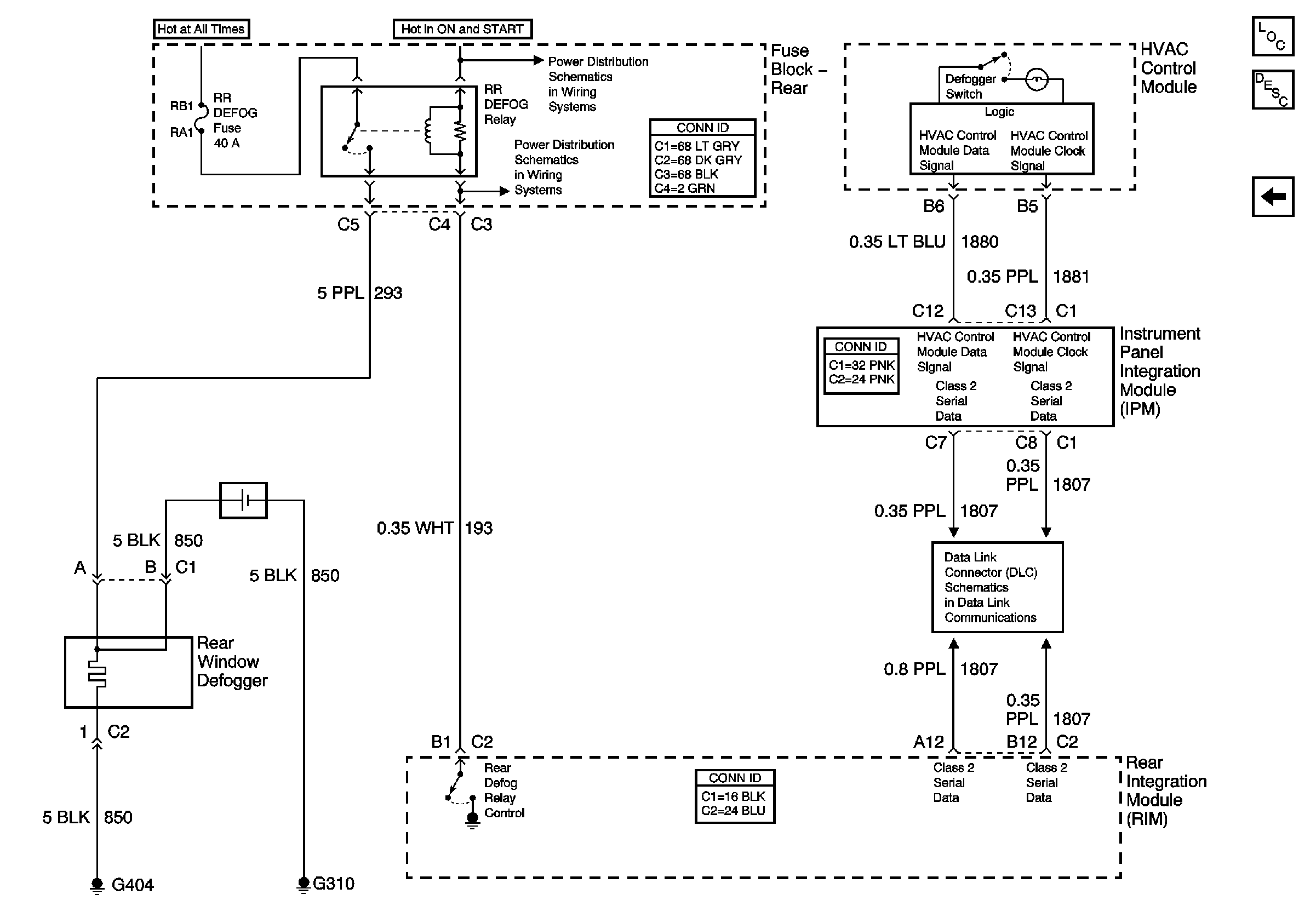
🢒 Defogger Schematics (w/CJ2)
Defogger Schematics (w/CJ2)
Defogger Schematics (w/CJ2)
Master Electrical Component List
Rear Window Defogger Description and Operation
Inside Rear View Mirror w/DD7 or w/DD8
Rear Window Defogger