GM Service Manual Online
For 1990-2009 cars only
Makes
🢒
Chevrolet
🢒
2002
🢒
Chevy C Silverado - 2WD
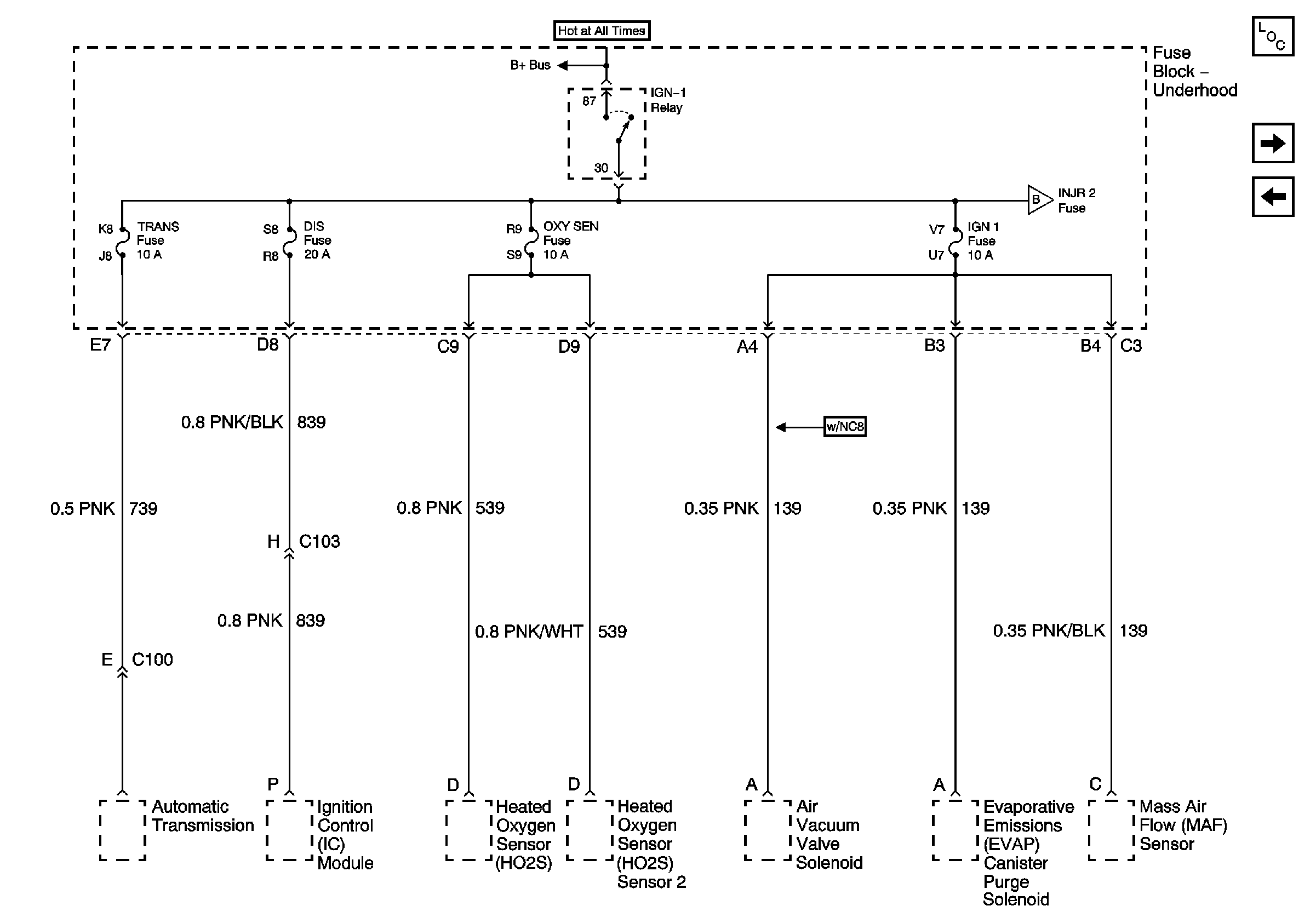
🢒 IGN 1 Relay, Transmission, DIS, OXY SEN, and IGN 1 Fuses (Fuse Block Underhood)
IGN 1 Relay, Transmission, DIS, OXY SEN, and IGN 1 Fuses (Fuse Block Underhood)
IGN 1 Relay, Transmission, DIS, OXY SEN, and IGN 1 Fuses (Fuse Block Underhood)
Master Electrical Component List
Start 1 Relay, INJR 2, PCM IGN, CR CONT, and INJR 2 Fuses (Fuse Block - Underhood)
Battery Feed to Rear Fuse Block
High and Low Beam Relays, ABS, PCM BATT, High and Low Beam Relays (Fuse Block Underhood)
Start 1 Relay, INJR 2, PCM IGN, CR CONT, and INJR 2 Fuses (Fuse Block - Underhood)