GM Service Manual Online
For 1990-2009 cars only
Makes
🢒
Chevrolet
🢒
2002
🢒
Chevy C Silverado - 2WD
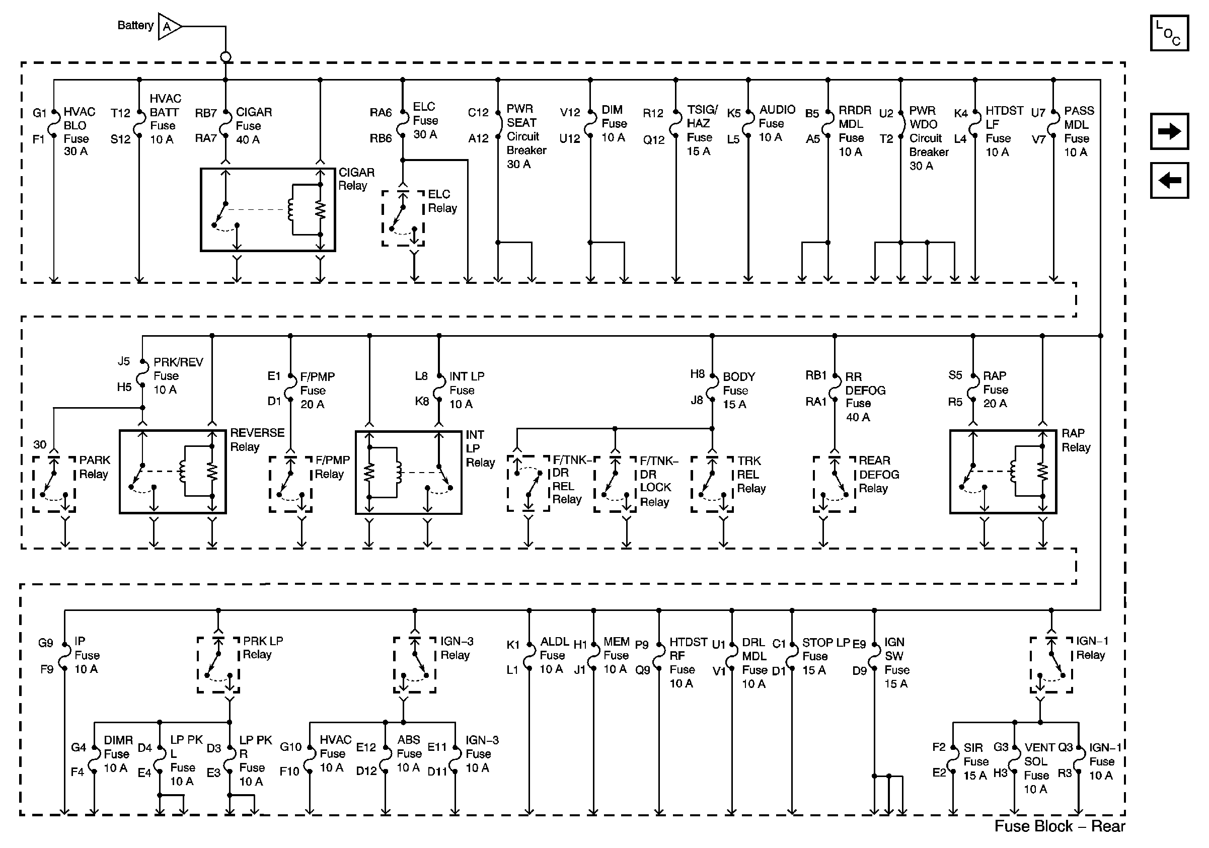
🢒 Battery Feed to Rear Fuse Block
Battery Feed to Rear Fuse Block
Battery Feed to Rear Fuse Block
Master Electrical Component List
IGN 1 Relay, Transmission, DIS, OXY SEN, and IGN 1 Fuses (Fuse Block Underhood)
Battery Feed to Underhood Fuse Block