GM Service Manual Online
For 1990-2009 cars only
Makes
🢒
Chevrolet
🢒
2002
🢒
Chevy C Silverado - 2WD
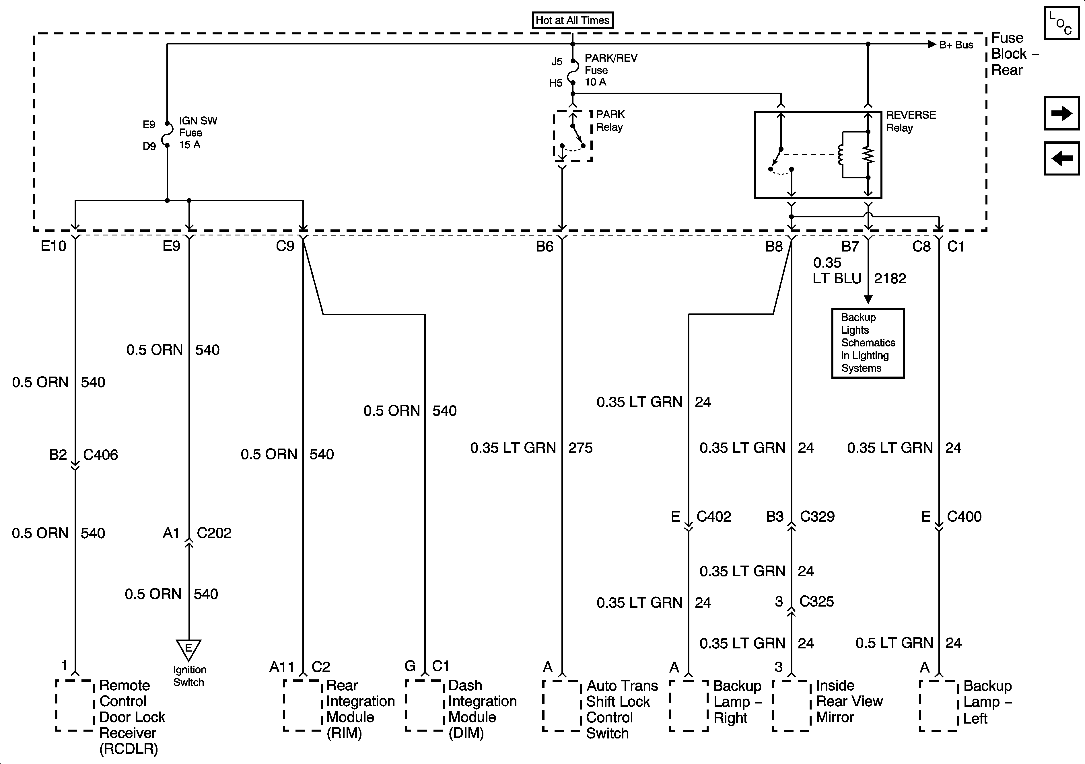
🢒 IGN SW and NSBU Fuses (Fuse Block Rear)
IGN SW and NSBU Fuses (Fuse Block Rear)
IGN SW and NSBU Fuses (Fuse Block Rear)
Master Electrical Component List
Ignition Switch (1 of 2)
IP, CIGAR, AUX PWR and C/LTR Fuses and CIGAR Relay (Fuse Block Rear)
Backup Lights
Ignition Switch (1 of 2)