GM Service Manual Online
For 1990-2009 cars only
Makes
🢒
Chevrolet
🢒
2002
🢒
Chevy C Silverado - 2WD
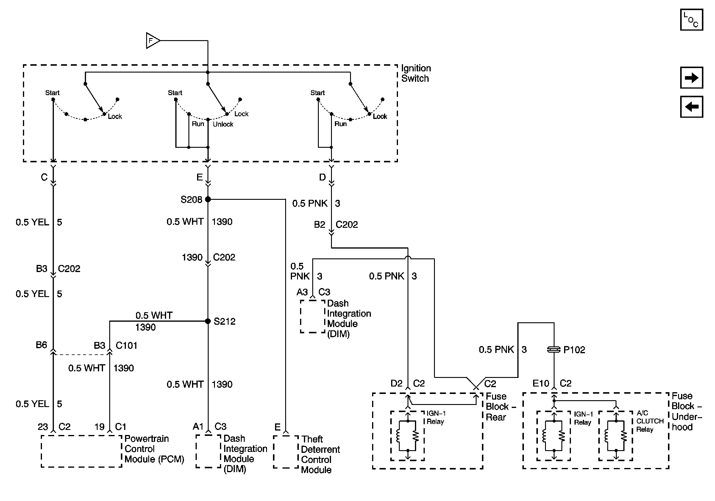
🢒 Ignition Switch (2 of 2)
Ignition Switch (2 of 2)
Ignition Switch (2 of 2)
Master Electrical Component List
IGN-1, VENT SOL, and SIR Fuses (Fuse Block Rear)
Ignition Switch (1 of 2)
Ignition Switch (1 of 2)