GM Service Manual Online
For 1990-2009 cars only
Makes
🢒
Chevrolet
🢒
2002
🢒
Chevy C Silverado - 2WD
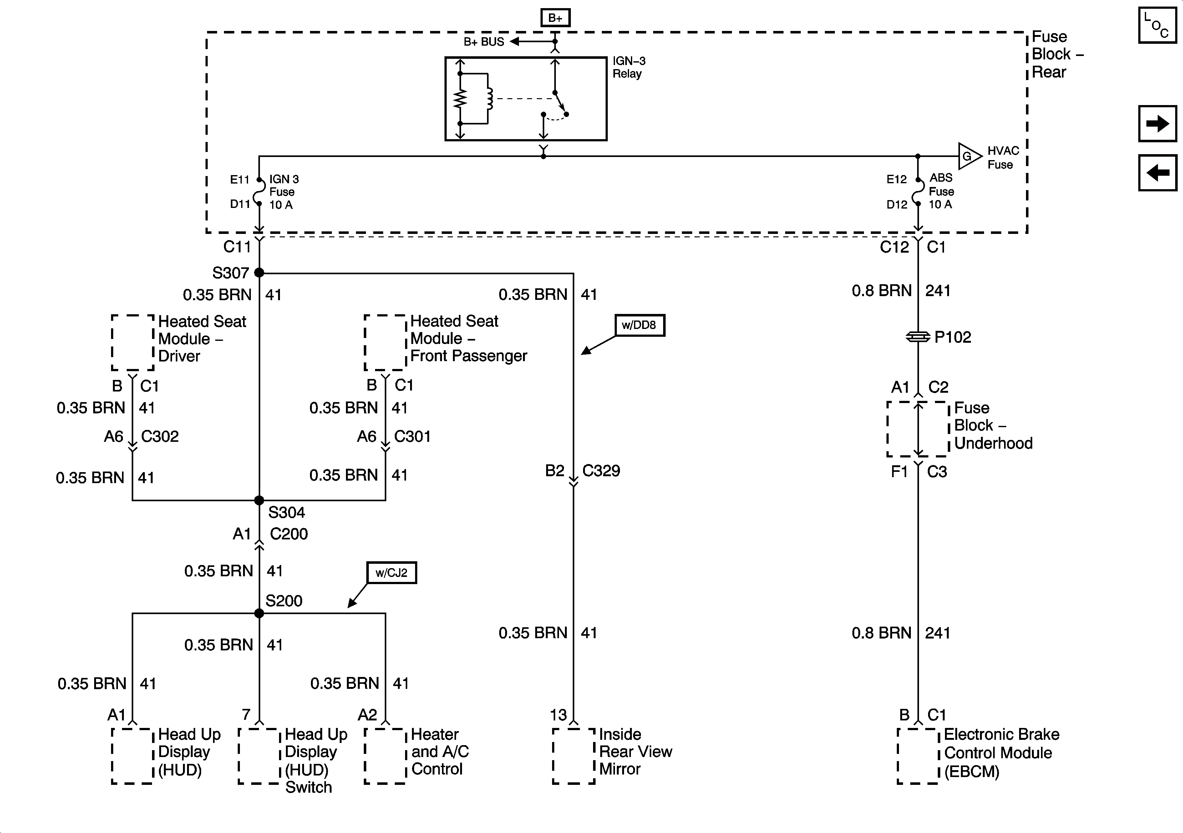
🢒 IGN-3 and ABS Fuses (Fuse Block Rear)
IGN-3 and ABS Fuses (Fuse Block Rear)
IGN-3 and ABS Fuses (Rear Fuse Block)
Master Electrical Component List
HVAC Fuse (Block Rear)
IGN-1, VENT SOL, and SIR Fuses (Fuse Block Rear)
Battery Feed to Rear Fuse Block
HVAC Fuse (Block Rear)