GM Service Manual Online
For 1990-2009 cars only
Makes
🢒
Chevrolet
🢒
2002
🢒
Chevy C Silverado - 2WD
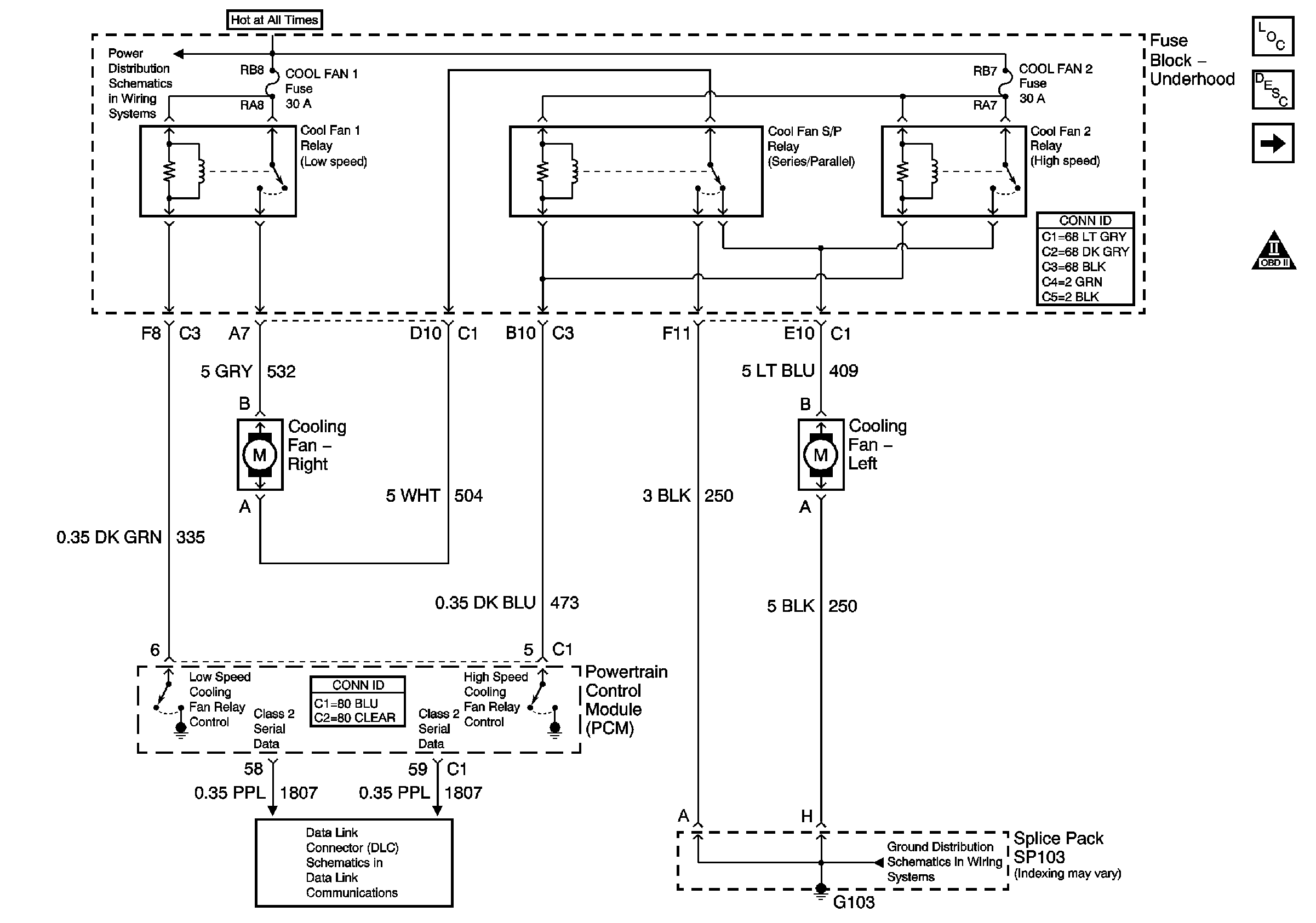
🢒 Cooling Fans and Relays
Cooling Fans and Relays
Cooling Fans and Relays
Master Electrical Component List
Instrument Panel Cluster (IPC) Displays
Engine Controls Schematic Icons
G103
Serial Data Class 2
Battery Feed to Underhood Fuse Block