GM Service Manual Online
For 1990-2009 cars only
Makes
🢒
Chevrolet
🢒
2002
🢒
Chevy C Silverado - 2WD
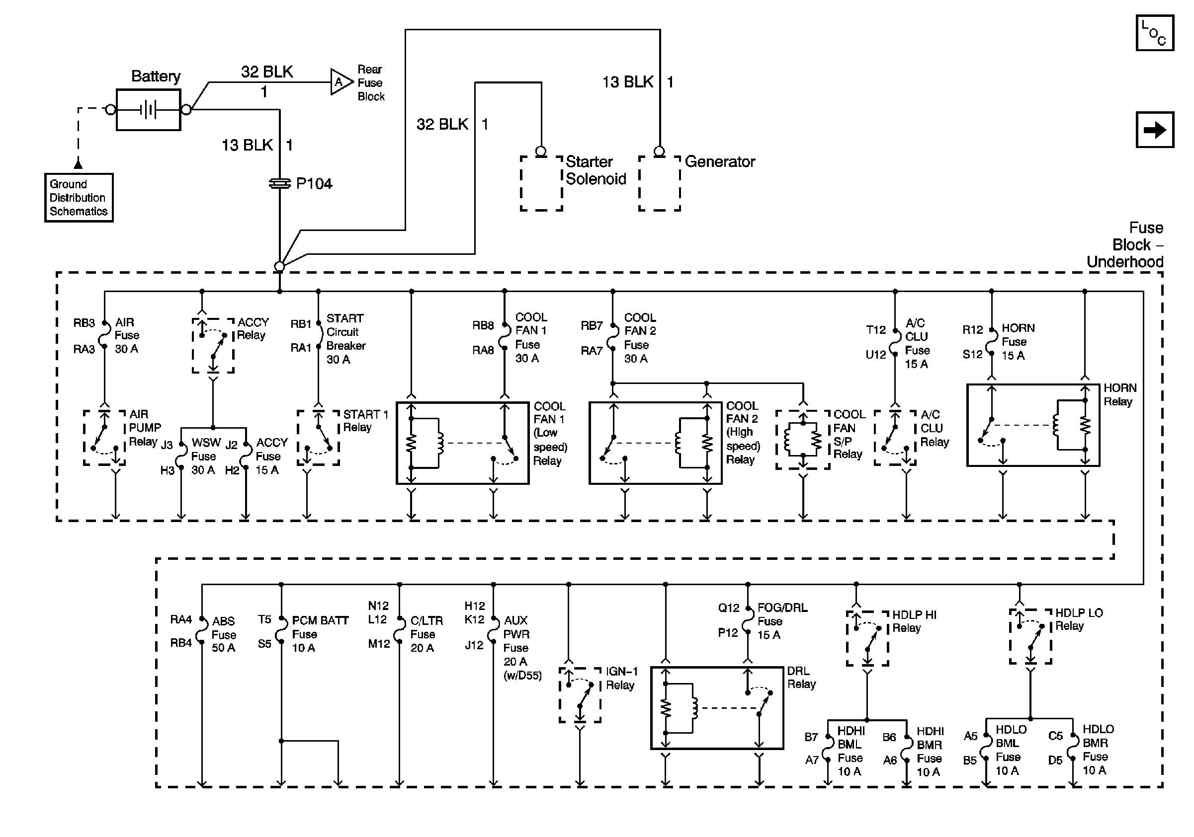
🢒 Battery Feed to Underhood Fuse Block
Battery Feed to Underhood Fuse Block
Battery Feed to Underhood Fuse Block
Master Electrical Component List
Battery Feed to Rear Fuse Block
G305, G310, G404, and G303
Battery Feed to Rear Fuse Block