GM Service Manual Online
For 1990-2009 cars only
Makes
🢒
Chevrolet
🢒
2002
🢒
Chevy C Silverado - 2WD
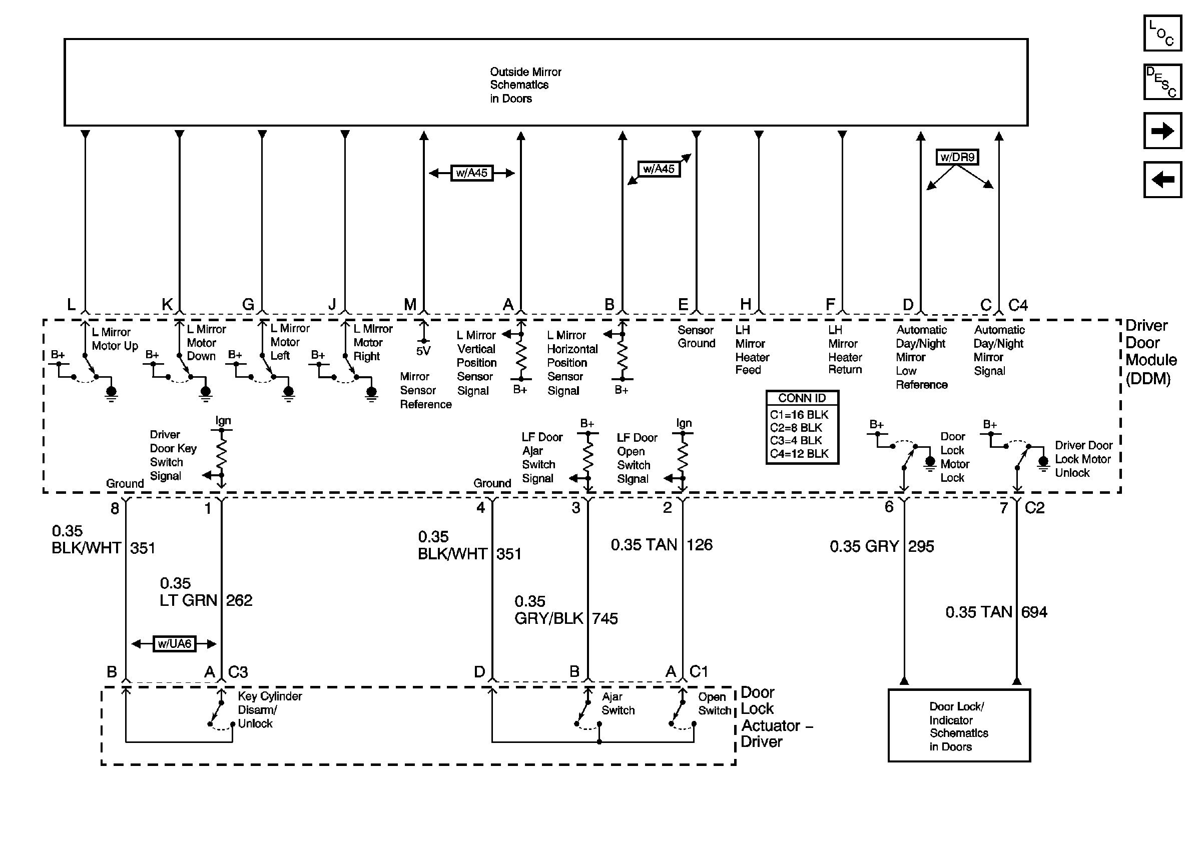
🢒 Driver Door Module (DDM) Inputs/Outputs
Driver Door Module (DDM) Inputs/Outputs
Driver Door Module (DDM) Inputs/Outputs
Master Electrical Component List
Front Passenger Door Module (FPDM) Inputs/Outputs
Front Passenger Door Module (FPDM) Power and Ground
Driver Door
Driver Mirror and Front Passenger Mirror