GM Service Manual Online
For 1990-2009 cars only
Makes
🢒
Chevrolet
🢒
2002
🢒
Chevy C Silverado - 2WD
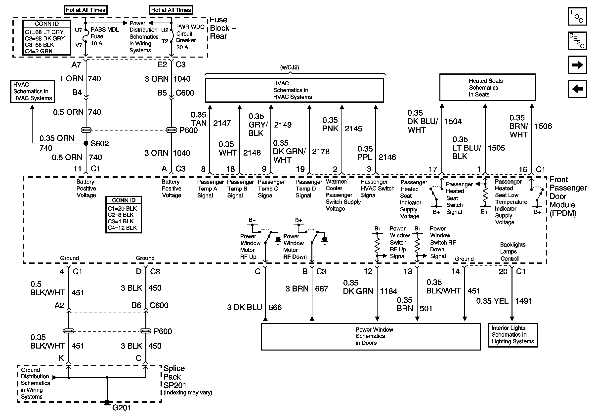
🢒 Front Passenger Door Module (FPDM) Power and Ground
Front Passenger Door Module (FPDM) Power and Ground
Front Passenger Door Module (FPDM) Power and Ground
Master Electrical Component List
Driver Door Module (DDM) Inputs/Outputs
Driver Door Module (DDM) Power and Ground
Front Passenger Door
G201
Front Passenger Climate Control (w/CJ2)
HVAC BATT, DDM, FPDM, LRDM Fuses (Fuse Block Rear)
PWR WDO and PWR SEAT Circuit Breakers (Fuse Block Rear)
Front Passenger Climate Control (w/CJ2)
Front Passenger Front Heated Seat Switch