GM Service Manual Online
For 1990-2009 cars only
Makes
🢒
Chevrolet
🢒
2002
🢒
Chevy C Silverado - 2WD
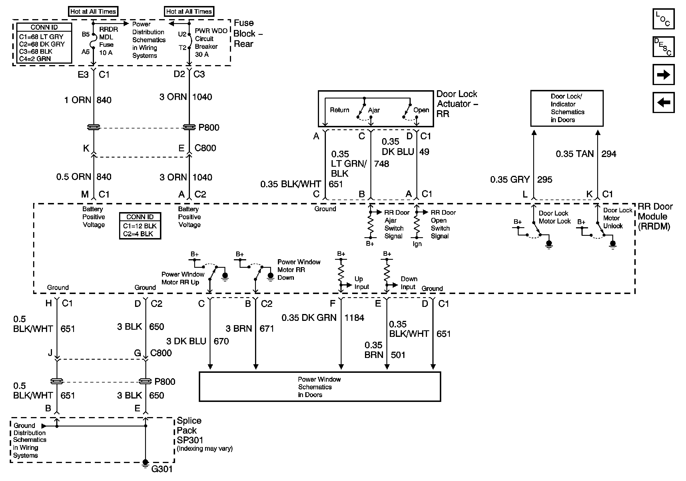
🢒 Right Rear Door Module (RRDM)
Right Rear Door Module (RRDM)
Right Rear Door Module (RRDM)
Master Electrical Component List
Driver Door Switch Assembly (DDSA)
Left Rear Door Module (LRDM)
Left Rear Door and Right Rear Door
Left Rear Door and Right Rear Door
G301 (2 of 2)
HVAC BATT, DDM, FPDM, LRDM Fuses (Fuse Block Rear)
PWR WDO and PWR SEAT Circuit Breakers (Fuse Block Rear)