GM Service Manual Online
For 1990-2009 cars only
Makes
🢒
Chevrolet
🢒
2002
🢒
Chevy C Silverado - 2WD
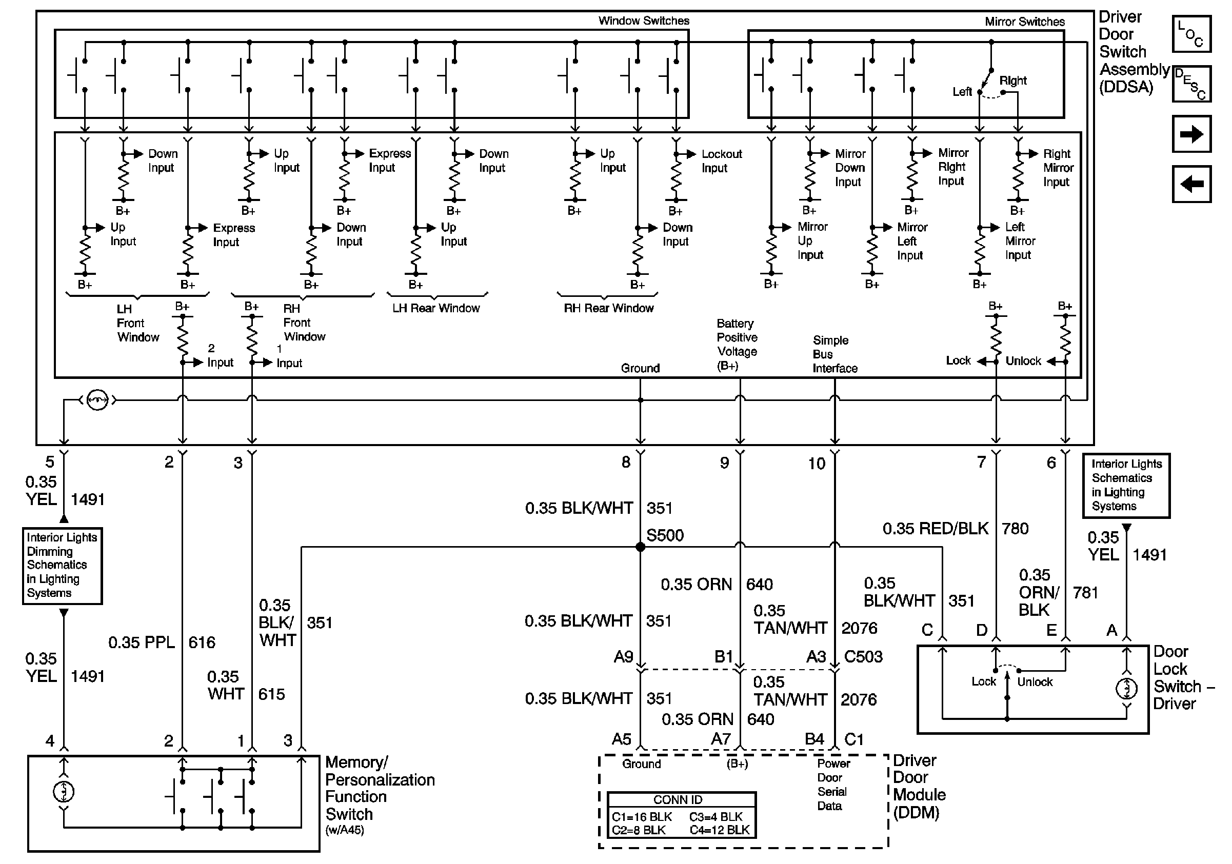
🢒 Driver Door Switch Assembly (DDSA)
Driver Door Switch Assembly (DDSA)
Driver Door Switch Assembly (DDSA)
Master Electrical Component List
Power Door Serial Data
Right Rear Door Module (RRDM)
Front Doors Dimming
Front Doors Dimming