GM Service Manual Online
For 1990-2009 cars only
Makes
🢒
Chevrolet
🢒
2002
🢒
Chevy C Silverado - 2WD
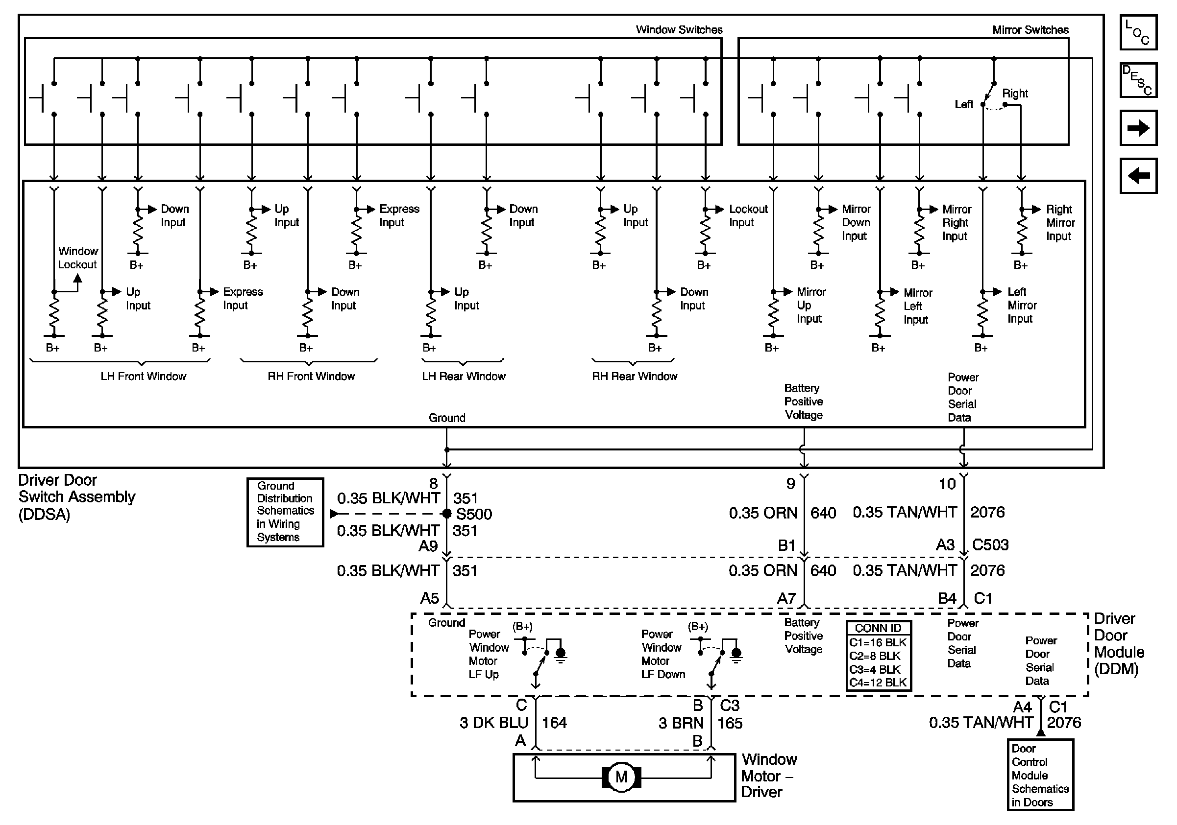
🢒 Driver Door
Driver Door
Driver Door
Master Electrical Component List
Left Rear Door and Right Rear Door
Front Passenger Door
Power Door Serial Data
G200 (2 of 2)