GM Service Manual Online
For 1990-2009 cars only
Makes
🢒
Chevrolet
🢒
2002
🢒
Chevy C Silverado - 2WD
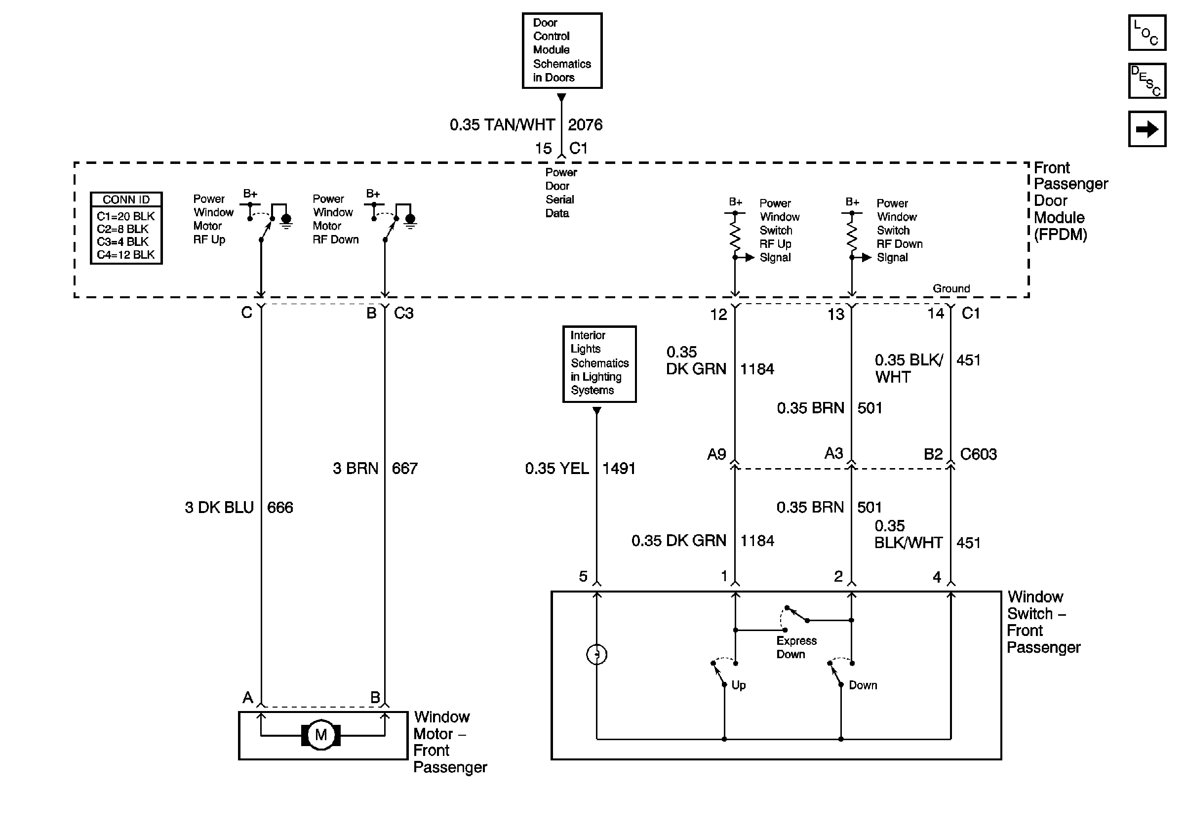
🢒 Front Passenger Door
Front Passenger Door
Front Passenger Door
Master Electrical Component List
Driver Door
Dimming Control
Power Door Serial Data