GM Service Manual Online
For 1990-2009 cars only
Makes
🢒
Chevrolet
🢒
2002
🢒
Chevy C Silverado - 2WD
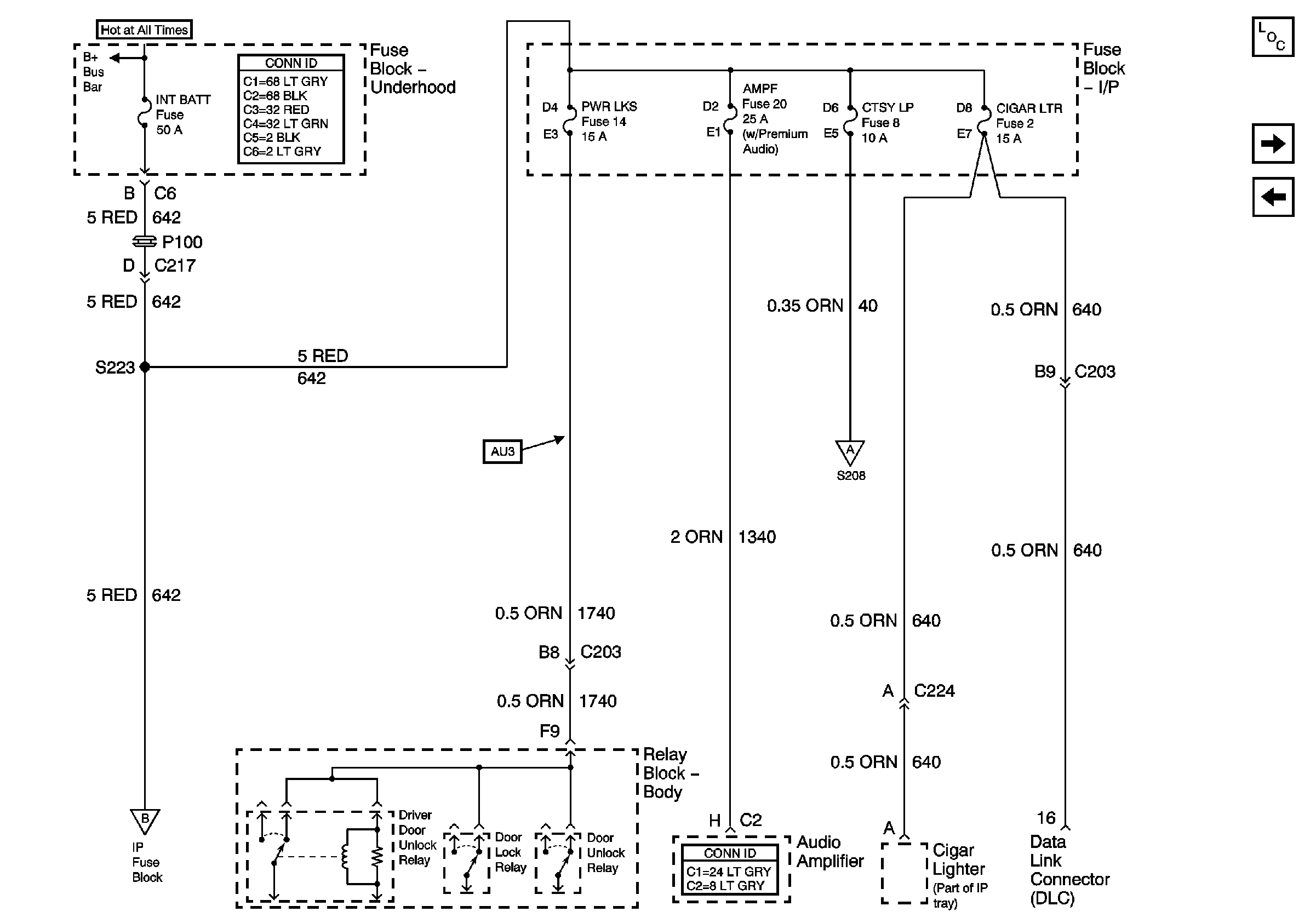
🢒 INT BATT Fuse
INT BATT Fuse
INT BATT Fuse
Master Electrical Component List
Inadvertent Power Lamp Relay
STUD 2, ABS, TBC and RR W/W Fuses
Inadvertent Power Lamp Relay