GM Service Manual Online
For 1990-2009 cars only
Makes
🢒
Chevrolet
🢒
2002
🢒
Chevy C Silverado - 2WD
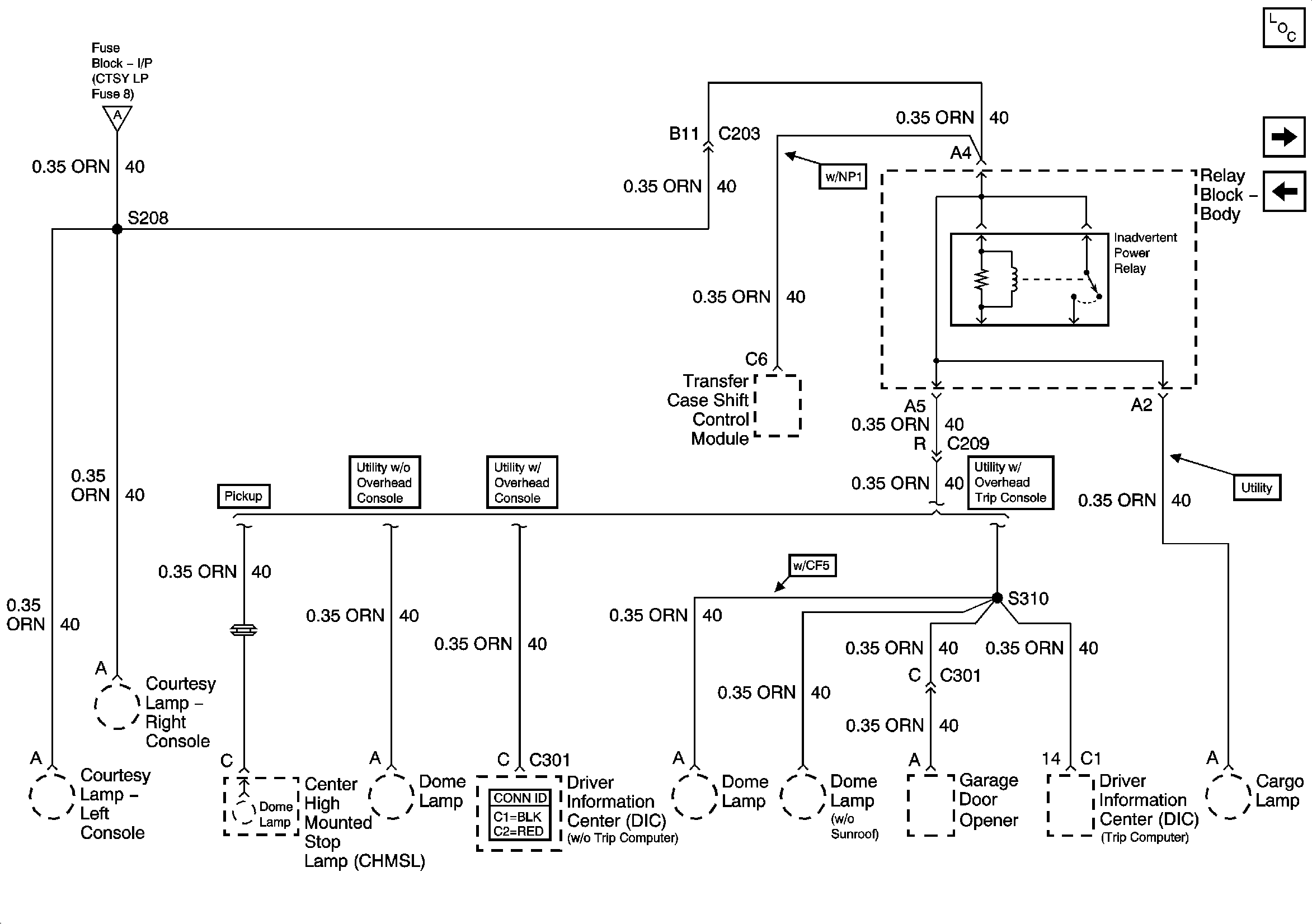
🢒 Inadvertent Power Lamp Relay
Inadvertent Power Lamp Relay
Inadvertent Power Lamp Relay
Master Electrical Component List
AUX PWR, RDO BATT and HDLP SW Fuses
INT BATT Fuse
INT BATT Fuse