GM Service Manual Online
For 1990-2009 cars only
Makes
🢒
Chevrolet
🢒
2002
🢒
Chevy C Silverado - 2WD
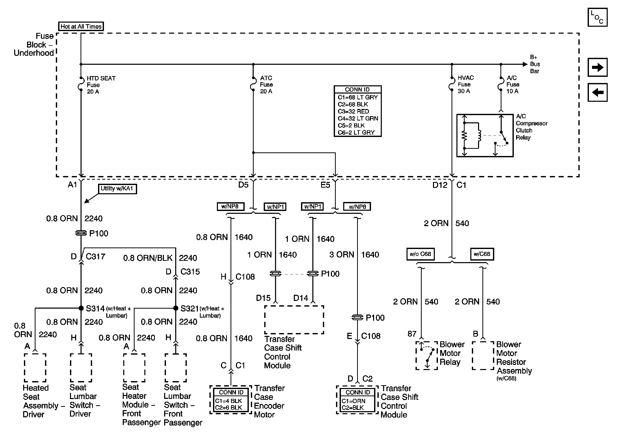
🢒 HTD SEAT, ATC, HVAC and A/C Fuses
HTD SEAT, ATC, HVAC and A/C Fuses
HTD SEAT, ATC, HVAC and A/C Fuses
Master Electrical Component List
MIR/LKS, FOG LP Fuses and DRL, Headlamp Power Relays
AUX PWR, RDO BATT and HDLP SW Fuses
B+ Bus Bar