GM Service Manual Online
For 1990-2009 cars only
Makes
🢒
Chevrolet
🢒
2002
🢒
Chevy C Silverado - 2WD
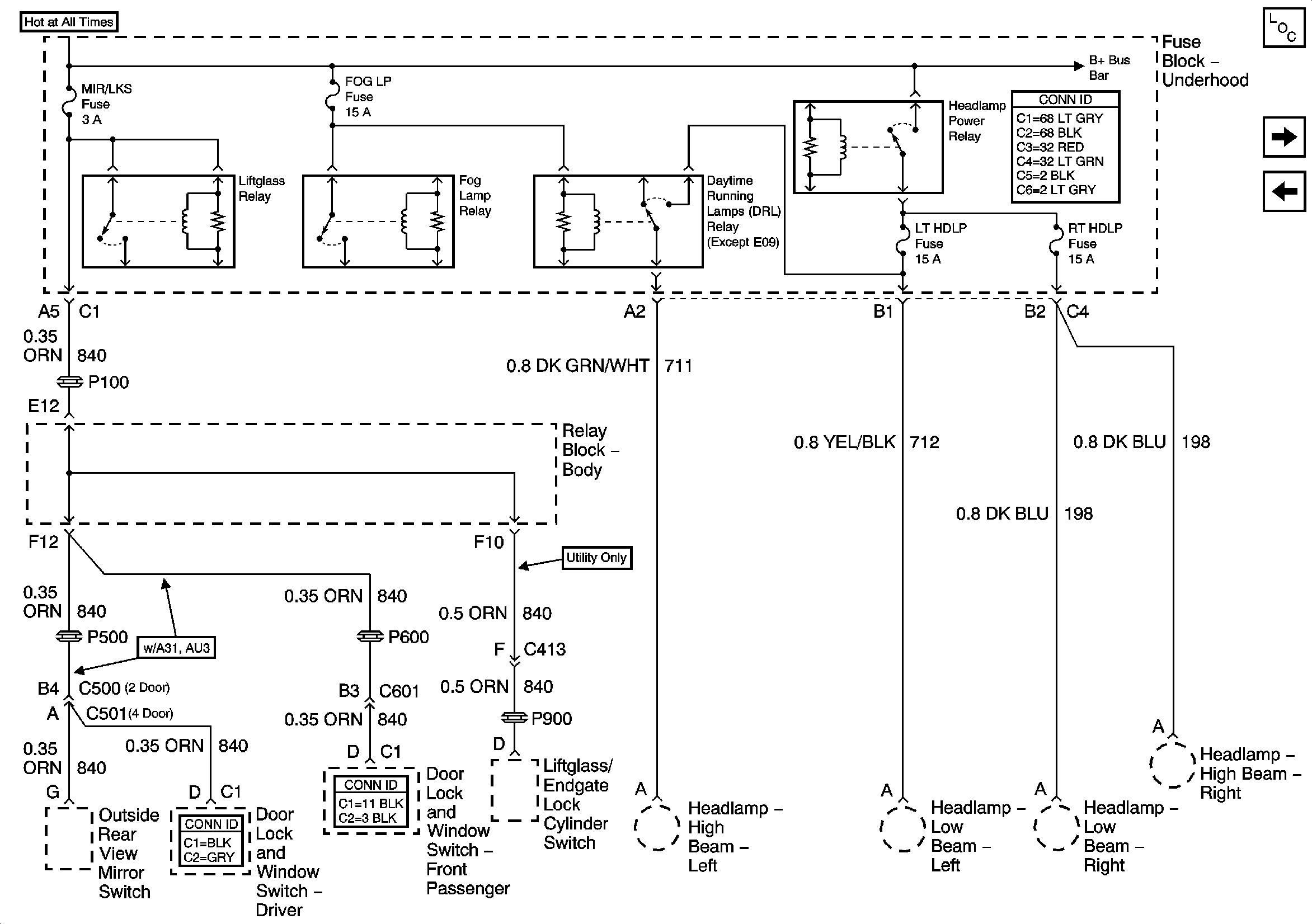
🢒 MIR/LKS, FOG LP Fuses and DRL, Headlamp Power Relays
MIR/LKS, FOG LP Fuses and DRL, Headlamp Power Relays
MIR/LKS, FOG LP Fuses and DRL, Headlamp Power Relays
Master Electrical Component List
ECM B Fuse and Horn, Rear Defogger Relays
HTD SEAT, ATC, HVAC and A/C Fuses
B+ Bus Bar