GM Service Manual Online
For 1990-2009 cars only
Makes
🢒
Chevrolet
🢒
2002
🢒
Chevy C Silverado - 2WD
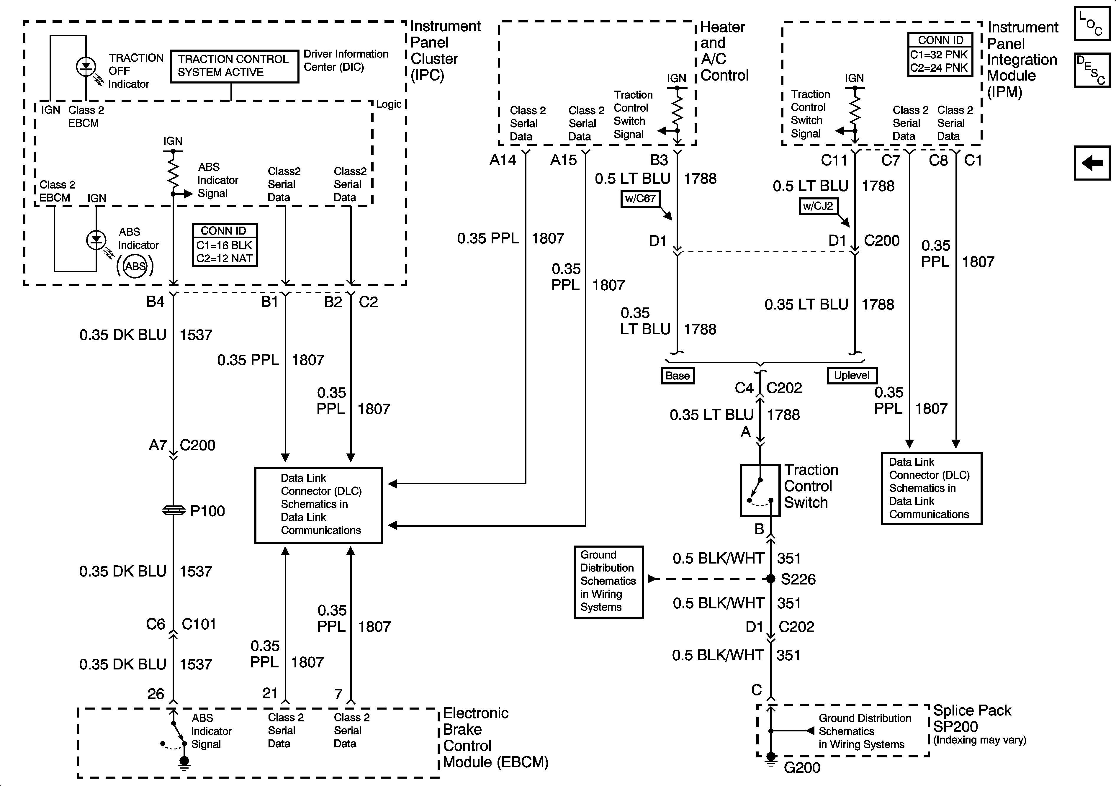
🢒 Indicators and Traction Control Switch
Indicators and Traction Control Switch
Indicators and Traction Control Switch
Master Electrical Component List
Traction Control (w/NW9)
Serial Data Class 2
G200 (1 of 2)
G200 (1 of 2)
Serial Data Class 2