GM Service Manual Online
For 1990-2009 cars only
Makes
🢒
Chevrolet
🢒
2002
🢒
Chevy C Silverado - 2WD
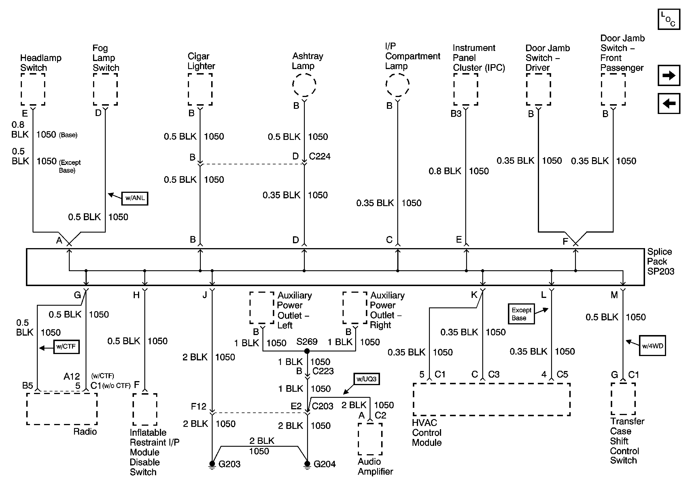
🢒 G203 and G204 (Pickup)
G203 and G204 (Pickup)
G203 and G204 (Pickup)
Master Electrical Component List
G203 and G204 (Utility w/ Manual A/C)
G202 (Utility and Crew Cab)