GM Service Manual Online
For 1990-2009 cars only

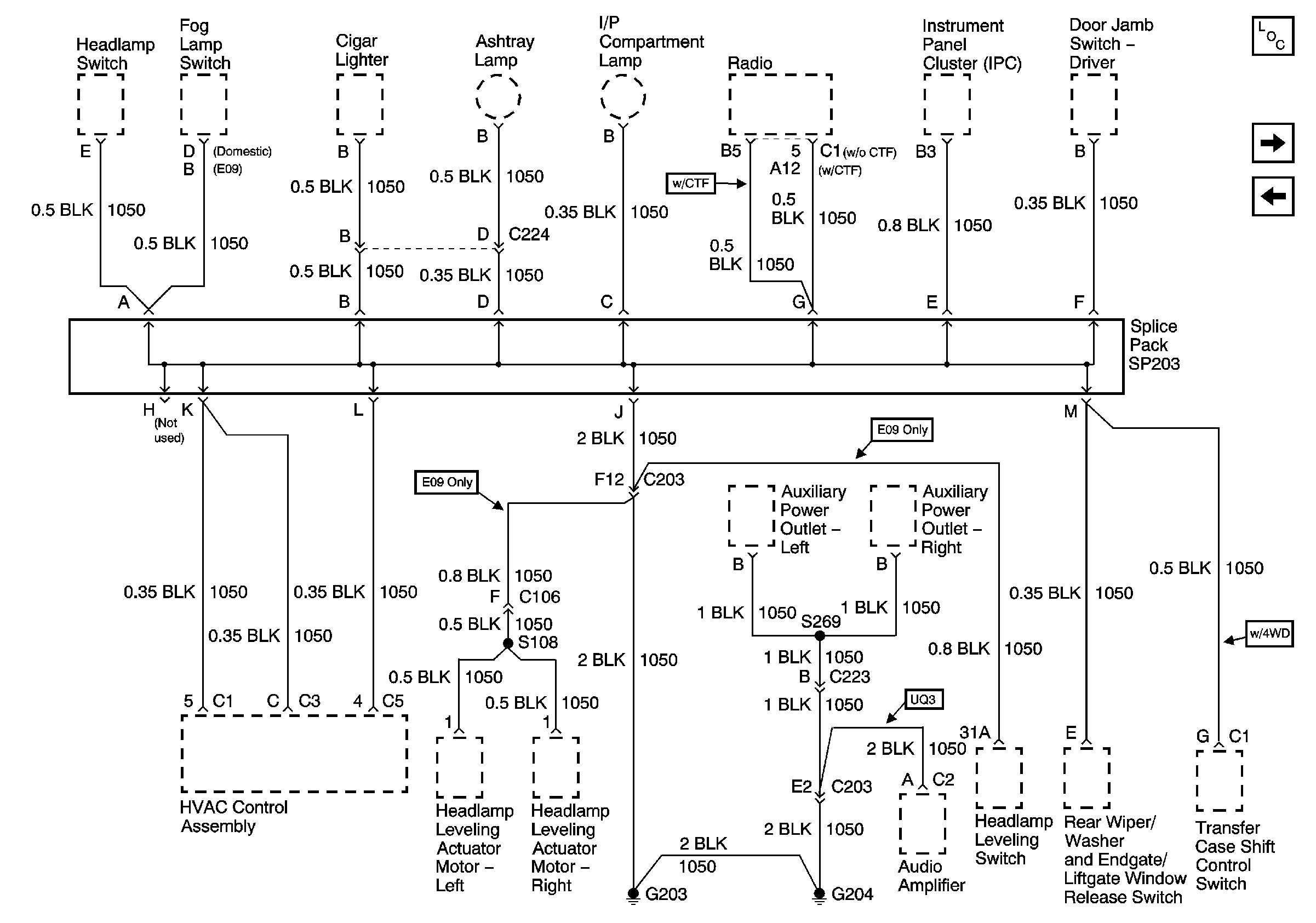
G203 and G204 (Utility w/ Manual A/C)

G203 and G204 (Utility w/ Manual A/C)


Object Number: 877619  Size: FS
Master Electrical Component List
G203 and G204 (Utility w/ Automatic A/C)
G203 and G204 (Pickup)