GM Service Manual Online
For 1990-2009 cars only
Makes
🢒
Chevrolet
🢒
2002
🢒
Chevy C Silverado - 2WD
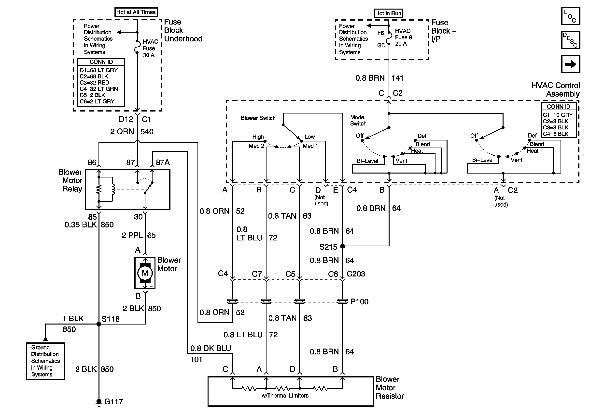
🢒 Blower Controls (C42)
Blower Controls (C42)
Blower Controls (C42)
Master Electrical Component List
Air Delivery Description and Operation 2.2L and 4.3L
Blower Controls (C60)
B+ Bus Bar
G104 and G117
Ign ACC, RUN and RAP Bus Bar