GM Service Manual Online
For 1990-2009 cars only
Makes
🢒
Chevrolet
🢒
2002
🢒
Chevy C Silverado - 2WD
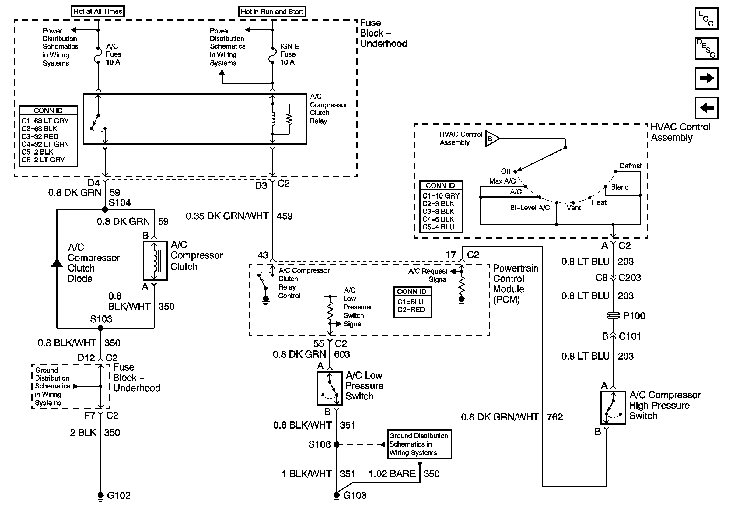
🢒 Compressor Controls - 4.3L
Compressor Controls - 4.3L
Compressor Controls - 4.3L
Master Electrical Component List
Air Temperature Description and Operation 4.3L
Air Delivery/Temperature Controls (C42)
Compressor Controls - 2.2L
B+ Bus Bar
Ign RUN and START Bus Bar
G102 (Except Export)
Blower Controls (C60)
G103 and G105 (4.3 L)