GM Service Manual Online
For 1990-2009 cars only
Makes
🢒
Chevrolet
🢒
2002
🢒
Chevy C Silverado - 2WD
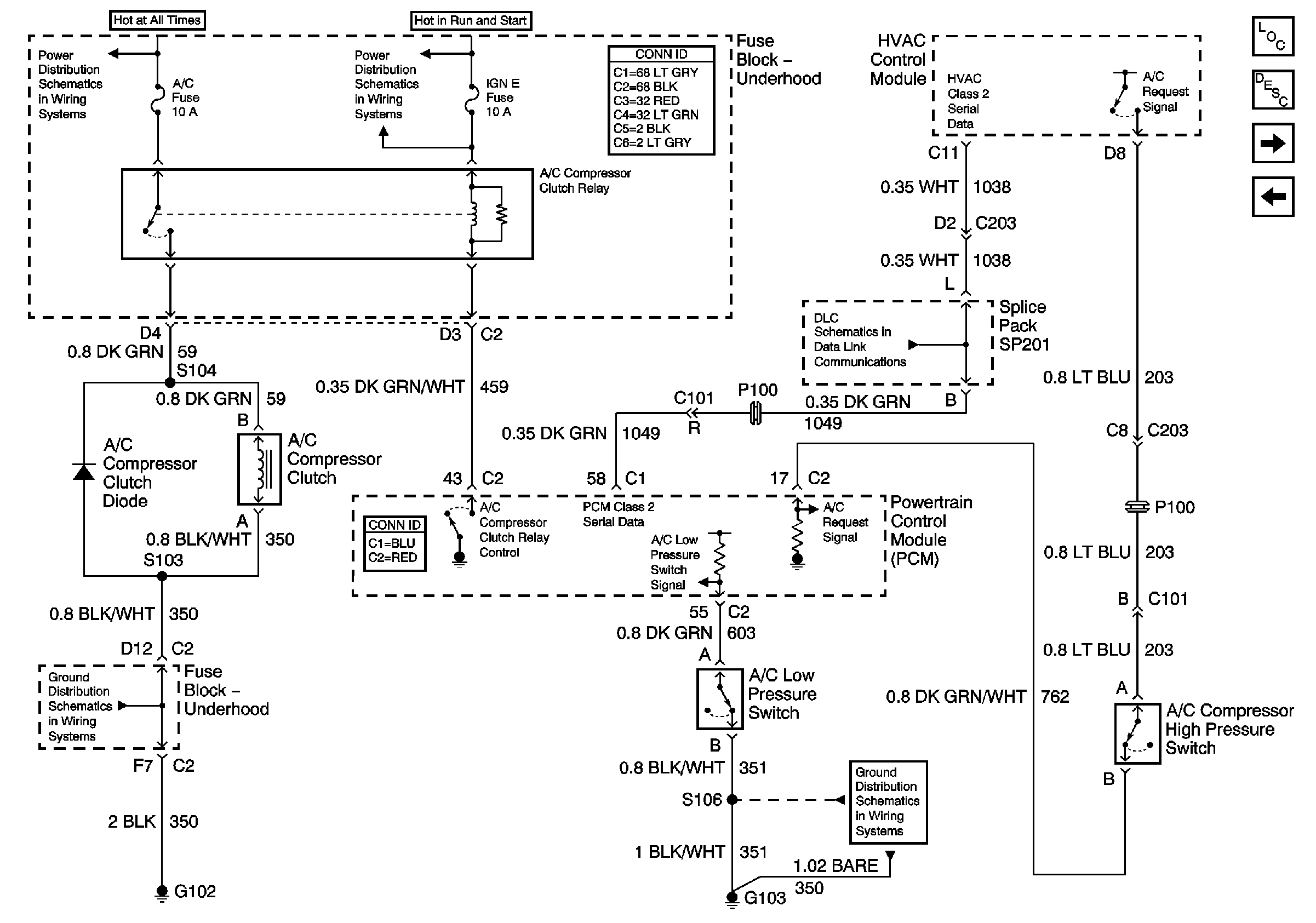
🢒 A/C Compressor Clutch Coil, Relay, Diode and High Pressure Cutoff Switch
A/C Compressor Clutch Coil, Relay, Diode and High Pressure Cutoff Switch
A/C Compressor Clutch Coil, Relay, Diode and High Pressure Cutoff Switch
Master Electrical Component List
Air Temperature Description and Operation
ECC Module and Temperature Sensors
Blower Controls
B+ Bus Bar
B+ Bus Bar
SP201 (4.3L)
G102 (Except Export)
G103 and G105 (4.3 L)