GM Service Manual Online
For 1990-2009 cars only
Makes
🢒
Chevrolet
🢒
2002
🢒
Chevy C Silverado - 2WD
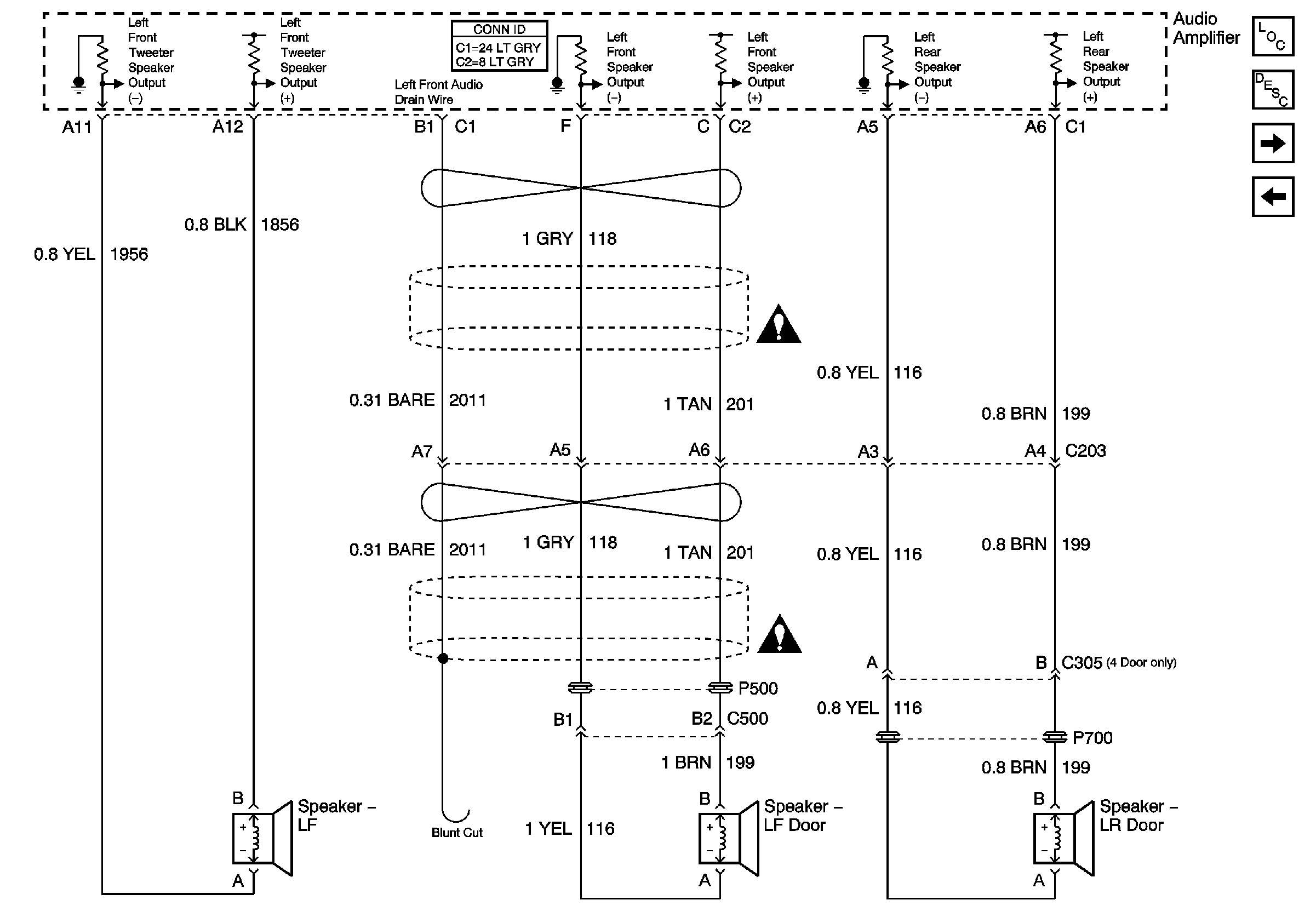
🢒 Amplifier, Left Channel Output
Amplifier, Left Channel Output
Amplifier, Left Channel Output
Master Electrical Component List
Radio/Audio System Description and Operation w/o CTF
Audio Amplifier, Right Channel Output
Audio Amplifier Inputs
Entertainment Schematic Icons
Entertainment Schematic Icons