GM Service Manual Online
For 1990-2009 cars only
Makes
🢒
Chevrolet
🢒
2002
🢒
Chevy C Silverado - 2WD
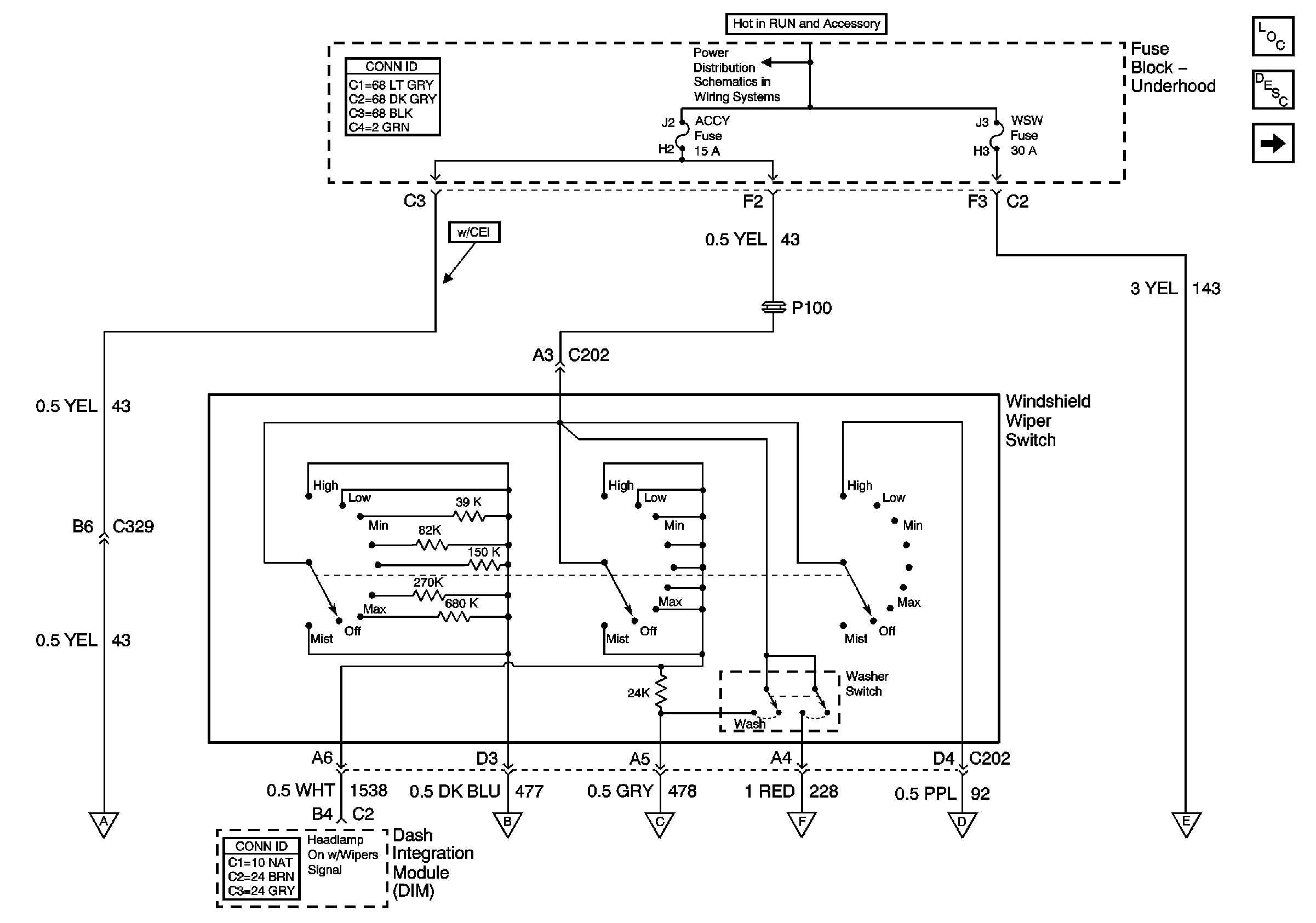
🢒 Wiper Washer Switch and Fuse
Wiper Washer Switch and Fuse
Wiper Washer Switch and Fuse
Master Electrical Component List
Wiper and Washer Motor, Outside Moisture Sensor
Wiper and Washer Motor, Outside Moisture Sensor
Wiper and Washer Motor, Outside Moisture Sensor
Wiper and Washer Motor, Outside Moisture Sensor
Wiper and Washer Motor, Outside Moisture Sensor
Wiper and Washer Motor, Outside Moisture Sensor
Wiper and Washer Motor, Outside Moisture Sensor
AIR Pump and ACCY Relays, AIR, C/LTR, AUX PWR, WSW, and ACCY Fuses(Fuse Block Underhood)