GM Service Manual Online
For 1990-2009 cars only
Makes
🢒
Chevrolet
🢒
2002
🢒
Chevy C Silverado - 2WD
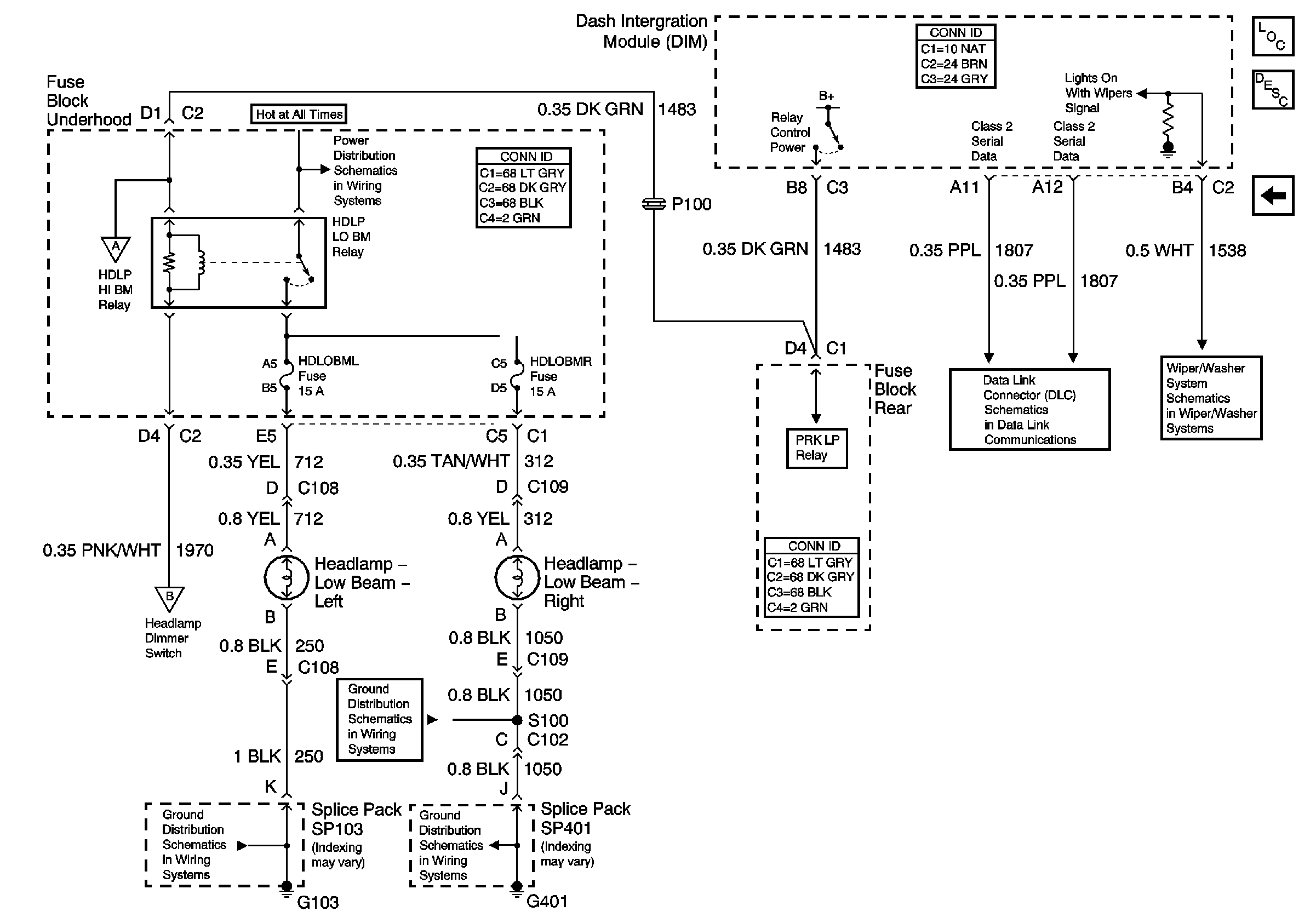
🢒 Low Beam Headlamps
Low Beam Headlamps
Low Beam Headlamps
Master Electrical Component List
DRL, High Beam Headlamps and Dimmer Switch
Wiper Washer Switch and Fuse
Serial Data Class 2
G401 (2 of 2)
G401 (2 of 2)
G401 (2 of 2)
DRL, High Beam Headlamps and Dimmer Switch
DRL, High Beam Headlamps and Dimmer Switch
High and Low Beam Relays, ABS, PCM BATT, High and Low Beam Relays (Fuse Block Underhood)