GM Service Manual Online
For 1990-2009 cars only
Makes
🢒
Chevrolet
🢒
2002
🢒
Chevy C Silverado - 2WD
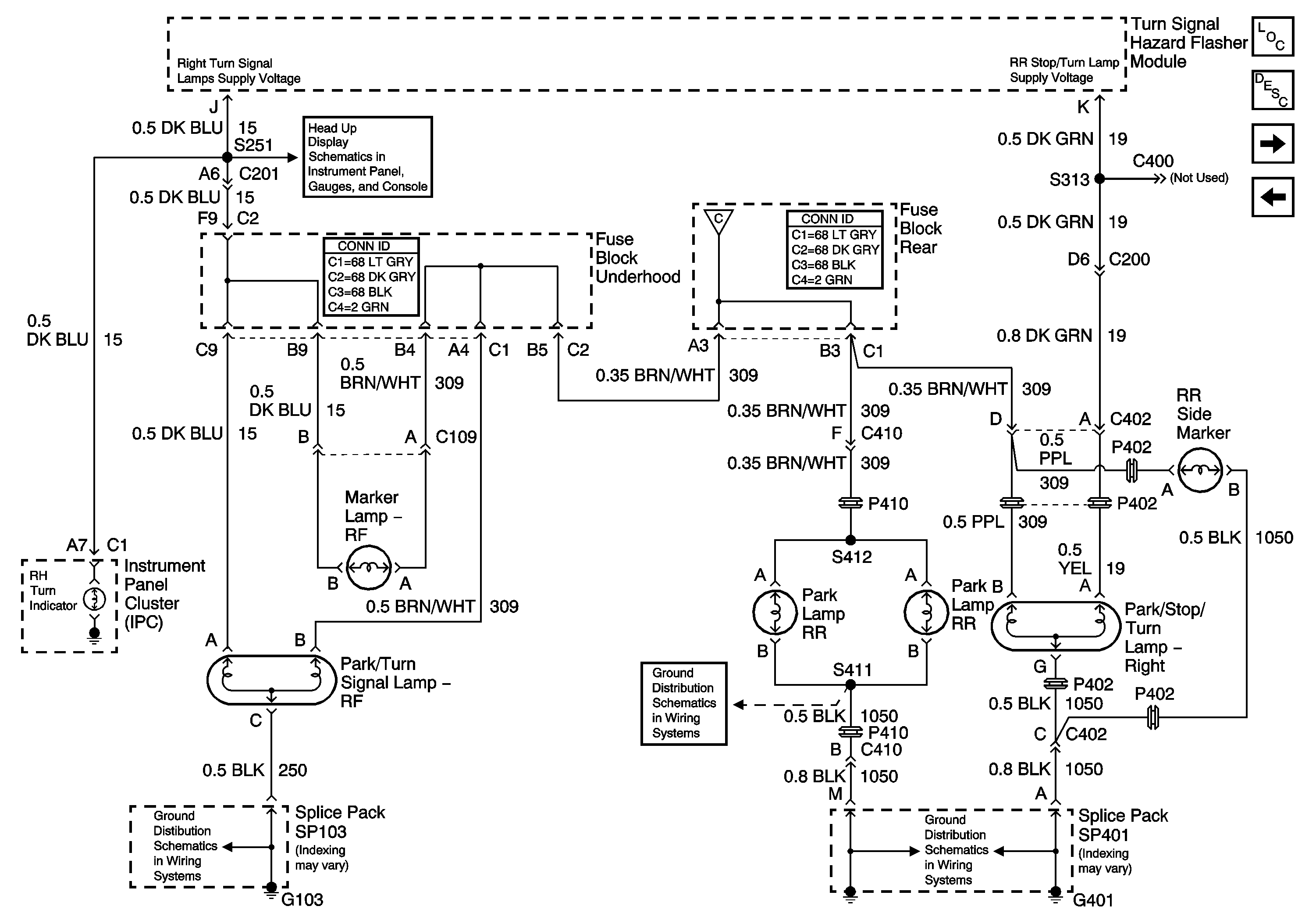
🢒 Passengers Side Exterior Lamps
Passengers Side Exterior Lamps
Passengers Side Exterior Lamps
Master Electrical Component List
Backup Lights
Drivers Side Exterior Lamps
G401 (1 of 2)
G401 (1 of 2)
G103
Head up Display Schematic
Park Lamp Relay