GM Service Manual Online
For 1990-2009 cars only
Makes
🢒
Chevrolet
🢒
2002
🢒
Chevy C Silverado - 2WD
🢒 Drivers Side Exterior Lamps
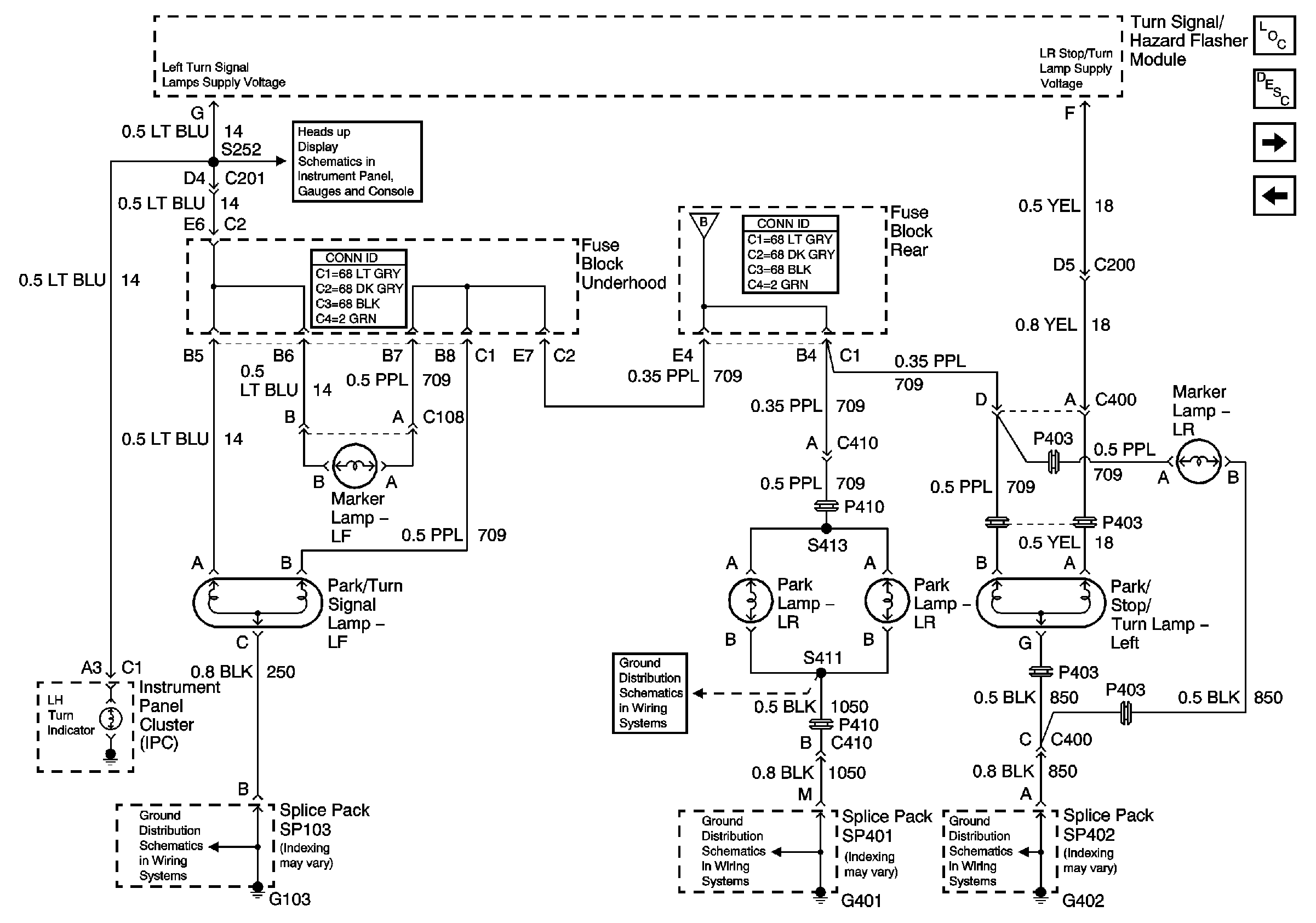
Drivers Side Exterior Lamps
Drivers Side Exterior Lamps
Master Electrical Component List
Passengers Side Exterior Lamps
License, Underhood and Cornering Lamps
G402
G401 (1 of 2)
G401 (1 of 2)
G103
Head up Display Schematic
Park Lamp Relay