GM Service Manual Online
For 1990-2009 cars only
Makes
🢒
Chevrolet
🢒
2002
🢒
Chevy C Silverado - 2WD
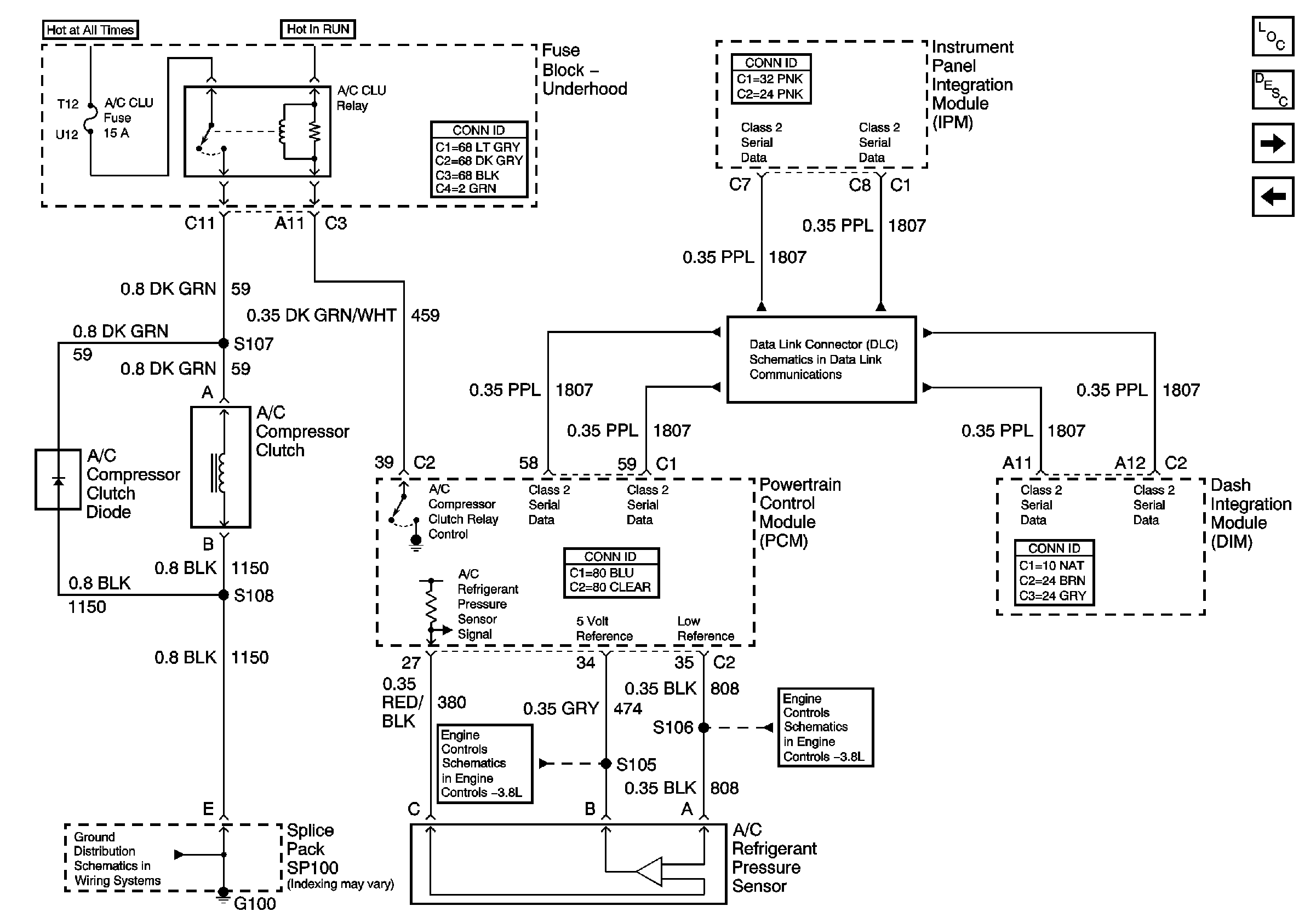
🢒 A/C Compressor Control (w/CJ2)
A/C Compressor Control (w/CJ2)
A/C Compressor Control (w/CJ2)
Master Electrical Component List
Air Delivery (w/CJ2)
Heater A/C Control w/CJ2
Serial Data Class 2
Fuel Controls - EVAP Controls
Fuel Controls - EVAP Controls
G100, and G102